LEMON Manuals: Even more car manuals for everyone: 1960-2025
Home >> Ford >> 1987 >> E 250 Van V8-6.9L DSL >> Repair and Diagnosis >> Heating and Air Conditioning >> Compressor HVAC >> Service and Repair >> Compressor
April 5, 2026: LEMON Manuals is launched! Read the announcement.

Compressor




1. Disconnect battery ground cable.
2. Discharge refrigerant from system.
3. Disconnect wire connector from clutch field coil connector.
4. Disconnect refrigerant lines from compressor manifold and cap all open lines.

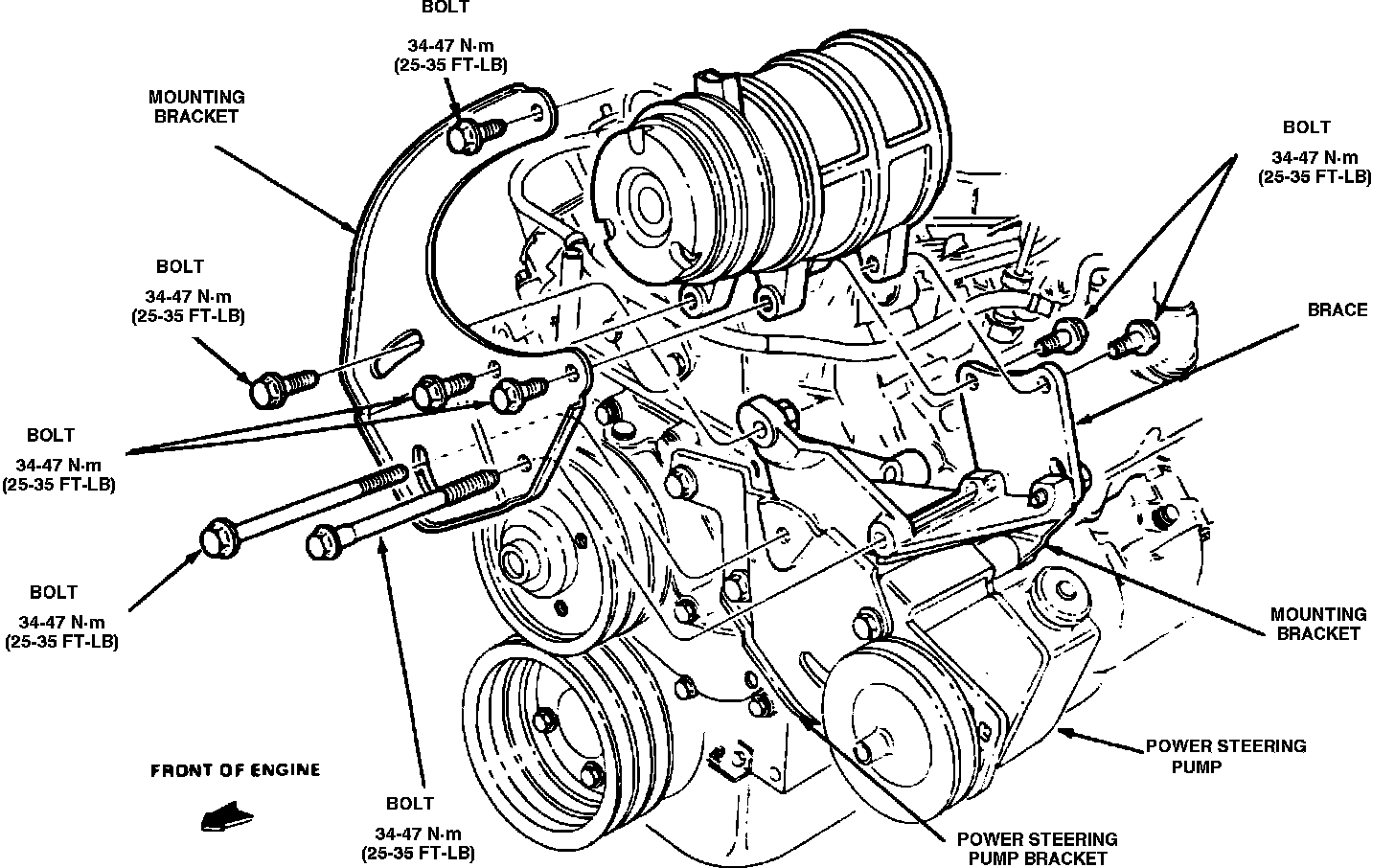
Fig. 34 Compressor removal:





5. Loosen pivot and adjusting bolts, then remove drive belt from compressor and position aside.
6. Remove five bolts attaching compressor to brackets and remove compressor from vehicle, Fig. 34.
7. Reverse procedure to install. Use new O-rings lubricated with refrigerant oil.
8. Leak test, evacuate and charge system. Check system for proper operation.