LEMON Manuals: Even more car manuals for everyone: 1960-2025
Home >> Ford >> 1987 >> Thunderbird L4-140 2.3L SOHC Turbo >> Repair and Diagnosis >> Powertrain Management >> Relays and Modules - Powertrain Management >> Relays and Modules - Computers and Control Systems >> Integrated Control Relay Module >> Diagrams >> Electrical Diagrams
April 5, 2026: LEMON Manuals is launched! Read the announcement.

Electrical Diagrams

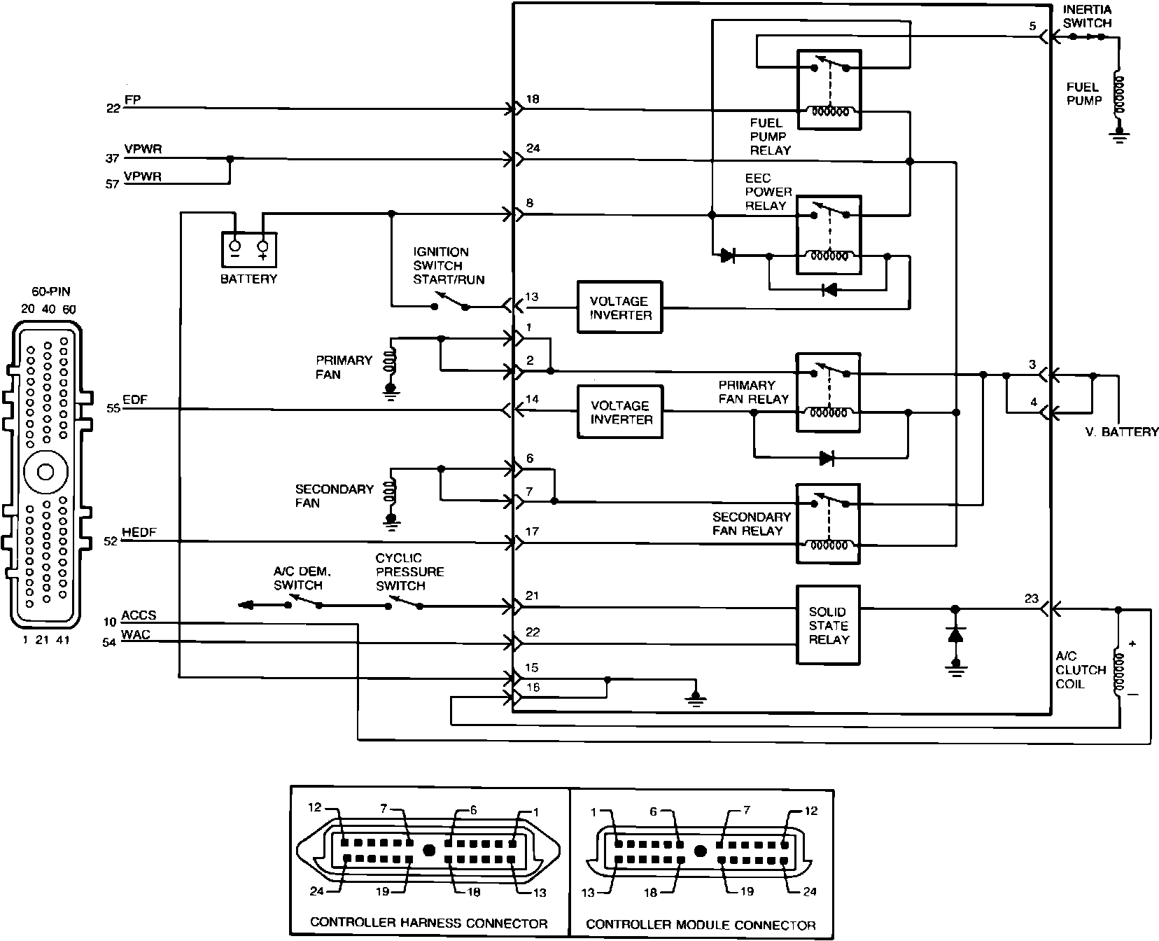
Fig. 299 EEC-IV integrated controller wiring diagram. 1987 4-140 EFI turbocharged engine:



Fig. 301 EEC-IV integrated controller pin usage. 1987 4-140 EFI turbocharged engine: