LEMON Manuals: Even more car manuals for everyone: 1960-2025
Home >> Ford >> 1989 >> E 250 Van V8-351 5.8L >> Repair and Diagnosis >> Powertrain Management >> Relays and Modules - Powertrain Management >> Relays and Modules - Ignition System >> Ignition Control Module >> Locations
April 5, 2026: LEMON Manuals is launched! Read the announcement.

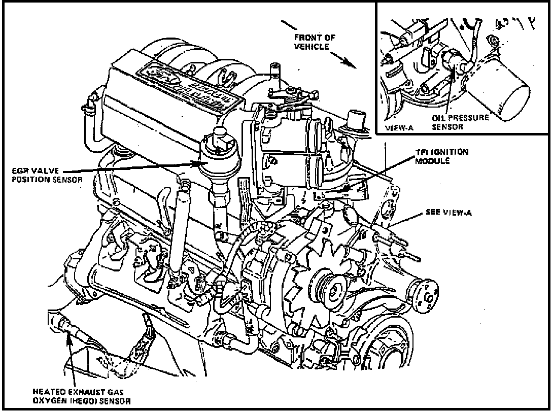
Ignition Control Module: Locations

RH Side Of Engine.:




Attached To Distributor

Applicable to: V8-302/5.0L & V8-351/5.8L