LEMON Manuals: Even more car manuals for everyone: 1960-2025
Home >> Ford >> 1990 >> Thunderbird V6-232 3.8L SC >> Repair and Diagnosis >> Powertrain Management >> Computers and Control Systems >> Integrated Control Relay Module >> Diagrams >> Electrical Diagrams
April 5, 2026: LEMON Manuals is launched! Read the announcement.

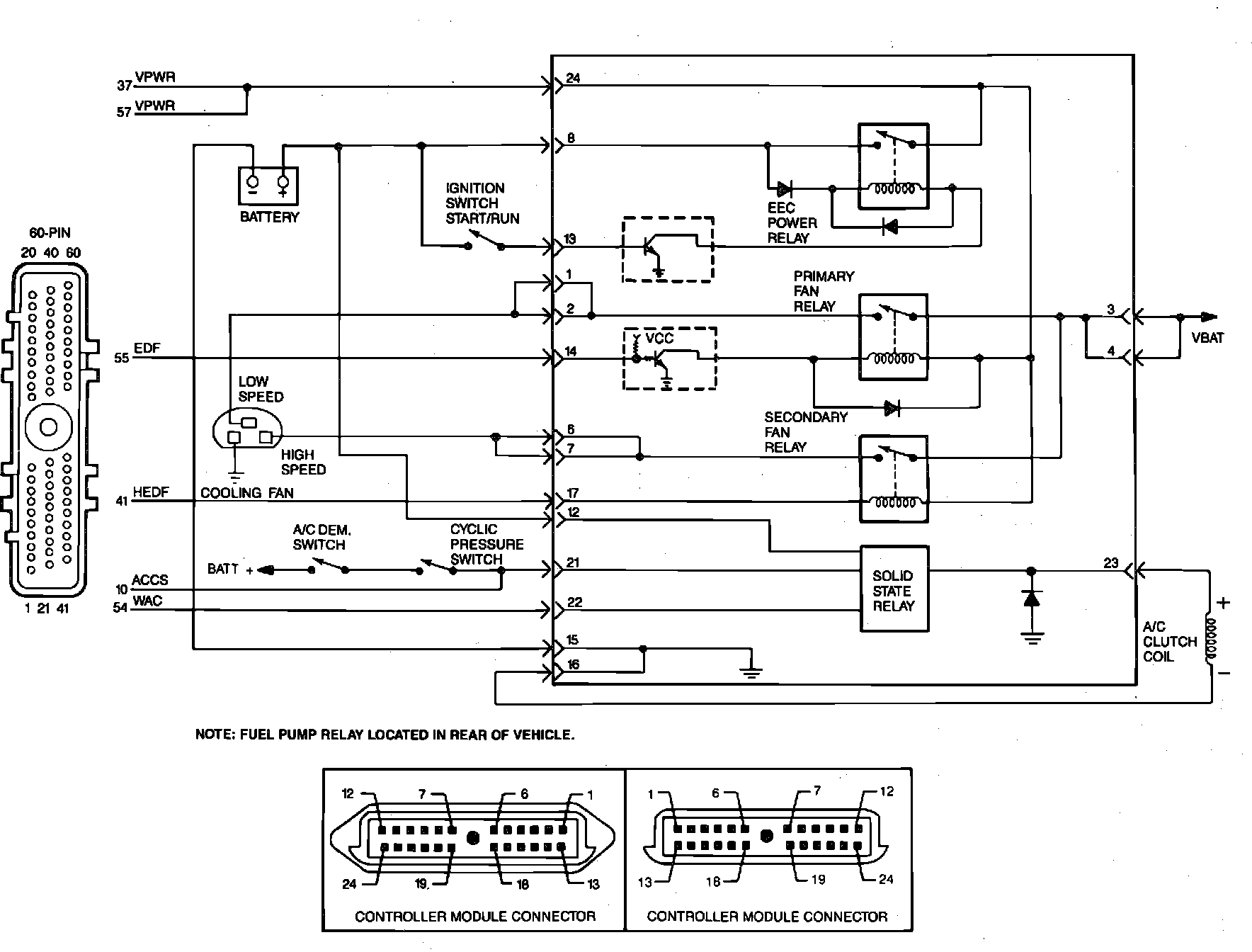
Electrical Diagrams



Integrated Controller Pin Usage: