LEMON Manuals: Even more car manuals for everyone: 1960-2025
Home >> Ford >> 1991 >> Thunderbird V6-232 3.8L >> Repair and Diagnosis >> Powertrain Management >> Computers and Control Systems >> Integrated Control Relay Module >> Diagrams >> Connector Views
April 5, 2026: LEMON Manuals is launched! Read the announcement.

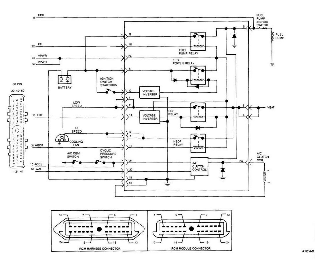
Connector Views




Integral Relay Control Module (IRCM)

IRCM (3.8L):






IRCM (3.8L) Pin Usage:






The Integral Relay Control Module (IRCM) interfaces with the EEC-IV processor to provide control of the cooling fan, A/C clutch, and the fuel pump.