LEMON Manuals: Even more car manuals for everyone: 1960-2025
Home >> Ford >> 1992 >> Tempo L4-140 2.3L HSC >> Repair and Diagnosis >> Powertrain Management >> Computers and Control Systems >> Relays and Modules - Computers and Control Systems >> Integrated Control Relay Module >> Diagrams >> Electrical Diagrams
April 5, 2026: LEMON Manuals is launched! Read the announcement.

Electrical Diagrams

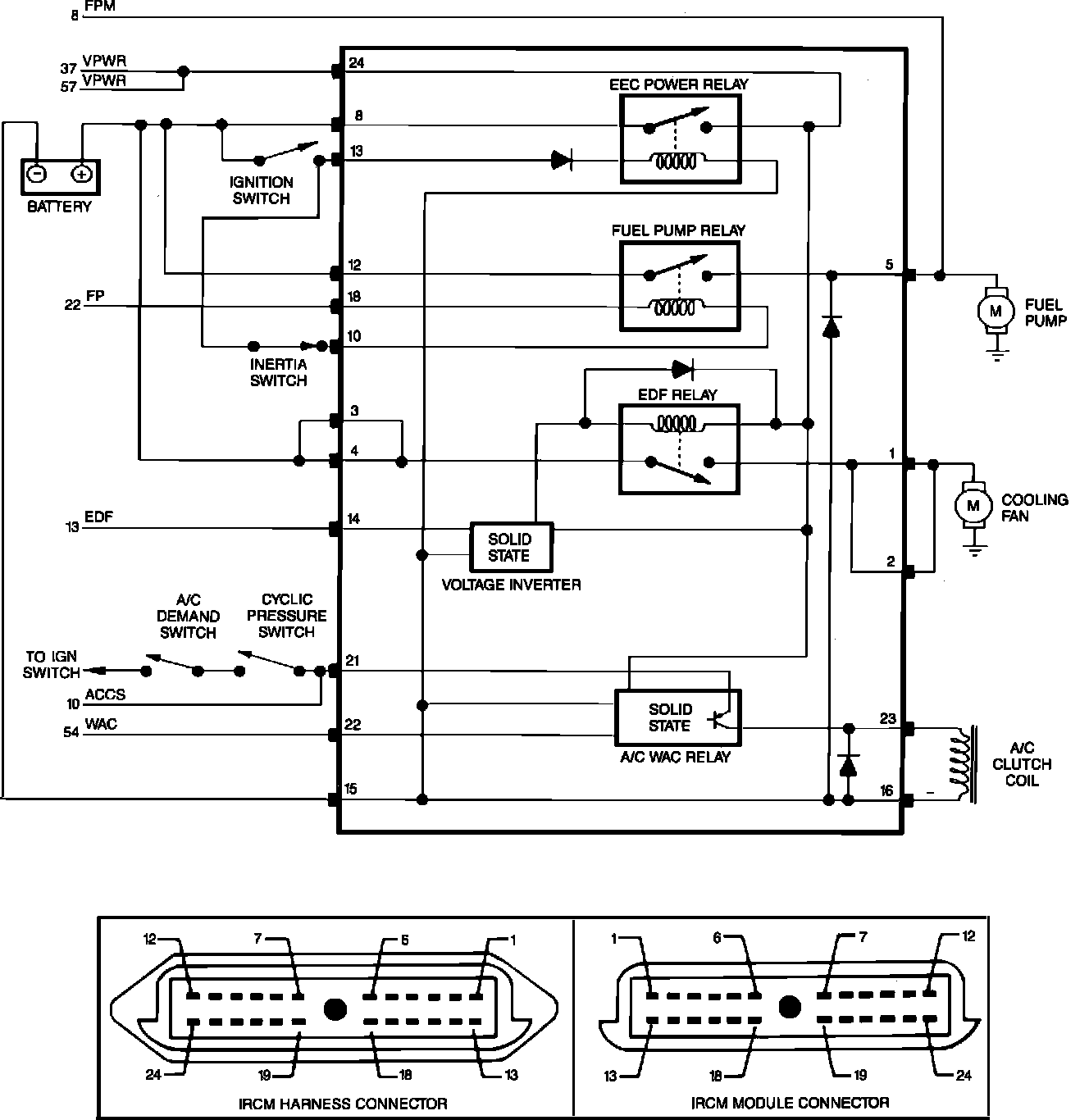
Intergrated Relay Control Module (IRCM) Schematic:



Integrated Relay Control Module (IRCM) Pinout: