LEMON Manuals: Even more car manuals for everyone: 1960-2025
Home >> Ford >> 1993 >> Tempo V6-182 3.0L >> Repair and Diagnosis >> Powertrain Management >> Computers and Control Systems >> Integrated Control Relay Module >> Diagrams >> Electrical Diagrams
April 5, 2026: LEMON Manuals is launched! Read the announcement.

Electrical Diagrams

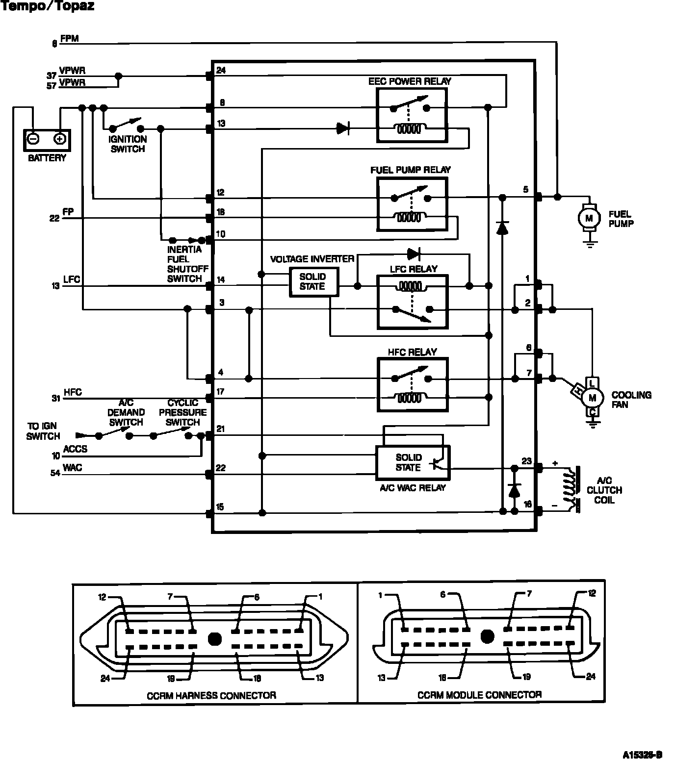
Constant Control Relay Module (CCRM) Schematic: