Diagnostic Aids
Perform this test only when directed by QUICK TEST. This test is intended to diagnose:
- Wiring harness circuits (CCS, SS1, SS2, SS3, EPC, TCC, TOT, and MLP).
- Powertrain Control Module (PCM).
| Application | Wire Color |
|---|---|
| Bronco | Red |
90) Drive Cycle Test (AODE & E4OD) Ensure all components are connected. Ensure transmission fluid is correct level. Warm engine to normal operating temperature. Perform KOEO and CONTINUOUS MEMORY CODE SELF-TEST. Clear all codes.
With transmission gear selector in Drive, press Transmission Control Switch (TCS). Transmission Control Indicator Light (TCIL) should come on. Moderately accelerate vehicle to 40 MPH for at least 15 seconds (30 seconds above 4000 feet elevation). Transmission should be in 3rd gear. While holding speed steady, press TCS. TCIL should go off. Accelerate from 40 MPH to 50 MPH. Transmission should shift from 3rd gear to 4th gear. Hold speed steady for 15 seconds. While holding speed steady, lightly apply and release brakes to turn brakelights on. Maintain 50 MPH for about 5 seconds. Stop and park vehicle for a minimum of 20 seconds with transmission gear selector in Drive. Repeat procedure 5 times.
After completing DRIVE CYCLE TEST, perform KOEO and CONTINUOUS MEMORY CODE SELF-TEST. If Code 11/111 is present, fault cannot be duplicated at this time. If Code 99/624, 67/634 or 651 is present, go to next step. If Code 29/452 is present, go to CIRCUIT TEST DP. If any other code(s) is present, go to step 92).
91) Code 624, 634 Or 651 Code 624 and 651 indicate Electronic Pressure Control (EPC) failure. Code 634 indicates that Manual Lever Position (MLP) sensor is out of calibration. Possible causes for these faults are:
- Faulty EPC solenoid.
- Faulty MLP sensor.
- Circuit open or grounded.
- Damaged PCM connector pins.
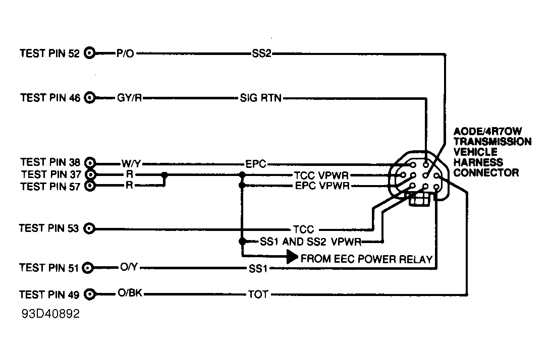
Turn ignition off. Disconnect 60-pin PCM connector. Inspect connector for damaged pins, corrosion and loose wires. Repair as necessary. Install EEC-IV Breakout Box (T83L-50-EEC-IV). Connect PCM to breakout box. To test EPC solenoid, connect DVOM to EPC test pin and EPC VPWR test pin at breakout box. To test MLP sensor, connect DVOM to MLP test pin and test pin No. 46 at breakout box. For EPC solenoid and MLP sensor, turn ignition on. Voltage for EPC should be less than 10 volts. Voltage for MLP should be less than 5 volts. Shake and bend EPC/MLP wiring harness. Lightly tap on components to simulate road shock. Voltage should remain stable. If voltage changes or exceeds specification, fault in circuit is indicated. If fault is indicated, isolate and repair as necessary. Clear continuous memory codes, and repeat QUICK TEST . If no faults are found, problem cannot be located at this time.
92) Check Circuit Harness & Connectors Enter CONTINUOUS MONITOR MODE. Shake and bend EEC wiring harness while observing analog VOM or scan tool. Lightly tap on components to simulate road shock. If VOM indicator has erratic movement or scan tool beep, fault is indicated. If fault is indicated, isolate and repair as necessary. Clear continuous memory codes, and repeat QUICK TEST. If no faults are found, problem cannot be located at this time.
| Code | Fault |
|---|---|
| 617 | Improper 1-2 Shift |
| 618 | Improper 2-3 Shift |
| 619 | Improper 3-4 Shift |
| 628 | Excessive Converter Clutch Slippage |
| 638 | Inadequate TFT Circuit Voltage |
| 645 | Inadequate 1st Gear Command Response |
| 646 | Inadequate 2nd Gear Command Response |
| 647 | Inadequate 3rd Gear Command Response |
| 648 | Inadequate 4th Gear Command Response |
| 656 | Continuous Slippage Detected |
93) Check For Code 659 Code 659 indicates high vehicle speed detected while vehicle was in Park. Possible causes for this fault are:
- Faulty Manual Lever Position (MLP) sensor.
- Faulty Powertrain Control Module (PCM).
If Code 659 was present after performing drive cycle test in step 90), go to step 103). If Code 659 was not present after performing drive cycle test in step 90), go to next step.
94) Check For Code 675 Code 675 indicates MLP circuit voltage was out of range.
Possible causes for this fault are:
- Faulty MLP sensor.
- Open or short circuit.
- Short to power or ground in SIG RTN circuit.
- Faulty Powertrain Control Module (PCM).
If Code 675 was present after performing drive cycle test in step 90), go to next step. If Code 675 was not present after performing drive cycle test in step 90), go to step 98).
95) Check For Codes 675 & 667 Code 667 indicates MLP circuit voltage was less than self-test minimum voltage allowed. Possible causes for this fault are:
- Faulty MLP sensor.
- Open or short in MLP circuit.
- Short to power in MLP circuit.
- Faulty Powertrain Control Module (PCM).
If Codes 675 and 667 were present after performing drive cycle test in step 90), go to step 99). If Codes 675 and 667 were not present after performing drive cycle test in step 90), go to next step.
96) Check For Codes 675 & 668 Code 668 indicates MLP circuit voltage was more than self-test maximum voltage allowed. Possible causes for this fault are:
- Faulty MLP sensor.
- Open MLP circuit.
- Short to power in SIG RTN circuit.
- Faulty Powertrain Control Module (PCM).
If Codes 675 and 668 were present after performing drive cycle test in step 90), go to step 101). If Code 675 and 668 were not present after performing drive cycle test in step 90), go to next step.
97) Check MLP Alignment Turn ignition off. Apply parking brake. Place transmission gear selector in Neutral position. Place MLP Sensor Gauge (T91P-7010-AHT) in sensor slot. If gauge does not fit, loosen MLP mounting bolts and adjust sensor as necessary. Clear codes and repeat QUICK TEST . If gauge fits, remove gauge and go to next step.
98) Check For Code 667 Code 667 indicates MLP circuit voltage less than self-test minimum voltage allowed. Possible causes for this fault are:
- Faulty MLP sensor.
- Open or short to ground in MLP circuit.
- Faulty Powertrain Control Module (PCM).
If Code 667 was present after performing drive cycle test in step 90), go to next step. If Code 667 was not present after performing drive cycle test in step 90), go to step 101).
99) Check MLP Circuit Resistance Turn ignition off. Disconnect 60-pin PCM connector. Disconnect MLP sensor. Inspect connectors for damaged pins, corrosion and loose wires. Repair as necessary. Install EEC-IV Breakout Box (T83L-50-EEC-IV), leaving PCM disconnected. Measure resistance between test pin No. 30 at breakout box and MLP terminal at MLP sensor connector. If resistance is less than 5 ohms, go to next step. If resistance is 5 ohms or more, repair open circuit. Remove breakout box, reconnect all components, and repeat QUICK TEST .
100) Check For Shot To Ground In MLP Circuit Turn ignition off. Ensure breakout box is installed and MLP sensor and PCM are disconnected. Measure resistance between test pin No. 30 and chassis ground. If resistance is more than 10,000 ohms, go to step 103). If resistance is 10,000 or less, repair short circuit. Remove breakout box, reconnect all components, and repeat QUICK TEST.
101) Code 668 Code 668 indicates MLP circuit voltage was more than self-test maximum voltage allowed. Possible causes for this fault are:
- Faulty MLP sensor.
- Open MLP circuit.
- Faulty MLP sensor circuit.
- Faulty Powertrain Control Module (PCM).
Turn ignition off. Disconnect 60-pin PCM connector. Disconnect MLP sensor. Inspect connectors for damaged pins, corrosion and loose wires. Repair as necessary. Install EEC-IV Breakout Box (T83L-50-EEC-IV), leaving PCM disconnected. Measure resistance between test pins No. 46 at breakout box and SIG RTN terminal at MLP sensor connector. If resistance is less than 5 ohms, go to next step. If resistance is 5 ohms or more, repair open circuit. Remove breakout box, reconnect all components, and repeat QUICK TEST .
102) Check For Short To Power Ensure PCM and MLP sensor are disconnected. Measure resistance between test pin No. 30 and test pins No. 37, 40, 46, 57 and 60 at breakout box. If all readings are more than 10,000 ohms, go to next step. If any reading is 10,000 ohms or less, repair short circuit. Remove breakout box, reconnect all components, and repeat QUICK TEST.
103) Check MLP Sensor Resistance Turn ignition off. Connect MLP sensor. Leave PCM disconnected. Unlock steering column. Measure resistance between test pins No. 30 and 46 at breakout box while cycling gear selector. See the MLP SENSOR RESISTANCE table below. If resistance is within specification, replace PCM and repeat QUICK TEST . If resistance is not within specification, replace MLP sensor and repeat QUICK TEST.
| Gear Selected | Ohms |
|---|---|
| Park | 3770-4607 |
| Reverse | 1304-1593 |
| Neutral | 660-807 |
| Overdrive | 361-442 |
| 2/Drive | 190-232 |
| First | 78-95 |