LEMON Manuals: Even more car manuals for everyone: 1960-2025
Home >> Ford >> 1994 >> Explorer 2D Utility, 4WD, Automatic >> Repair and Diagnosis >> Engine Performance >> Specifications >> Engine Controls - Specifications >> Ignition System >> Firing Order & Timing Marks
April 5, 2026: LEMON Manuals is launched! Read the announcement.

Firing Order & Timing Marks

NOTE: For firing order and timing marks, See Fig 1 .
Fig 1: Identifying Firing Order & Timing Mark ID
G91F13438
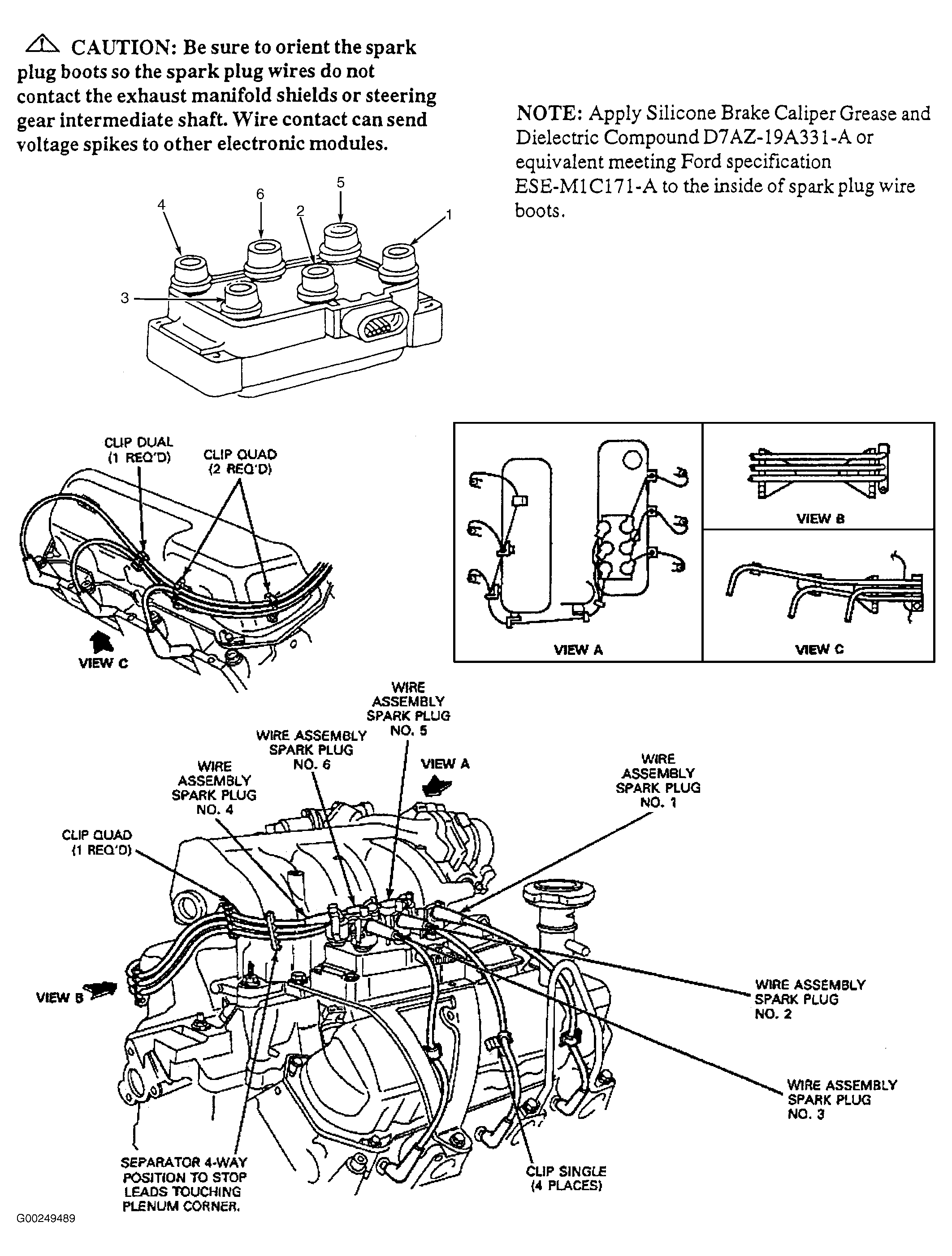
Fig 2: Identifying Spark Plug Wire Routing
G00249489Courtesy of FORD MOTOR CO.