LEMON Manuals: Even more car manuals for everyone: 1960-2025
Home >> Ford >> 1994 >> F 350 2WD Pickup V8-7.3L DSL >> Repair and Diagnosis >> Powertrain Management >> Computers and Control Systems >> Engine Control Module >> Diagrams >> Connector Pin Usage
April 5, 2026: LEMON Manuals is launched! Read the announcement.

Connector Pin Usage




Schematic


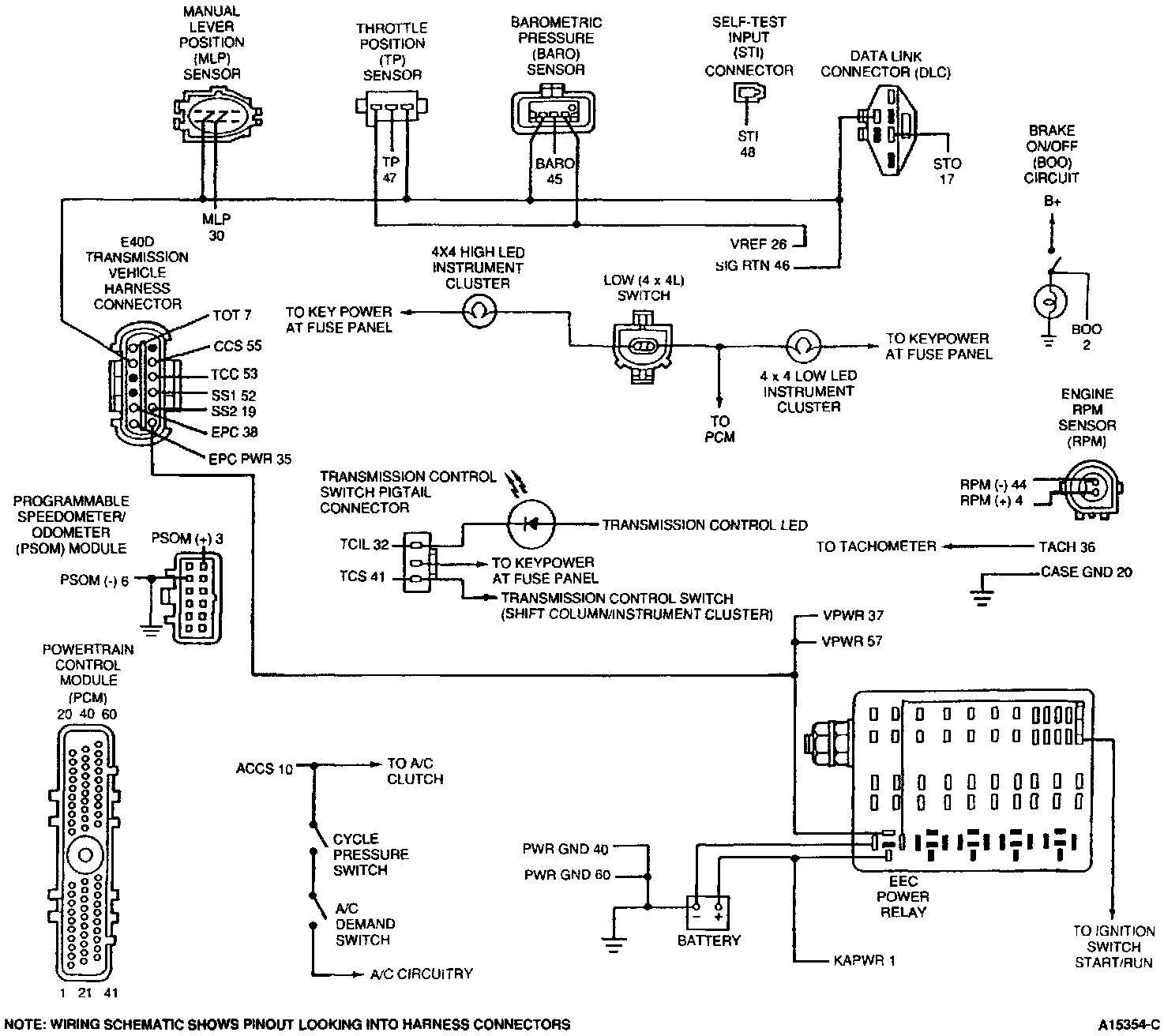
Powertrain Control Module (PCM) Connector Pin Usage (Part 1 Of 2):




Powertrain Control Module (PCM) Connector Pin Usage (Part 1 Of 2)


Powertrain Control Module (PCM) Connector Pin Usage (Part 2 Of 2):




Powertrain Control Module (PCM) Connector Pin Usage (Part 2 Of 2)


NOTE: Pin locations given for reference only. Probing 60 pin connector with DVOM probe will result in permanent damage to the pin connectors. Always probe as directed using the breakout box.