LEMON Manuals: Even more car manuals for everyone: 1960-2025
Home >> Ford >> 1994 >> Probe Base, Standard >> Repair and Diagnosis >> External Pages >> Different car >> Section 60 (A/C-Heater System - Automatic) >> Operation >> Automatic Temperature Control >> Control Panel
April 5, 2026: LEMON Manuals is launched! Read the announcement.

Control Panel

WARNING: This page is about a different car, the 1994 Mercury Grand Marquis and 1994 Ford Crown Victoria. However, it is still accessible from the selected car via links, so may be relevant.

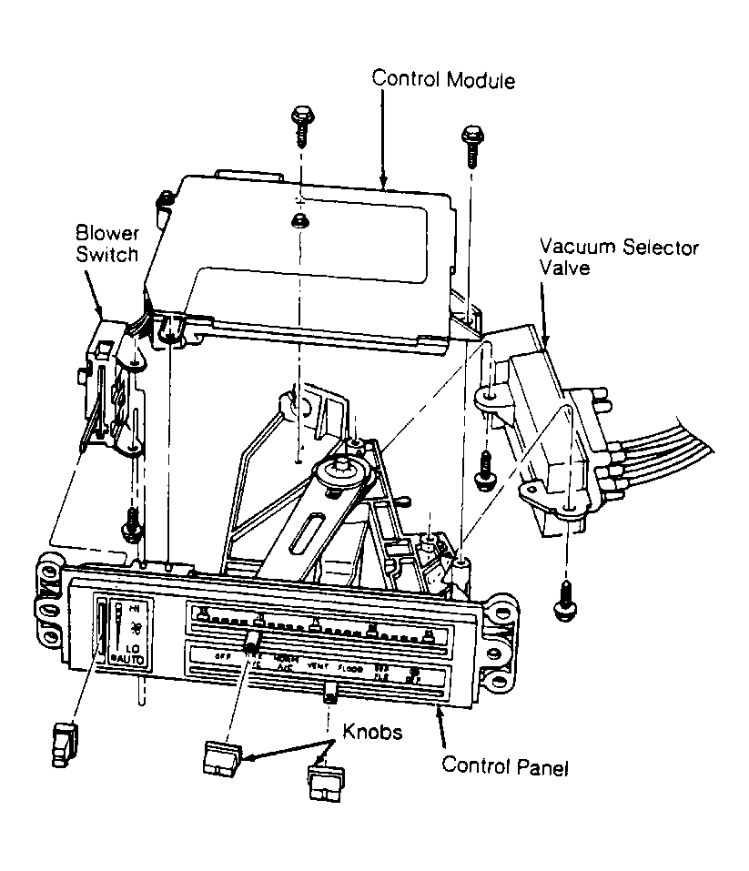
The control panel consists of control module, function selector, blower switch and temperature control. See Fig 1 .

The function selector consists of a vacuum selector valve and 3 internal electrical switches. The vacuum selector valve directs vacuum signals to vacuum actuators. See Figure . These actuators direct airflow through the system. The vacuum selector also connects vacuum from thermal blower lock-out switch relay to outside/recirculated air door in FLOOR mode. The electrical switches control power supply to control module and A/C clutch.

Fig 1: ATC Control Panel ID
G90F05477Courtesy of FORD MOTOR CO.