LEMON Manuals: Even more car manuals for everyone: 1960-2025
Home >> Ford >> 1994 >> Probe Base, Standard >> Repair and Diagnosis >> External Pages >> Different car >> Section 95 (A/C-Heater System - Manual) >> Testing >> Vacuum Control System
April 5, 2026: LEMON Manuals is launched! Read the announcement.

Vacuum Control System

WARNING: This page is about a different car, the 1994 Mercury Sable and 1994 Ford Taurus. However, it is still accessible from the selected car via links, so may be relevant.
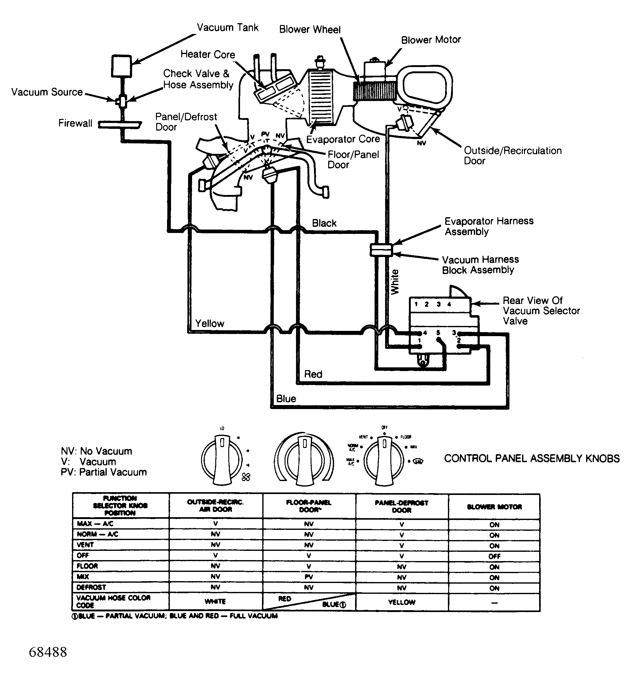
  1. Start engine. Rotate function selector knob from one position to another. A momentary hissing sound should be heard while knob is rotated, indicating vacuum is available at control panel.
  2. A continuous hissing indicates a major vacuum leak in system, although not necessarily at control panel. If momentary hissing cannot be heard while knob is rotated, check for good vacuum supply to control panel. Check for kinked, pinched or disconnected vacuum supply hose. Inspect check valve between intake manifold and vacuum tank. See Figure.
  3. If hissing is heard when knob is rotated, vacuum is available at control panel. With blower motor at high speed, rotate function selector knob from one position to another. Notice where air exits (panel, floor, defrost, etc.).
  4. Compare actual airflow with correct airflow. See CONTROL PANEL & DOOR ACTUATORS under OPERATION. See Figure. If airflow is incorrect, diagnose where leak exists or replace faulty door actuator as necessary.
  5. If airflow exits from proper ducts at idle but exits from defrost ducts during acceleration, a small vacuum leak exists in system. To locate leak, turn engine off. Using a gauge, check for vacuum delay while selectively blocking off vacuum hoses.