LEMON Manuals: Even more car manuals for everyone: 1960-2025
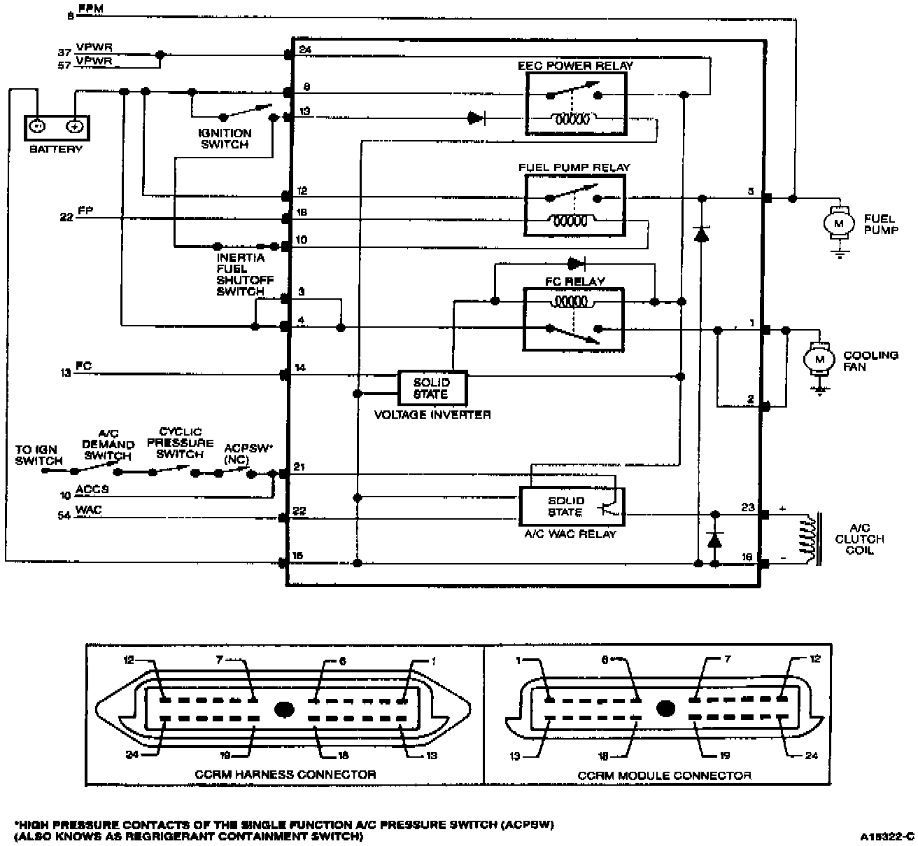
Home >> Ford >> 1994 >> Tempo L4-140 2.3L HSC >> Repair and Diagnosis >> Powertrain Management >> Computers and Control Systems >> Testing and Inspection >> Pinpoint Tests >> X - Constant Control Relay Module (CCRM) >> X - Testing Schematic
April 5, 2026: LEMON Manuals is launched! Read the announcement.

X - Testing Schematic

Constant Control Relay Module Wiring: