LEMON Manuals: Even more car manuals for everyone: 1960-2025
Home >> Ford >> 1995 >> Crown Victoria Police Interceptor >> Repair and Diagnosis >> Engine Performance >> System >> Engine Controls - Tests W/Codes - EEC-V (4.6L) >> Circuit Tests >> Circuit Test X - Constant Control Relay Module (CCRM) >> Diagnostic Aids
April 5, 2026: LEMON Manuals is launched! Read the announcement.

Diagnostic Aids

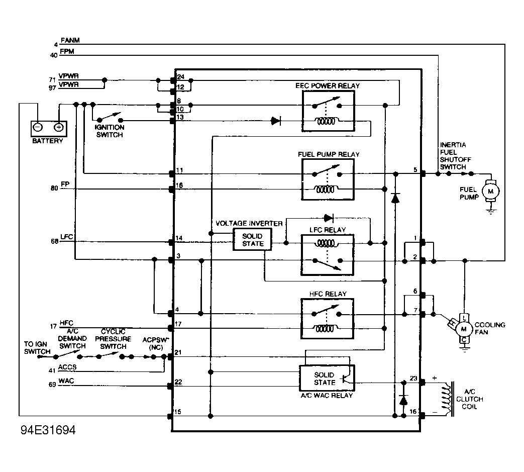
CCRM interfaces with the EEC-V system to provide control for cooling fan and A/C clutch. CCRM also contains EEC-V power relay, which provides battery power (VPWR) to the Powertrain Control Module (PCM) and EEC-V system. Perform this test only when instructed by QUICK TEST or if directed by a CIRCUIT. This test is only intended to diagnose the following:

To prevent replacing good components, be aware the following non-EEC related components or systems may be at fault:

  1. 1) Check VPWR Circuit Continuity

    Turn ignition off. Disconnect IAC and CCRM wiring harness connectors. Disconnect scan tester from Data Link Connector (DLC), if applicable. Measure resistance between IAC terminal of IAC wiring harness connector and terminals No. 12 and 24 of CCRM wiring harness connector. If both resistances are less than 5 ohms, reconnect IAC and go to next step. If either resistance is 5 ohms or more, repair open in VPWR circuit and repeat QUICK TEST  .
  2. 2) Check B(+) & IGN START/RUN Voltage To CCRM

    Turn ignition off. Leave CCRM disconnected. Measure voltage between ground and CCRM wiring harness connector terminals No. 8 and No. 10. Turn ignition on. Measure voltage between CCRM wiring harness connector terminal No. 13 and ground. If all voltages are 10.5 volts or more, go to next step. If any voltage is less than 10.5 volts, repair open in circuit and repeat QUICK TEST  .
  3. 3) Check CCRM Ground Circuit

    Turn ignition off. Leave CCRM disconnected. Measure voltage between CCRM wiring harness connector terminals No. 8 and 15. If voltage is 10.5 volts or more, replace CCRM. If voltage is less than 10.5 volts, repair open in ground circuit (terminal No. 15).
    NOTE: A break in step numbering sequence occurs at this point. Procedure skips from step 3) to step 15). No test procedures have been omitted.
  4. 15) DTC 1479: Check High Fan Control (HFC) Relay

    DTC 1479 indicates HFC primary circuit failure. Following are possible causes for this fault.
    • Open or shorted circuit.
    • Faulty CCRM.
    • Faulty PCM.

    Turn ignition off. Disconnect CCRM wiring harness connector. Measure resistance between terminal No. 17 and 24 at CCRM wiring harness connector. If resistance is 50-100 ohms, go to step 17). If resistance is not 50-100 ohms, replace CCRM and repeat QUICK TEST  .

    NOTE: A break in step numbering sequence occurs at this point. Procedure skips from step 15) to step 17). No test procedures have been omitted.
  5. 17) Check HFC Circuit Continuity

    Turn ignition off. Disconnect CCRM and PCM wiring harness connector. Inspect wiring, and repair if damaged. Install EEC-V Breakout Box (014-00950), leaving PCM disconnected. Measure resistance between HFC test pin at breakout box and CCRM wiring harness connector terminal No. 17. If resistance is less than 5 ohms, go to next step. If resistance is 5 ohms or more, repair open in HFC circuit and repeat QUICK TEST  .
  6. 18) Check HFC Circuit For Short To Power

    Leave CCRM and PCM disconnected. Turn ignition on. Measure voltage between HFC test pin at breakout box and negative battery cable. If voltage is less than one volt, turn ignition off and go to next step. If voltage is one volt or more, repair short to power and repeat QUICK TEST  .
  7. 19) Check HFC Circuit For Shorts To Ground

    Turn ignition off. Leave CCRM and PCM disconnected. Disconnect scan tester from DLC, if applicable. Measure resistance between HFC test pin at breakout box and test pins No. 51, 91 (SIG RTN) and 103 (PWR GND). If each measurements is more than 10,000 ohms, replace PCM and repeat QUICK TEST  . If measurement is less than 10,000 ohms, repair short in HFC circuit and repeat QUICK TEST  .
  8. 20) DTC 1474: Check Fan Operation

    This code indicates primary circuit failure in Low Fan Control (LFC) circuit or Fan Control (FC) circuit for single cooling fan systems. Following are possible causes for this fault:
    • Open or shorted circuit.
    • Faulty CCRM.
    • Faulty PCM.

    Turn ignition on. If cooling fan runs continuously, go to step 24). If cooling fan does not run continuously, go to step 22).

  9. 21) Check VPWR Circuit To CCRM

    Disconnect EEC-V power relay connector. Measure resistance between terminal No. 13 at CCRM wiring harness connector and VPWR circuit at EEC-V power relay wiring harness connector. If resistance is less than 5 ohms, go to next step. If resistance is 5 ohms or more, repair open in VPWR circuit and repeat QUICK TEST  .
  10. 22) Check FC/LFC Circuit For Short To Ground

    Leave ignition off and CCRM wiring harness connector disconnected. Disconnect scan tester from DLC, if applicable. Disconnect PCM wiring harness connector. Inspect wiring, and repair if damaged. Install EEC-V Breakout Box (014-00950), leaving PCM disconnected. Measure resistance between FC or LFC test pin and test pins No. 51, 91 and 103 at breakout box. If resistance is 10,000 ohms or more, go to next step. If resistance is less than 10,000 ohms, repair short to ground in FC or LFC circuit and repeat QUICK TEST  .
  11. 23) Check Fan Operation

    Turn ignition off. Connect CCRM. Leave PCM disconnected. Turn ignition on. If cooling fan runs continuously, replace PCM and repeat QUICK TEST  . If cooling fan does not run continuously, replace CCRM and repeat QUICK TEST  .
  12. 24) Check FC/LFC Circuit Continuity

    Disconnect CCRM wiring harness connector. Disconnect PCM wiring harness connector. Inspect wiring, and repair if damaged. Install EEC-V Breakout Box (014-00950), leaving PCM disconnected. Perform appropriate procedure. Measure resistance between FC or LFC test pin at breakout box and test pin No. 14 at CCRM wiring harness connector. If resistance is less than 5 ohms, go to next step. If resistance is 5 ohms or more, repair open in FC or LFC circuit and repeat QUICK TEST  .
  13. 25) Check FC/LFC Circuit Short To Power

    Turn ignition on. Perform appropriate procedure. Measure resistance between FC or LFC test pin at breakout box and negative battery terminal. If voltage is less than one volt, go to next step. If voltage is one volt or more, repair short to power in FC or LFC circuit.
  14. 26) FC/LFC Circuit Fault Isolation Check

    Turn ignition off. Reconnect CCRM wiring harness connector. Connect jumper wire between FC or LFC test pin and test pin No. 77 at breakout box. If cooling fan runs continuously, replace CCRM and repeat QUICK TEST  . If cooling fan does not run continuously, replace PCM and repeat QUICK TEST  .
    NOTE: A break in step numbering sequence occurs at this point. Procedure skips from step 26) to step 30). No test procedures have been omitted.
  15. 30) DTC 1473

    If DTC 1474 or 1479 is present, repair as necessary before servicing DTC 1473. If DTC 1474 or 1479 is not present, go to next step.
  16. 31) Check Fan Operation

    Allow engine to cool. Turn A/C and defroster off. Turn ignition on. If cooling fan runs continuously, go to next step. If cooling fan does not run continuously, go to step 35).
  17. 32) Check For Short In CCRM

    Turn ignition off. Disconnect CCRM. Turn ignition on. If cooling fan runs continuously, go to next step. If cooling fan does not run continuously, replace CCRM and repeat QUICK TEST  .
  18. 33) Check For Short In PCM

    Turn ignition off. Disconnect PCM. Turn ignition on. If cooling fan runs continuously, go to next step for Cougar and Thunderbird. If cooling fan does not run continuously, replace PCM and repeat QUICK TEST  .
  19. 34) Check Power To Low Speed Circuit Short To Power

    Ensure CCRM and PCM are disconnected. Disconnect cooling fan. Turn ignition on. Measure voltage between CCRM terminal No. 1 and negative battery terminal. If voltage is less than one volt, repair short to power in cooling fan "H" terminal circuit. If voltage is one volt or more, repair short to power in cooling fan "L" terminal circuit.
  20. 35) Check Fan Monitor (FANM) Circuit

    Connect scan tester to Data Link Connector (DLC). Turn ignition on. Cooling fan should be off. Using scan tester, access FANM PID. If FANM PID is on, go to next step. If FANM PID is off, go to step 85).
  21. 36) Check Fan Operation

    Leave ignition on. Access Output Test Mode on scan tester. Turn low speed fan on. If cooling fan runs continuously, go to next step. If cooling fan does not run continuously, remain in Output Mode and go to step 40).
  22. 37) Check Fan Monitor (FANM) Circuit

    Disconnect PCM wiring harness connector. Inspect wiring, and repair if damaged. Install EEC-V Breakout Box (014-00950), leaving PCM disconnected. Measure resistance between breakout box test pin No. 4 (FANM) and No. 76 or 77 (PWR GND). If resistance is less than 20 ohms, replace PCM and repeat QUICK TEST  . If resistance is 20 ohms or more, ohms, repair open FANM circuit.
    NOTE: A break in step numbering sequence occurs at this point. Procedure skips from step 37) to step 40). No test procedures have been omitted.
  23. 40) Check Voltage To Cooling Fan

    Remain in Output Test Mode with low speed fan switched on. Disconnect cooling fan. Measure voltage between power-to-low-speed terminal at cooling fan and negative battery terminal. If voltage is 10.5 volts or more, go to next step. If voltage is less than 10.5 volts, repair open circuit and repeat QUICK TEST  .
  24. 41) Check Cooling Fan Ground Circuit

    Turn ignition off. Disconnect scan tester from DLC. Measure resistance between terminal "L" at cooling fan and negative battery terminal. If resistance is 5 ohms or less, replace cooling fan. If resistance is more than 5 ohms, repair open circuit to cooling fan and repeat QUICK TEST  .
    NOTE: A break in step numbering sequence occurs at this point. Procedure skips from step 41) to step 45). No test procedures have been omitted.
  25. 45) DTC 1480

    This code indicates that Fan Monitor (FANH) does not power-up when control switch is turned to low. Following are possible causes for this fault.
    • Open or shorted circuit.
    • Faulty CCRM.
    • Faulty PCM.

    Turn ignition off. Disconnect cooling fan and CCRM wiring harness connectors. Connect negative lead of voltmeter to negative battery cable. Connect positive lead to CCRM wiring harness connector terminals No. 3 and 4. If 9 volts or more are present, go to next step. If less than 9 volts are present, repair open circuit test and repeat QUICK TEST  .

  26. 46) Check Power To Fan Circuit Continuity

    Turn ignition off. Leave cooling fan and CCRM disconnected. Measure resistance between terminal "L" at cooling fan connector and CCRM wiring harness connector terminals No. 1 and 2. If resistance is less than 5 ohms, go to next step. If resistance is 5 ohms or more, repair open circuit to cooling fan and repeat QUICK TEST  .
  27. 47) Check CCRM

    Ensure ignition is off. Leave cooling fan disconnected. Reconnect CCRM. Connect scan tester to Data Link Connector (DLC). Access Output Test Mode on scan tester. Turn low speed fan on. Measure voltage between terminal "L" at cooling fan connector and negative battery terminal. If voltage is 9 volts or more, replace PCM and repeat QUICK TEST  . If voltage is less than 9 volts, replace CCRM and repeat QUICK TEST  .
    NOTE: A break in step numbering sequence occurs at this point. Procedure skips from step 47) to step 50). No test procedures have been omitted.
  28. 50) DTC 1481

    This code indicates that Fan Monitor (FANM) does not power-up when control switch is turned to high. Following are possible causes for this fault.
    • Open or shorted circuit.
    • Faulty CCRM.
    • Faulty cooling fan.

    Turn ignition off. Connect scan tester to Data Link Connector (DLC). Turn ignition on. Access Output Test Mode on scan tester. Turn high speed fan on. If fan comes on, fault is intermittent; go to step 80). If fan does not come on, go to next step.

  29. 51) Check For Power To CCRM

    Turn ignition off. Disconnect CCRM wiring harness connectors. Connect negative lead of voltmeter to negative battery terminal. Connect positive lead to CCRM wiring harness connector terminals No. 3 and 4. If 10.5 volts or more are present, go to next step. If less than 10.5 volts are present, repair open circuit test and repeat QUICK TEST  .
  30. 52) By-Pass CCRM

    Turn ignition off. Leave CCRM disconnected. Connect jumper wire between CCRM wiring harness connector terminals No. 4 and 6. If high speed fan operates with jumper wire attached, replace CCRM and repeat QUICK TEST  . If high speed fan does not operate, go to next step.
  31. 53) Check Circuit Continuity

    Turn ignition off. Leave CCRM disconnected. Disconnect cooling fan. Measure resistance between terminal "H" of cooling fan and CCRM wiring harness connector terminals No. 6 and 7. If 5 ohms or less are present, replace cooling fan. If either circuit resistance is more than 5 ohms, repair open circuit and repeat QUICK TEST  .
    NOTE: A break in step numbering sequence occurs at this point. Procedure skips from step 53) to step 60). No test procedures have been omitted.
  32. 60) DTC 1474: Check LFC/FC Circuit For Open Or Short To Power

    This code indicates that Low Fan Control (LFC) (Cougar and Thunderbird) circuit failure has occurred. If DTC 1474 is present, turn ignition off. Disconnect cooling fan wiring harness connector. Inspect wiring, and repair if damaged. Connect a non-powered test light between cooling fan wiring harness power circuit and ground. Turn ignition on. Light should be off. Check for indication of fault (test light blinks or comes on) while performing one of following:
    • Shake and bend LFC/FC circuits between CCRM and PCM.
    • Lightly tap CCRM to simulate road shock.

    Turn ignition off. If fault is indicated, isolate and repair as necessary. Repeat QUICK TEST  . If fault is not indicated, go to next step.

  33. 61) Check LFC/FC Circuit For Short To Ground

    Leave cooling fan wiring harness connector disconnected. Leave scan tester and test light connected. Turn ignition on. Access Output Test Mode on scan tester. Turn low speed fan on. Test light should be on. Check for indication of fault (test light blinks or goes off) while performing one of following:
    • Shake and bend LFC/FC circuits between CCRM and PCM.
    • Lightly tap CCRM to simulate road shock.

    Turn ignition off. If fault is indicated, isolate and repair as necessary. Repeat QUICK TEST  . If fault is not indicated, problem is intermittent and cannot be duplicated or identified at this time. Go to CIRCUIT TEST Z  .

    NOTE: A break in step numbering sequence occurs at this point. Procedure skips from step 61) to step 65). No test procedures have been omitted.
  34. 65) DTC 1479

    This code indicates that High Fan Control (HFC) circuit failure has occurred. Turn ignition off. Leave scan tester connected to DLC. Disconnect cooling fan wiring harness connector. Inspect wiring, and repair if damaged. Connect a non-powered test light between cooling fan wiring connector terminal "H" and ground. Turn ignition on. Access Output Test Mode on scan tester. Turn high speed fan on. Light should be on. Check for indication of fault (test light blinks or goes off) while performing one of following:
    • Shake and bend HFC circuit between CCRM and PCM.
    • Lightly tap CCRM to simulate road shock.

    Turn ignition off. If fault is indicated, isolate and repair as necessary. Repeat QUICK TEST  . If fault is not indicated, go to next step.

  35. 66) Check HFC Circuit For Short To Ground

    Leave cooling fan wiring harness connector disconnected. Leave scan tester and test light connected. Turn ignition on. Turn high speed fan on. Test light should be off. Check for indication of fault (test light blinks or comes on) while performing the following:
    • Shake and bend HFC circuit between CCRM and PCM.
    • Lightly tap CCRM to simulate road shock.

    Turn ignition off. If fault is indicated, isolate and repair as necessary. Repeat QUICK TEST  . If fault is not indicated, problem is intermittent and cannot be duplicated or identified at this time. Go to CIRCUIT TEST Z  .

    NOTE: A break in step numbering sequence occurs at this point. Procedure skips from step 66) to step 75). No test procedures have been omitted.
  36. 75) DTC 1480

    This code indicates that during low speed fan operation, a fault occurred in FANM circuit. Following are possible causes for this fault.
    • Open in B+ circuit to CCRM.
    • Open circuit to cooling fan.

    Turn ignition off. Connect scan tester to Data Link Connector (DLC). Connect a non-powered test light between cooling fan wiring connector terminal "L" and ground. Turn ignition on. Access Output Test Mode on scan tester. Turn low speed fan on. Test light should be on. Check for indication of fault (test light blinks or goes off) while performing one of following:

    • Shake and bend cooling fan power circuit between CCRM and FANM splice.
    • Shake and bend CCRM circuit from terminals No. 3 and 4 (Black/Orange wire).
    • Lightly tap CCRM to simulate road shock.

    Turn ignition off. If fault is indicated, isolate and repair as necessary. Repeat QUICK TEST  . If fault is not indicated, problem is intermittent and cannot be duplicated or identified at this time. Go to CIRCUIT TEST Z  .

    NOTE: A break in step numbering sequence occurs at this point. Procedure skips from step 75) to step 80). No test procedures have been omitted.
  37. 80) DTC 1481 (Cougar & Thunderbird)

    This code indicates that during high speed fan operation, a fault occurred in FANM circuit. Following are possible causes for this fault.
    • Open B+ circuit to CCRM.
    • Open B+ circuit to cooling fan.

    Turn ignition off. Leave scan tester connected to DLC. Disconnect cooling fan wiring harness connector. Inspect wiring, and repair if damaged. Connect a non-powered test light between cooling fan wiring connector terminal "H" and ground. Turn ignition on. Using scan tester, access Output Test Mode on scan tester. Turn high speed fan on. Light should be on. Check for indication of fault (test light blinks or goes off) while performing one of the following:

    • Shake and bend circuit between battery and CCRM terminals No. 3 and 4.
    • Shake and bend HFC circuit between CCRM and cooling fan.
    • Shake and bend circuit between CCRM and cooling fan terminal "H".
    • Lightly tap CCRM to simulate road shock.

    Set DVOM on a scale to measure resistance. Connect DVOM probes to cooling fan wiring harness connector terminals "C" and "H". Check for indication of open circuit while performing the following:

    • Shake and bend cooling fan wiring harness.
    • Lightly tap on cooling fan to simulate road shock.

    If fault is indicated, isolate and repair as necessary. Repeat QUICK TEST  . If fault is not indicated, problem is intermittent and cannot be duplicated or identified at this time. Go to CIRCUIT TEST Z  .

    NOTE: A break in step numbering sequence occurs at this point. Procedure skips from step 80) to step 85). No test procedures have been omitted.
  38. 85) Check For Intermittent Fault In Cooling Fan Circuit

    Leave scan tester connected to DLC. Ensure A/C and cooling fan are off. Access FANM PID on scan tester.
    WARNING: Cooling fan may activate during this procedure.

    Observe scan tester for indication of fault while performing the following (FANM PID will turn on to indicate fault):

    • Shake and bend power circuit between CCRM and cooling fan.
    • Shake and bend cooling fan ground circuit.
    • Shake and bend FANM circuit between PCM and splice.
    • Lightly tap CCRM and cooling fan to simulate road shock.

    If fault is indicated and cooling fan comes on, isolate and repair short to power. If fault is indicated and cooling fan does not come on, isolate and repair open circuit. Repeat QUICK TEST  . If fault is not indicated, problem is intermittent and cannot be duplicated or identified at this time. Go to CIRCUIT TEST Z  .

    NOTE: A break in step numbering sequence occurs at this point. Procedure skips from step 85) to step 95). No test procedures have been omitted.
  39. 95) DTC 1469

    This code indicates frequent A/C clutch cycling. Possible causes for this fault are as follows:
    • Low A/C refrigerant charge.
    • Damaged A/C cycling switch.
    • Open circuit between Electronic Automatic Temperature Control (EATC) Module and PCM connector terminal No. 41.

    Turn ignition off. Inspect A/C system for any mechanical faults. Repair or replace as necessary. If no faults are present, go to next step.

  40. 96) Check For Intermittent Open Between EATC Module & PCM

    Connect scan tester to DLC. Turn ignition on. Using scan tester, access ACCS PID. TURN A/C ON. Observe ACCS PID for indication of fault while performing the following (ACCS PID will turn off and on to indicate fault):
    • Shake and bend power circuit between CCRM and cooling fan.
    • Shake and bend cooling fan ground circuit.
    • Shake and bend FANM circuit between PCM and splice.
    • Lightly tap CCRM and cooling fan to simulate road shock.

    If fault is indicated and cooling fan comes on, isolate and repair short to power. If fault is indicated, isolate and repair as necessary. Clear PCM memory and repeat QUICK TEST  . If fault is not indicated, problem is intermittent and cannot be duplicated or identified at this time.

    NOTE: A break in step numbering sequence occurs at this point. Procedure skips from step 96) to step 100). No test procedures have been omitted.
  41. 100) Check For Voltage To Cyclic Pressure Switch

    Disconnect A/C cycling switch. Turn ignition on. Turn A/C switch on. Measure voltage between A/C Demand switch (or EATC module) side of A/C cycling switch wiring harness connector and negative battery terminal. If 10.5 volts or more are present, go to next step. If less than 10.5 volts are present, EEC-V system is okay. Fault is in A/C system.
  42. 101) Check A/C Cycling Switch Contacts

    Turn ignition off. Disconnect A/C cycling switch. Measure resistance between A/C cycling connector terminal. If resistance is less than 5 ohms, go to next step. If resistance is 5 ohms or more, EEC-V system is okay. Fault is in A/C system.
  43. 102) Check For Voltage To A/C Pressure Switch (ACPSW)

    Turn ignition off. Reconnect A/C cycling switch. Disconnect ACPSW. Turn ignition on. Turn A/C switch on. Measure voltage between A/C Demand switch terminal of ACPSW wiring harness connector and negative battery terminal. See Fig 3 . If 10.5 volts or more are present, go to next step. If less than 10.5 volts are present, repair open circuit between ACPSW and A/C cycling switch.
    Fig 3: Identifying ACPSW Wiring Harness Connector Terminals
    G94G31696
  44. 103) Check Continuity Of ACPSW High Pressure Contacts

    Turn ignition off. Leave ACPSW disconnected. Measure resistance between ACPSW high pressure contacts. See Fig 4 . If resistance is less than 5 ohms, go to next step. If resistance is 5 ohms or more, check for overcharged A/C system. If system charge is okay, replace ACPSW.
    Fig 4: Identifying ACPSW Connector Terminals
    G94H31697
  45. 104) Check Voltage To PCM On ACCS Circuit

    Turn ignition off. Reconnect ACPSW. Disconnect PCM wiring harness connector. Inspect wiring, and repair if damaged. Install EEC-V Breakout Box (014-00950), leaving PCM disconnected. Turn ignition on. Turn A/C switch on. Measure voltage between breakout box test pins No. 41 (ACCS) and No. 77 (PWR GND). If voltage is 10.5 volts or more, replace PCM and repeat QUICK TEST  . If voltage is less than 10.5 volts, repair open circuit between ACPSW and PCM.
  46. 105) KOEO/KOER DTC 1460

    This code indicates that a fault occurred in Wide Open Throttle A/C Cut-Out (WAC) circuit. Following are possible causes for this fault:
    • A/C on during Self-Test.
    • Open or shorted circuit.
    • Faulty CCRM.
    • Faulty PCM.

    Turn A/C and defroster off. Leave scan tester connected to DLC. Start engine and allow to idle. Using scan tester, access ACCS PID. If ACCS PID is off, go to next step. If ACCS PID is on, go to step 125)

  47. 106) Check WAC Circuit For Short To Power

    Turn ignition off. Disconnect CCRM. Disconnect PCM wiring harness connector. Inspect wiring, and repair if damaged. Install EEC-V Breakout Box (014-00950), leaving PCM disconnected. Turn ignition on. Measure voltage between breakout box test pin No. 69 (WAC) and test pins No. 51 and No. 103 (PWR GND). If voltage is less than one volt, go to next step. If voltage is one volt or more, repair WAC circuit short to power.
  48. 107) Check WAC Circuit For Short To Ground

    Turn ignition off. Leave CCRM and PCM disconnected. Disconnect scan tool from DLC. Measure resistance between breakout box test pin No. 69 (WAC) and test pins No. 51, 103 (PWR GND) and 91 (SIG RTN). If each resistance measurement is more than 10,000 ohms, go to next step. If any resistance measurement is 10,000 ohms or less, repair WAC circuit short to power and repeat QUICK TEST  .
  49. 108) Check WAC Circuit Continuity

    Turn ignition off. Leave CCRM and PCM disconnected. Disconnect scan tester from DLC (if applicable). Measure resistance between breakout box test pin No. 69 (WAC) and test pin No. 22 at CCRM wiring harness connector. If resistance is less than 5 ohms, go to next step. If resistance 5 ohms or more, repair open in WAC circuit and repeat QUICK TEST  .
  50. 109) Check WAC Operation

    Leave ignition off and PCM disconnected. Reconnect CCRM. Ensure A/C clutch is connected. Turn ignition on. Turn A/C demand switch on. Connect jumper wire between breakout box test pins No. 69 (WAC) and No. 77 (PWR GND). Disconnect and reconnect jumper wire several times whiles observing A/C clutch engagement. If A/C clutch engagement can be controlled by jumper wire, replace PCM and repeat QUICK TEST  . If A/C clutch engagement cannot be controlled by jumper wire, replace CCRM and repeat QUICK TEST  .
  51. 110) No A/C Operation

    Turn ignition off. Disconnect CCRM. Turn ignition on. Turn A/C demand switch on. Measure voltage between CCRM wiring harness connector terminals No. 15 and 21. If voltage is more than 10.5 volts, go to next step. If voltage is 10.5 volts or less, repair open in A/C demand circuit between CCRM and ACCS splice to PCM and re-evaluate symptom
  52. 111) Check Circuit Continuity

    Turn ignition off. Leave CCRM disconnected. Disconnect scan tester from DLC (if applicable). Disconnect A/C clutch. Measure resistance between CCRM wiring harness connector terminal No. 16 and ground side of A/C clutch wiring harness connector. Measure resistance between CCRM wiring harness connector terminal No. 23 and power side of A/C clutch wiring harness connector. If either resistance is less than 5 ohms, replace CCRM and re-evaluate symptom. If either resistance 5 ohms or more, repair open circuit and re-evaluate symptom.
    NOTE: A break in step numbering sequence occurs at this point. Procedure skips from step 111) to step 120). No test procedures have been omitted.
  53. 120) Continuous Memory DTC 1460: Intermittent WAC Circuit Failure

    DTC 1460 indicates an open or short in Wide Open Throttle A/C Cut-Out (WAC) circuit.
    NOTE: Disregard DTC 1460 if vehicle is not equipped with A/C.

    Turn ignition off. Connect scan tester to DLC. Disconnect A/C cyclic pressure switch. Connect switch terminals using a jumper wire. Turn ignition on. Turn A/C demand switch on. Check circuit integrity by shaking and bending WAC wiring harness while listening to A/C clutch. If a fault is located in the circuit, the A/C clutch will cycle on or off. Check CCRM by tapping lightly to simulate road shock. If a fault is located, isolate and repair as necessary. If fault is not located, problem cannot be duplicated or identified at this time.

    NOTE: A break in step numbering sequence occurs at this point. Procedure skips from step 120) to step 125). No test procedures have been omitted.
  54. 125) ACCS PID On

    Turn ignition off. Disconnect A/C cycling switch. Connect scan tester to DLC. Turn ignition on. Using scan tester, access ACCS PID. If ACCS PID does not go off, go to next step. If ACCS PID goes off, check A/C switch and repair or replace as necessary. If A/C switch is okay, repair short to power in A/C demand circuit to A/C cycling switch.
  55. 126) Check A/C Clutch Circuit For Short To Power

    Turn ignition off. Leave CCRM disconnected. Measure voltage between CCRM wiring harness connector terminals No. 23 and negative battery terminal. If voltage is less than one volt, go to next step. If voltage is one volt or more, repair circuit short to power and re-evaluate symptom.
  56. 127) Check ACCS Circuit For Short To Power

    Turn ignition off. Leave A/C cycling switch and CCRM disconnected. Disconnect PCM wiring harness connector. Inspect wiring, and repair if damaged. Install EEC-V Breakout Box (014-00950), leaving PCM disconnected. Turn ignition on. Measure voltage at breakout box test pin No. 41 (ACCS) and test pins No. 51 and 103 (PWR GND). If voltage is less than one volt, go to next step. If voltage is one volt or more, repair circuit short to power and re-evaluate symptom.
  57. 128) Check ACCS Circuit Voltage To PCM

    Turn ignition off. Leave A/C cycling switch and PCM disconnected. Reconnect CCRM. Turn ignition on. Measure voltage between breakout box test pin No. 41 (ACCS) and test pins No. 51 and 103 (PWR GND). If voltage is less than one volt, replace PCM and re-evaluate symptom. If voltage is one volt or more, replace CCRM and re-evaluate symptom.
    NOTE: A break in step numbering sequence occurs at this point. Procedure skips from step 128) to step 130). No test procedures have been omitted.
  58. 130) No WAC & No DTCs

    Turn ignition off. Ensure A/C clutch and CCRM are connected. Disconnect PCM wiring harness connector. Inspect wiring, and repair if damaged. Install EEC-V Breakout Box (014-00950), leaving PCM disconnected. Turn ignition on. Turn A/C demand switch on. Connect jumper wire between breakout box test pins No. 69 (WAC) and No. 77 (PWR GND). Disconnect and reconnect jumper wire several times while observing A/C clutch engagement. If A/C clutch engagement cannot be controlled by jumper wire, replace CCRM and re-evaluate symptom. If A/C clutch engagement can be controlled by jumper wire, EEC-V system is okay and testing is complete.
    NOTE: A break in step numbering sequence occurs at this point. Procedure skips from step 130) to step 150). No test procedures have been omitted.
  59. 150) No Fuel Pressure

    While listening for fuel pump operation, turn ignition on. Fuel pump should operate for about one second and then shut off. If fuel pump does not operate correctly, turn ignition off. With scan tester connected to DLC, enter Output Test Mode. While listening to fuel pump, turn outputs on. If fuel pump operates, fuel pump circuits are okay; check fuel pump and repair as necessary. If fuel pump does not operate, go to next step.
  60. 151) Check FPA PID During KOEO

    Turn ignition on while viewing FPA PID. If FPA PID comes on when ignition is turned on, go to next step. If FPA PID does not come on when ignition is turned on, go to step 157).
  61. 152) Check FPA PID During KOEC

    Crank engine while viewing FPAPID. If FPA PID is on while engine is cranking, go to next step. If FPA PID is not on while engine is cranking, go to step 160).
  62. 153) Check FPM PID During KOEO

    Turn ignition on while viewing FPM PID. If FPM PID comes on when ignition is turned on, go to next step. If FPM PID does not come on when ignition is turned on, turn ignition off. Verify Inertia Fuel Shutoff (IFS) switch is reset. If switch is okay, check for open in power-to-pump circuit, poor fuel pump ground or open in fuel pump or IFS. Repair as necessary.
  63. 154) Check FPM PID During KOEC

    Crank engine while viewing FPM PID. If FPM PID is on while engine is cranking, electrical circuits are okay. Go to CIRCUIT TEST HC  . If FPM PID is not on while engine is cranking, go to step 165).
    NOTE: A break in step numbering sequence occurs at this point. Procedure skips from step 154) to step 157). No test procedures have been omitted.
  64. 157) Check Fuel Pump Relay Coil Resistance

    Turn ignition off. Disconnect CCRM. Measure resistance between CCRM wiring harness connector terminals No. 18 and 24. If resistance is 65-120 ohms, go to next step. If resistance is not 65-120 ohms, replace CCRM and re-evaluate symptom.
  65. 158) Check FP Circuit Continuity

    Turn ignition off. Leave CCRM disconnected. Disconnect PCM wiring harness connector. Inspect wiring, and repair if damaged. Install EEC-V Breakout Box (014-00950), leaving PCM disconnected. Measure resistance between breakout box test pin No. 18 and test pin No. 80 (FP). If resistance is less than 5 ohms, replace PCM and re-evaluate symptom. If resistance is 5 ohms or more, repair open in FP circuit and re-evaluate symptom.
    NOTE: A break in step numbering sequence occurs at this point. Procedure skips from step 158) to step 160). No test procedures have been omitted.
  66. 160) Check Fuel Pump Relay Coil Resistance & FP Circuit For Short To Power In CCRM

    Turn ignition off. Leave CCRM disconnected. Measure resistance between CCRM wiring harness connector terminals No. 18 and 24. Resistance should be 65-120 ohms. Measure resistance between CCRM wiring harness connector terminals No. 18 and the following terminals: No. 1 through 11 and No. 13. Resistance should be greater than 10,000 ohms. If all resistance checks are okay, go to next step. If any resistance is not okay, replace CCRM and re-evaluate symptom.
  67. 161) Check FP Circuit For Short To Power In CCRM

    Leave CCRM disconnected. Disconnect PCM and inspect connector terminals for damage. Turn ignition on. Measure voltage between CCRM wiring harness connector terminals No. 18 and negative battery terminal. If voltage is less than one volt, replace PCM and re-evaluate symptom. If voltage is one volt or more, repair FP circuit short to power and re-evaluate symptom.
    NOTE: A break in step numbering sequence occurs at this point. Procedure skips from step 161) to step 165). No test procedures have been omitted.
  68. 165) Check For Power To Fuel Pump Relay

    Turn ignition off. Disconnect CCRM wiring harness connector. Measure voltage between CCRM wiring harness connector terminal No. 11 and negative battery terminal. If voltage is 10.5 volts or more, go to next step. If voltage is less than 10.5 volts, repair open in B+ circuit to CCRM and re-evaluate symptom.
  69. 166) Check Power To Pump Circuit Continuity

    Leave ignition off and CCRM disconnected. Disconnect scan tester, if applicable. Measure resistance between CCRM wiring harness connector terminal No. 5 and negative battery terminal. If resistance is less than 10 ohms, replace CCRM and re-evaluate symptom. If resistance is 10 ohms or more, repair open in power-to-pump circuit between CCRM and FPM splice and re-evaluate symptom.
    NOTE: A break in step numbering sequence occurs at this point. Procedure skips from step 166) to step 175). No test procedures have been omitted.
  70. 175) Fuel Pump Runs Continuously: Verify FPA PID Is Off

    With ignition off, connect scan tester to DLC (if necessary). Turn ignition on and wait 5 seconds. Access FPA PID on scan tester. If FPA PID is off, go to next step. If FPA PID is on, go to step 180).
  71. 176) Check FPM PID

    With scan tester connected and ignition on, access FPM PID. If FPM PID comes on, go to next step. If FPM PID does not comes on, EEC-V system is okay. Go to CIRCUIT TEST Z  .
  72. 177) Check CCRM

    Turn ignition off. Disconnect CCRM. Turn ignition on. If fuel pump is off, replace CCRM and re-evaluate symptom. If fuel pump is on, repair FPM circuit short to power and re-evaluate symptom.
    NOTE: A break in step numbering sequence occurs at this point. Procedure skips from step 177) to step 180). No test procedures have been omitted.
  73. 180) Check PCM

    Turn ignition off. Disconnect PCM wiring harness connector. Turn ignition on. If fuel pump is off, replace PCM and re-evaluate symptom. If fuel pump is on, go to next step.
  74. 181) Check FP Circuit For Short To Ground

    Turn ignition off. Disconnect scan tester from DLC (if applicable). Disconnect CCRM and PCM wiring harness connector. Inspect wiring, and repair if damaged. Install EEC-V Breakout Box (014-00950), leaving PCM disconnected. Measure resistance between breakout box test pin No. 80 and test pins No. 51, 103 (PWR GND) and 91 (SIG RTN). If each resistance measurement is more than 10,000 ohms, replace CCRM and re-evaluate symptom. If any resistance measurement is 10,000 ohms or less, repair FP circuit short to ground and re-evaluate symptom.
    NOTE: A break in step numbering sequence occurs at this point. Procedure skips from step 181) to step 190). No test procedures have been omitted.
  75. 190) DTC P0230: Check VPWR Circuit To PCM

    This code indicates fuel pump primary circuit failure. Following are possible causes for this fault:
    • Open or shorted FP circuit.
    • Open VPWR circuit to CCRM.
    • Faulty CCRM.
    • Faulty PCM.

    Turn ignition off. Disconnect CCRM wiring harness connector. Disconnect EEC-V power relay. Measure resistance between terminal No. 13 at CCRM wiring harness connector and VPWR circuit at EEC-V power relay wiring harness connector. See Fig 1 . If resistance is less than 5 ohms, go to next step. If resistance is 5 ohms or more, repair open in VPWR circuit and repeat QUICK TEST  .

  76. 191) Check Fuel Pump Relay & FP Circuit

    Turn ignition off. Leave CCRM disconnected. Perform the following resistance checks:
    • Check fuel pump relay coil by measuring resistance between terminal No. 13 and 18 of CCRM. Resistance should be 65-120 ohms.
    • Check CCRM for internal short to power by measuring resistance between terminal No. 13 and terminals No. 1-8, 10, 11, 12 and 24. Each resistance measurement should be more than 10,000 ohms.
    • Check CCRM for internal short to ground by measuring resistance between terminals No. 15 and 18. Measure resistance between terminal No. 18 and CCRM housing.

    Each resistance measurement should be more than 10,000 ohms. If all resistance checks are okay, go to next step. If any resistance check is incorrect, replace CCRM and repeat QUICK TEST  .

  77. 192) Check Fuel Pump Circuit For Short To Power

    Turn ignition off. Disconnect CCRM and PCM wiring harness connector. Inspect wiring, and repair if damaged. Turn ignition on. Measure voltage between negative battery terminal and CCRM wiring harness connector terminal No. 18. If voltage is less than one volt, go to next step. If voltage is one volt or more, repair circuit short to power and repeat QUICK TEST  .
  78. 193) Check Fuel Pump Circuit For Shorts To Ground

    Turn ignition off. Leave CCRM and PCM disconnected. Disconnect scan tester from DLC, if applicable. Measure resistance between negative battery terminal and CCRM connector terminal No. 18. If resistance is more than 10,000 ohms, go to next step. If resistance is 10,000 ohms or less, repair short to ground and repeat QUICK TEST  .
  79. 194) Check FP Circuit Continuity

    Turn ignition off. Leave CCRM and PCM disconnected. Inspect wiring, and repair if damaged. Install EEC-V Breakout Box (014-00950), leaving PCM disconnected. Measure resistance between breakout box test pin No. 80 and CCRM connector terminal No. 18. If resistance is more than 5 ohms and DTC P0231 or P0232 is present, go to next step. If resistance is more than 5 ohms and DTC P0231 or P0232 is not present, replace PCM and repeat QUICK TEST  . If resistance measurement is 5 ohms or less, repair open circuit and repeat QUICK TEST  .
  80. 195) Check PCM

    Turn ignition off. Remove breakout box. Reconnect CCRM and PCM. Connect scan tester to DLC. Turn ignition on. Using scan tester, access FPA PID. If FPA PID stays off, go to next step. If FPA PID comes on, replace PCM and repeat QUICK TEST  .
  81. 196)

    Crank engine while viewing FPA PID. If FPA PID is on while engine is cranking, and DTC P0231 is present, go to step 210). If FPA PID is on while engine is cranking, and DTC P0232 is present, go to step 200). If FPA PID is not on while engine is cranking, replace PCM and repeat QUICK TEST  .
    NOTE: A break in step numbering sequence occurs at this point. Procedure skips from step 196) to step 200). No test procedures have been omitted.
  82. 200) DTC P0232

    If engine will start, go to next step. If engine will not start, go to step 205).
  83. 201) Check Fuel Pump Operation

    Turn ignition on. Listen for motor noise coming from fuel pump. If fuel can be heard, go to next step. If fuel pump cannot be heard, go to step 203).
  84. 202) Check Fuel Pump Relay

    Turn ignition off. Disconnect CCRM. Turn ignition on. Listen for motor noise coming from fuel pump. If fuel pump cannot be heard, replace CCRM and repeat QUICK TEST  . If fuel pump can be heard, repair circuit short to power and repeat QUICK TEST  .
  85. 203) Check FPM Circuit Continuity

    Turn ignition off. Leave CCRM disconnected. Inspect wiring, and repair if damaged. Install EEC-V Breakout Box (014-00950), leaving PCM disconnected. Measure resistance between breakout box test pin No. 40 and CCRM connector terminal No. 5. If resistance is less than 5 ohms, replace PCM and repeat QUICK TEST  . If resistance measurement is 5 ohms or more, repair open circuit and repeat QUICK TEST  .
  86. 204) Check Inertia Fuel Shutoff (IFS) Switch

    Turn ignition off. Locate IFS switch in trunk. Disconnect IFS switch. Inspect wiring, and repair if damaged. Measure resistance between terminals "C" and NC. If resistance is less than 5 ohms, go to next step. If resistance measurement is 5 ohms or more, reset or replace IFS switch.
  87. 205)

    Leave ignition off and IFS switch disconnected. Disconnect CCRM. Measure resistance between power-to-pump terminal of IFS switch and terminal No. 5 of CCRM wiring harness connector. If resistance is less than 5 ohms, check for faulty fuel pump or fuel pump ground. If resistance measurement is 5 ohms or more, repair open in power-to-pump circuit.
    NOTE: A break in step numbering sequence occurs at this point. Procedure skips from step 205) to step 210). No test procedures have been omitted.
  88. 210) DTC P0231

    If engine will start, replace PCM. If engine will not start, go to next step.
  89. 211) Check For Power To Fuel Pump Relay

    Turn ignition off. Disconnect CCRM wiring harness connector. Measure voltage between CCRM wiring harness connector terminal No. 5 and negative battery terminal. If voltage is 10.5 volts or more, go to next step. If voltage is less than 10.5 volts, repair open in B+ circuit to CCRM and repeat QUICK TEST  .
  90. 212) Check Power-To-Pump Circuit Continuity

    Leave ignition off and CCRM disconnected. Disconnect scan tester, if applicable. Measure resistance between CCRM wiring harness connector terminal No. 5 and negative battery terminal. If resistance is less than 10 ohms, replace CCRM and re-evaluate symptom. If resistance is 10 ohms or more, repair open in power to pump circuit between CCRM and FPM splice and re-evaluate symptom.
    NOTE: A break in step numbering sequence occurs at this point. Procedure skips from step 212) to step 220). No test procedures have been omitted.
  91. 220) Continuous Memory DTC P0232

    Turn ignition off. Connect scan tester to DLC. Turn ignition on. Using scan tester, access FPM PID. Observe FPM PID for indication of fault while tapping on IFS switch. Fault will be indicated if FPM PID comes on. Check circuit integrity by shaking and bending fuel system wiring harness. If a fault is located, isolate and repair as necessary. If fault is not located, problem cannot be duplicated or identified at this time. Go to CIRCUIT TEST Z  .
    NOTE: A break in step numbering sequence occurs at this point. Procedure skips from step 220) to step 225). No test procedures have been omitted.
  92. 225) Continuous Memory DTC P0231

    Turn ignition off. Disconnect PCM. Install EEC-V Breakout Box (014-00950). Connect PCM. Connect jumper wire between breakout box test pin No. 40 and 51. Connect scan tester to DLC. Turn ignition on. Using scan tester, access Output Test Mode. Command outputs on. DVOM should read 10 volts or more. Check for indication of fault while tapping on CCRM. Fault will be indicated by sudden change of voltage. Check circuit integrity by shaking and bending fuel system wiring harness. If a fault is located, isolate and repair as necessary. If fault is not located, problem cannot be duplicated or identified at this time. Go to CIRCUIT TEST Z  .
    NOTE: A break in step numbering sequence occurs at this point. Procedure skips from step 225) to step 230). No test procedures have been omitted.
  93. 230) Continuous Memory DTC P0230

    Turn ignition off. Connect scan tester to DLC. Turn ignition on an wait 5 seconds. Using scan tester, access FPA PID. Observe FPA PID for indication of fault while tapping on CCRM. Fault will be indicated if FPA PID comes on. Check circuit integrity by shaking and bending fuel system wiring harness. Check CCRM and PCM connectors for damage or corrosion. If a fault is located, isolate and repair as necessary. If fault is not located, and DTC P0231 or P0232 is present, problem is intermittent fuel pump secondary circuit fault. If fault is not located, and DTC P0231 or P0232 is not present, problem cannot be duplicated or identified at this time. Go to CIRCUIT TEST Z  .
    NOTE: A break in step numbering sequence occurs at this point. Procedure skips from step 230) to step 240). No test procedures have been omitted.
  94. 240) Check Cooling Fan Operation

    During operational check of both fan speeds, if fan did not operate at any speed, stay in Output Test Mode and go to next step. If fan only operated at one fan speed, go to step 250).
  95. 241) Cooling Fan Does Not Operate At Any Speed

    Turn ignition on. Disconnect cooling fan motor. Command cooling fan on. Measure voltage between negative battery terminal and power-to-fan circuit terminal at cooling fan wiring harness connector. If voltage is 10 volts or less, go to next step. If voltage is more than 10 volts, go to step 245).
  96. 242) Check B+ Circuit To Fan Relays

    Turn ignition off. Ensure cooling fan is disconnected. Disconnect CCRM. Perform appropriate test:
    • Cougar, Thunderbird Measure voltage between ground and terminals No. 3 and 4 of CCRM wiring harness connector.

      On all models, if each reading is more than 10 volts, go to next step. If any reading is 10 volts or less, fault exists in B+ circuit. Check cooling fan related fuse/fuse links. If fuse/fuse link is blown, check for short to ground in B+ circuit. Repair as necessary. If fuse/fuse link is okay, check for open B+ circuit. Repair as necessary. After repair is completed, perform appropriate procedure:

    • Cougar, Thunderbird Reconnect all components and recheck system operation.
  97. 243) Check Power To Fan(s) Circuit

    Turn ignition off. Ensure CCRM and cooling fan is disconnected. Perform appropriate procedure:
    • Cougar & Thunderbird Measure resistance of power-to-high fan circuit (Brown/Orange wire) between cooling fan wiring harness connector and terminal No. 6 at CCRM wiring harness connector. Also measure resistance of power-to-low fan circuit (Dark Blue wire) between cooling fan wiring harness connector and terminal No. 2 of CCRM.

    On all models, If each reading is less than 5 ohms, replace CCRM. Reconnect all components and recheck system operation. If any reading is 5 ohms or more, locate and repair open circuit(s) between cooling fan motor and CCRM. After repair is completed, perform appropriate procedure:

    • Cougar & Thunderbird Reconnect all components and recheck system operation.
    NOTE: A break in step numbering sequence occurs at this point. Procedure skips from step 243) to step 245). No test procedures have been omitted.
  98. 245) Check Cooling Fan Ground Circuit

    Turn ignition off. Ensure cooling fan is disconnected. Disconnect NGS scan tester from Data Link Connector (DLC), if applicable. Measure resistance between negative battery terminal and ground circuit terminal at cooling fan wiring harness connector. If resistance is 5 ohms or more, locate and repair open ground circuit. Reconnect all components and recheck system operation. If resistance is less than 5 ohms, replace cooling fan motor.
    NOTE: A break in step numbering sequence occurs at this point. Procedure skips from step 245) to step 250). No test procedures have been omitted.
  99. 250) Determine Which Fan Speed Is Operational

    If low speed fan is functioning properly but high speed fan is inoperative, go to step 265) (Cougar and Thunderbird). If high speed fan is functioning properly but low speed fan is inoperative, go to next step.
  100. 251) Low Speed Cooling Fan Inoperative (Cougar & Thunderbird)

    Turn ignition on. Remain in output test mode. Disconnect cooling fan. Command low speed cooling fan on. Measure resistance between ground circuit terminal and power-to-low fan circuit terminal and cooling fan wiring harness connector. If voltage is more than 10 volts, replace fan motor. Reconnect all components and recheck system operation. If voltage is 10 volts or less, go to step 253) (Cougar and Thunderbird).
    NOTE: A break in step numbering sequence occurs at this point. Procedure skips from step 251) to step 253). No test procedures have been omitted.
  101. 253) Check Power-To-Low Fan Circuit Continuity

    Turn ignition off. Disconnect CCRM. Measure resistance between power-to-fan circuit terminal at cooling fan wiring harness connector and terminals No. 1 and 2 at CCRM wiring harness connector. If both readings are less than 5 ohms, replace CCRM. Reconnect all components and recheck system operation. If any reading is 5 ohms or more, locate and repair open in power-to-fan circuit. Reconnect all components and recheck system operation.
    NOTE: A break in step numbering sequence occurs at this point. Procedure skips from step 253) to step 261). No test procedures have been omitted.
  102. 261) Check For B+ To CCRM

    Turn ignition off. Ensure cooling fan is disconnected. Disconnect CCRM. Measure voltage between ground and terminals No. 8 and 10 at CCRM wiring harness connector. If voltage is more than 10.5 volts, go to next step. If voltage is 10.5 volts or less, check cooling fan related fuses/fuse links. If fuse/fuse link is blown, check for short to ground in B+ circuit. Repair wiring as necessary. After repair is completed, go to step 263). If fuse/fuse link is okay, locate and repair open in B+ circuit.
  103. 262) Check Power-To-High Fan Circuit Continuity

    Measure resistance between power-to-high fan circuit terminal at cooling fan wiring harness connector and terminals No. 1 and 12 at CCRM wiring harness connector. If both readings are less than 5 ohms, replace CCRM. Reconnect all components and recheck system operation. If both readings are 5 ohms or more, locate and repair open circuit. If one reading is more than 5 ohms and one reading is 5 ohms or less, locate and repair open circuit. After repair is completed, go to step 273).
  104. 263) Check Power-To-High Fan Circuit

    Measure resistance between terminals No. 1 and 12 at CCRM wiring harness connector. If resistance is less than 5 ohms, go to step 273). If resistance is 5 ohms or more, locate and repair open circuit. Reconnect all components and recheck system operation.
    NOTE: A break in step numbering sequence occurs at this point. Procedure skips from step 263) to step 265). No test procedures have been omitted.
  105. 265) High Speed Cooling Fan Inoperative (Cougar & Thunderbird)

    With NGS scan tester still connected to Data Link Connector (DLC) and scan tester still in Output Test Mode, disconnect cooling fan. Turn ignition on. Command high speed cooling fan on. Measure voltage between negative battery terminal and power-to-high fan circuit terminal (Brown/Orange wire) at cooling fan wiring harness connector. If voltage is 10.5 volts or less, go to next step. If voltage is more than 10 volts, replace fan motor. Reconnect all components and recheck system operation.
  106. 266) Check Power-To-Fan Circuit Continuity

    Turn ignition off. Disconnect CCRM. Measure resistance of Brown/Orange wire between terminal No. 6 of CCRM wiring harness connector and cooling fan wiring harness connector. If resistance is less than 5 ohms, replace CCRM. Reconnect all components and recheck system operation. If resistance is 5 ohms or more, locate and repair open in Brown/Orange wire. Reconnect all components and recheck system operation.
    NOTE: A break in step numbering sequence occurs at this point. Procedure skips from step 266) to step 272). No test procedures have been omitted.
  107. 272) Check Power-To-Fan Continuity

    Measure resistance between terminals No. 1 and 12 at CCRM wiring harness connector. If resistance is less than 5 ohms, go to next step. If resistance is 5 ohms or more, locate and repair open in power-to-fan circuit. Reconnect all components and recheck system operation.
  108. 273) Check HFC Relays

    Connect a jumper wire between positive battery terminal and terminal No. 13 at CCRM wiring harness connector. Connect another jumper wire between negative battery terminal and terminal No. 17 at CCRM. Measure resistance between terminals No. 1 and 2 and between terminals No. 3 and 4 at CCRM. Also measure resistance between terminal No. 12 and terminals No. 8, 10 and 24 at CCRM. If all readings are less than 5 ohms, both HFC relays are okay. Reconnect all components and recheck system operation. If any reading is 5 ohms or more, replace CCRM. Reconnect all components and recheck system operation.
    NOTE: A break in step numbering sequence occurs at this point. Procedure skips from step 273) to step 275). No test procedures have been omitted.
    NOTE: For 2-speed fan applications, the A/C Pressure Switch (ACPSW) must also be checked.
  109. 275) Cooling Fan Always Runs

    Turn all accessories off. Turn ignition on. Verify that cooling fan is always on. Turn ignition off. Disconnect CCRM. Turn ignition on. If cooling fan is off, replace CCRM and recheck system operation. If cooling fan is still on, go to next step.
  110. 276) Check Fan Operation With PCM Disconnected

    Turn ignition off. Disconnect CCRM. Disconnect PCM connector. Clean or repair connector as necessary. Turn ignition on. If cooling fan is off, replace PCM. Reconnect all components and recheck system operation. If cooling fan is still on, go to next step.
  111. 277) Check For Short To Power

    Turn ignition off. Ensure CCRM is disconnected. Disconnect PCM. Disconnect cooling fan motor. Turn ignition on. Check voltage between ground and power-to-low fan circuit terminal and power-to-high fan circuit terminal at cooling fan wiring harness connector. If either reading is one volt or more, locate and repair short to power. If both readings are less than one volt, no fault is indicated at this time. Reconnect all components and recheck system operation.