LEMON Manuals: Even more car manuals for everyone: 1960-2025
Home >> Ford >> 1995 >> Explorer 2D Utility, RWD, Automatic >> Repair and Diagnosis >> External Pages >> Different car >> Section 80 (Engine Controls - System/Component Tests) >> Computerized Engine Controls >> Relays >> Fuel Pump Relay
April 5, 2026: LEMON Manuals is launched! Read the announcement.

Fuel Pump Relay

WARNING: This page is about a different car, the 1995 Mazda B4000, 1995 Mazda B3000, and 1995 Mazda B2300. However, it is still accessible from the selected car via links, so may be relevant.

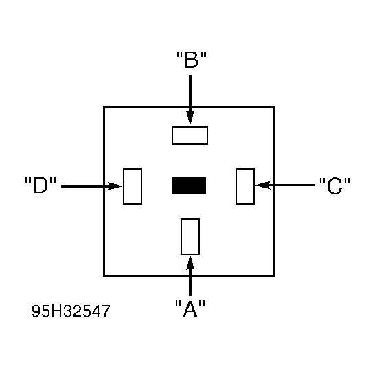
Remove relay from vehicle. Connect battery voltage to terminal "C". See Fig 1 . Ground terminal "D". Check continuity between terminals "A" and "B". Continuity should exist with power applied. Continuity should not exist with power removed.

Fig 1: Testing EEC Power & Fuel Pump Relays
G95H32547Courtesy of MAZDA MOTORS CORP.