LEMON Manuals: Even more car manuals for everyone: 1960-2025
Home >> Ford >> 1995 >> Ranger 2WD V6-182 3.0L >> Repair and Diagnosis >> Diagrams >> Electrical Diagrams >> General Module >> Generic Electronic Module
April 5, 2026: LEMON Manuals is launched! Read the announcement.

Generic Electronic Module

GEM Power And Ground System:





Warning Lamps And Chimes Part 1 Of 2:





Warning Lamps And Chimes Part 2 Of 2:





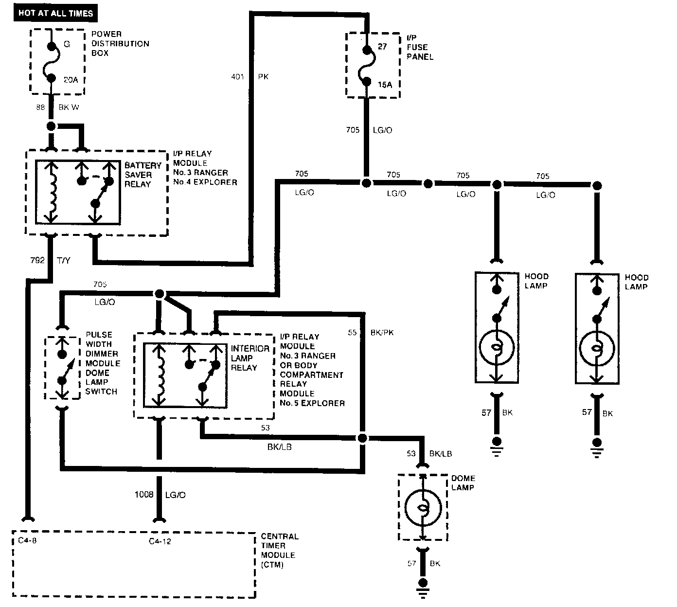
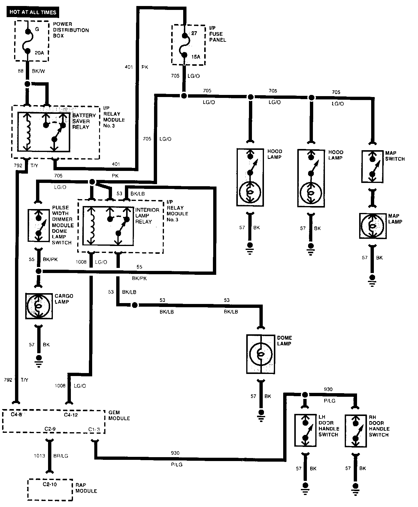
Battery Saver, Illuminated Entry And Interior Lamps:





Battery Saver And Interior Illumination:





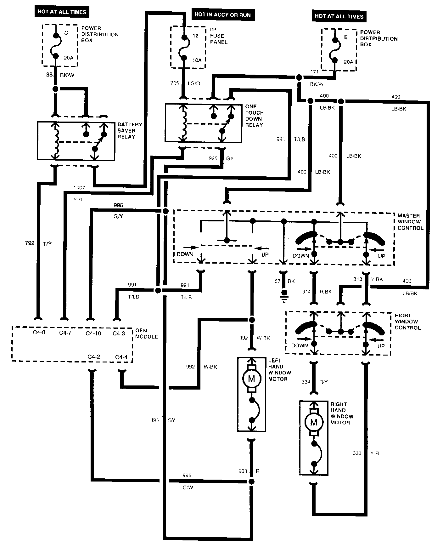
One Touch Power Windows:





Front Wiper/Washer System:





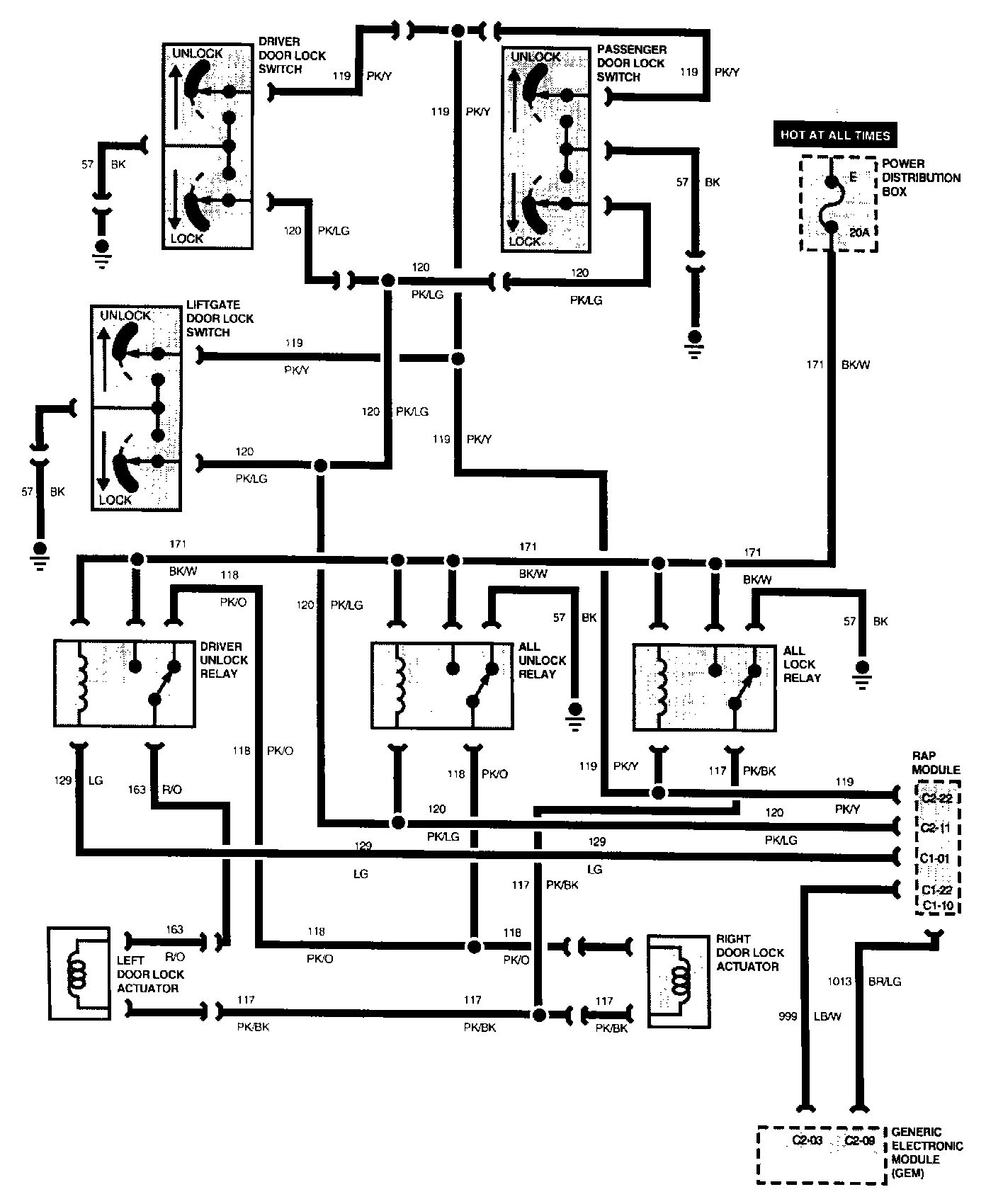
Power Locks With Remote Keyless Entry:





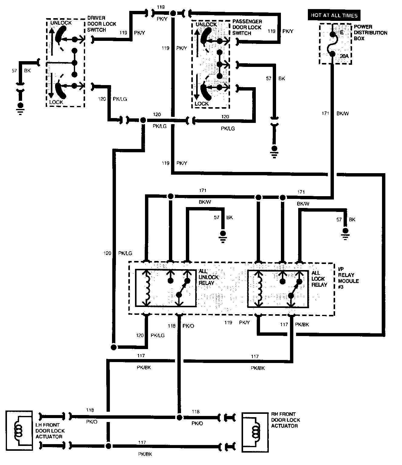
Power Locks Without Remote Keyless Entry: