LEMON Manuals: Even more car manuals for everyone: 1960-2025
Home >> Ford >> 1996 >> Aerostar 2WD V6-182 3.0L >> Repair and Diagnosis >> Powertrain Management >> Computers and Control Systems >> Air Flow Meter/Sensor >> Service and Repair
April 5, 2026: LEMON Manuals is launched! Read the announcement.

Air Flow Meter/Sensor: Service and Repair

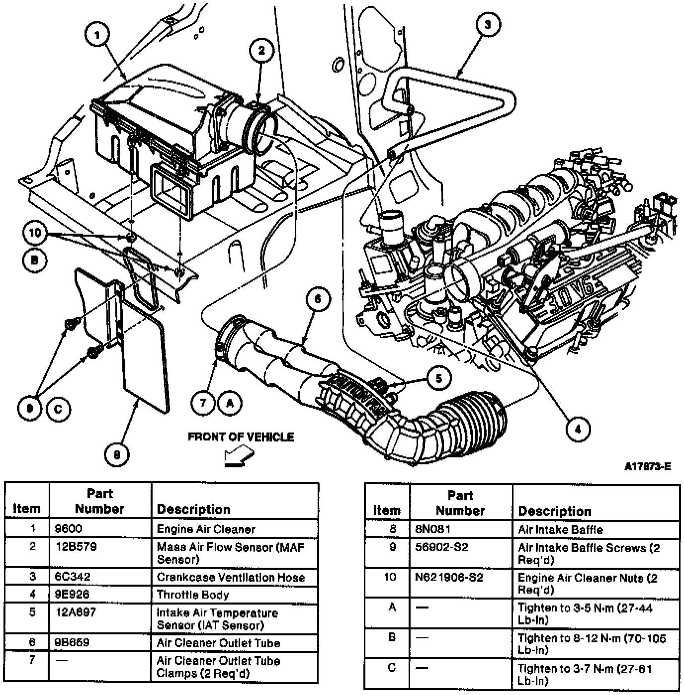
Mass Air Flow (MAF) Sensor:






REMOVAL
1. Loosen the air cleaner outlet tube clamp at the Mass Air Flow (MAF) sensor and remove the air cleaner outlet tube from the MAF sensor.
2. Disconnect MAF sensor electrical connector.
3. Remove four MAF sensor nuts.
4. Remove the MAF sensor and discard the gasket.

INSTALLATION
1. Clean the sealing surfaces of the engine air cleaner and MAF sensor.
2. Position MAF sensor and new gasket to the engine air cleaner.
3. Install four MAF sensor nuts and tighten to 10 Nm (88 lb in).
4. Connect MAF sensor electrical connector.
5. Install the air cleaner outlet tube and tighten the air cleaner outlet tube clamps to 2-3 Nm (18-27 lb in).
6. Start the engine and check for air leaks and proper MAF sensor operation.