LEMON Manuals: Even more car manuals for everyone: 1960-2025
Home >> Ford >> 1996 >> Aspire L4-81 1.3L SOHC >> Repair and Diagnosis >> Diagrams >> Connector Views >> Engine Control Module >> Block Diagrams and Connector Pin Usage
April 5, 2026: LEMON Manuals is launched! Read the announcement.

Block Diagrams and Connector Pin Usage

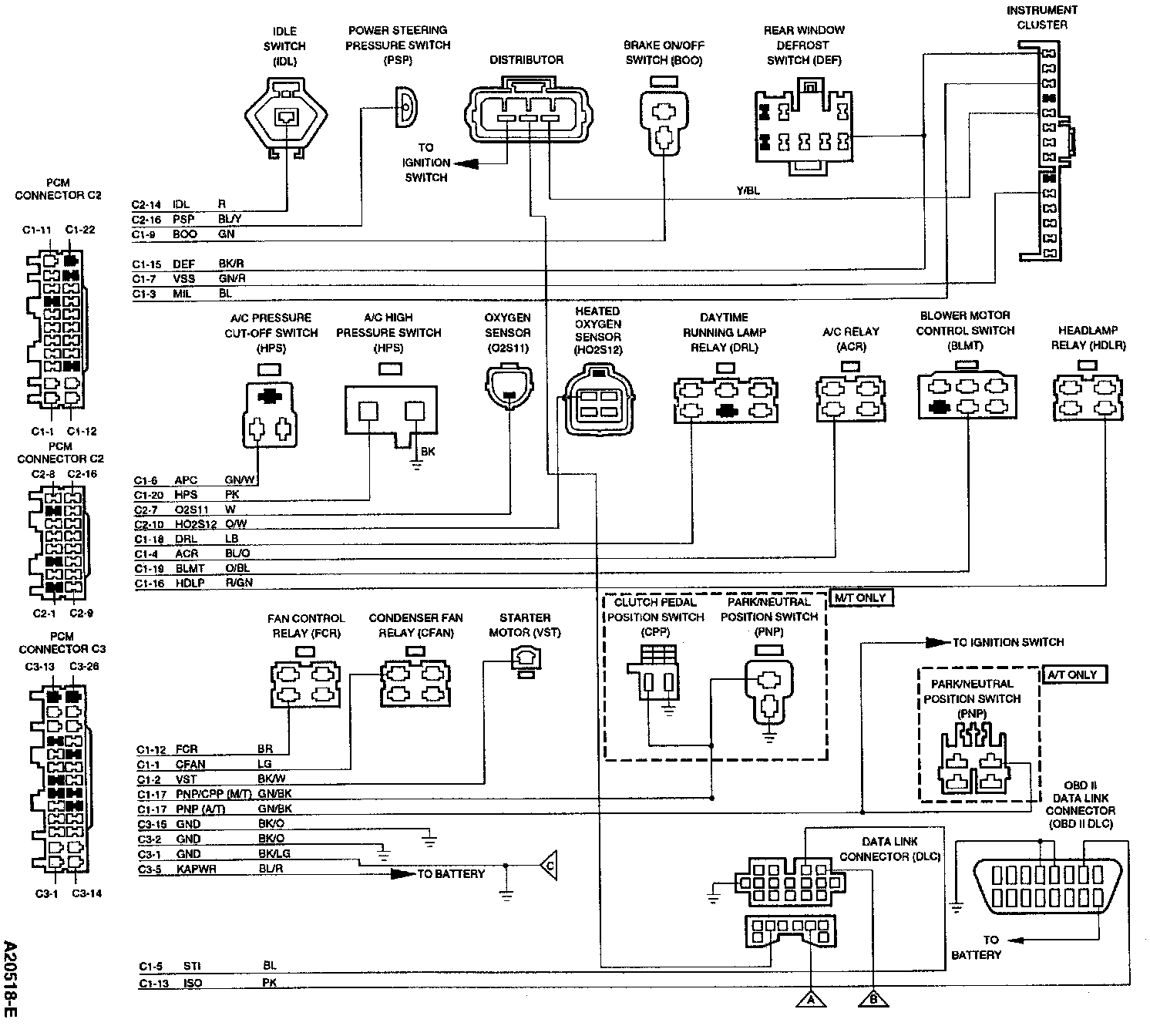
Electrical Schematic:




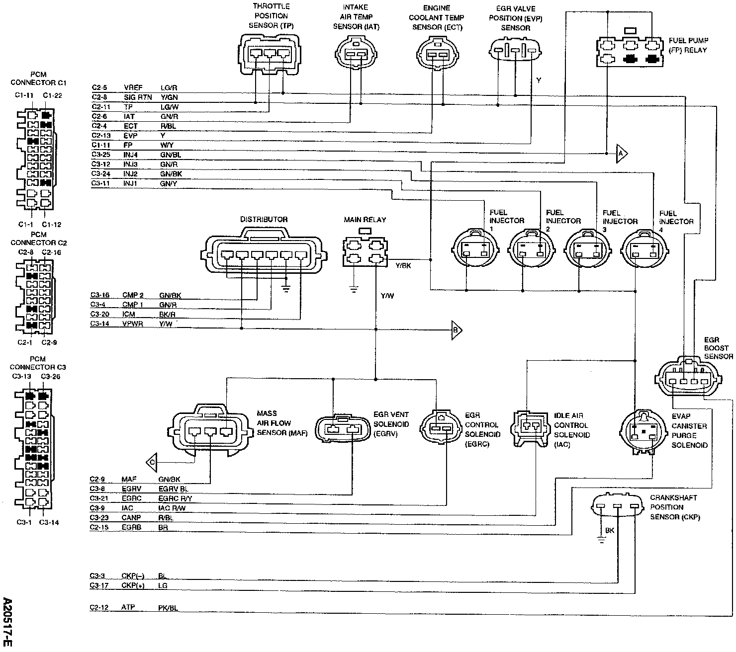
Electrical Schematics:




Powertrain Control Module (PCM) Connector Pin Usage:




Powertrain Control Module (PCM) Connector Pin Usage: