LEMON Manuals: Even more car manuals for everyone: 1960-2025
Home >> Ford >> 1996 >> Explorer 2D Utility, AWD >> Repair and Diagnosis >> External Pages >> Different car >> Section 11 (Engine Controls - Tests W/Codes) >> Trouble Code Charts >> Code 1: Ignition Signal
April 5, 2026: LEMON Manuals is launched! Read the announcement.

Code 1: Ignition Signal

WARNING: This page is about a different car, the 1995 Mazda MX-5 Miata. However, it is still accessible from the selected car via links, so may be relevant.
Fig 1: Trouble Code No. 1 Ignition Signal
G95J31475
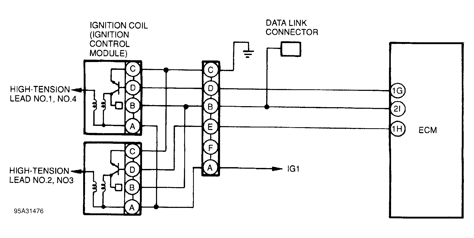
Fig 2: Trouble Code No. 1 Ignition System Circuit Diagram
G95A31476