LEMON Manuals: Even more car manuals for everyone: 1960-2025
Home >> Ford >> 1996 >> Explorer 2D Utility, AWD >> Repair and Diagnosis >> External Pages >> Different car >> Section 40 (Engine Controls - Tests W/Codes) >> Trouble Code Charts >> Code 10: Intake Air Temperature Sensor - In Volume Air Flow Sensor
April 5, 2026: LEMON Manuals is launched! Read the announcement.

Code 10: Intake Air Temperature Sensor - In Volume Air Flow Sensor

WARNING: This page is about a different car, the 1995 Mazda 929. However, it is still accessible from the selected car via links, so may be relevant.
Fig 1: Trouble Code No. 10 Intake Air Temperature Sensor - In Volume Air Flow Sensor
G95B31972
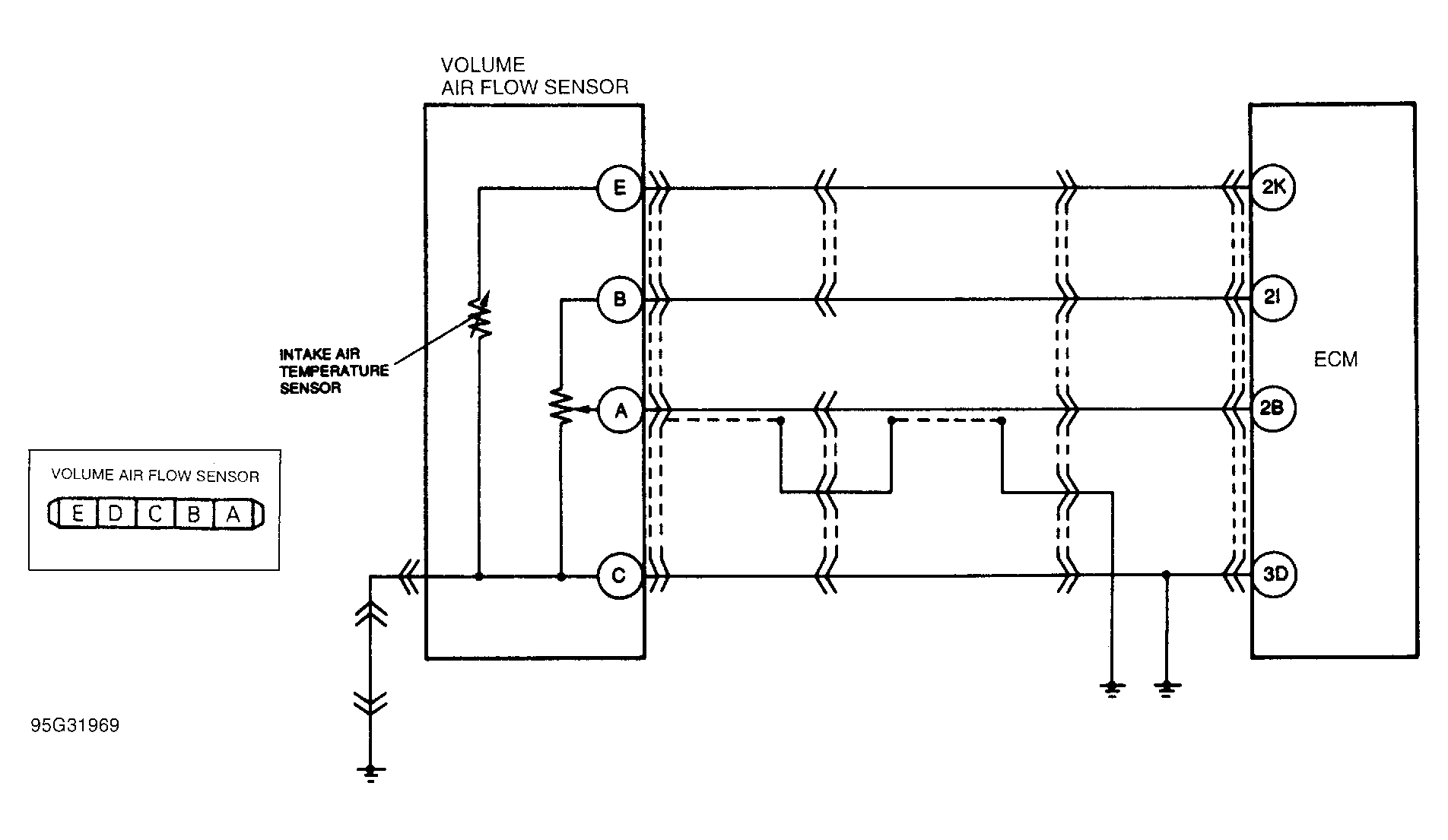
Fig 2: Trouble Code No. 10 Volume Air Flow Sensor Circuit Diagram
G95G31969