LEMON Manuals: Even more car manuals for everyone: 1960-2025
Home >> Ford >> 1996 >> Explorer 2D Utility, AWD >> Repair and Diagnosis >> External Pages >> Different car >> Section 40 (Engine Controls - Tests W/Codes) >> Trouble Code Charts >> Code 12: Throttle Position Sensor
April 5, 2026: LEMON Manuals is launched! Read the announcement.

Code 12: Throttle Position Sensor

WARNING: This page is about a different car, the 1995 Mazda 929. However, it is still accessible from the selected car via links, so may be relevant.
Fig 1: Trouble Code No. 12 Throttle Position Sensor
G95E31975
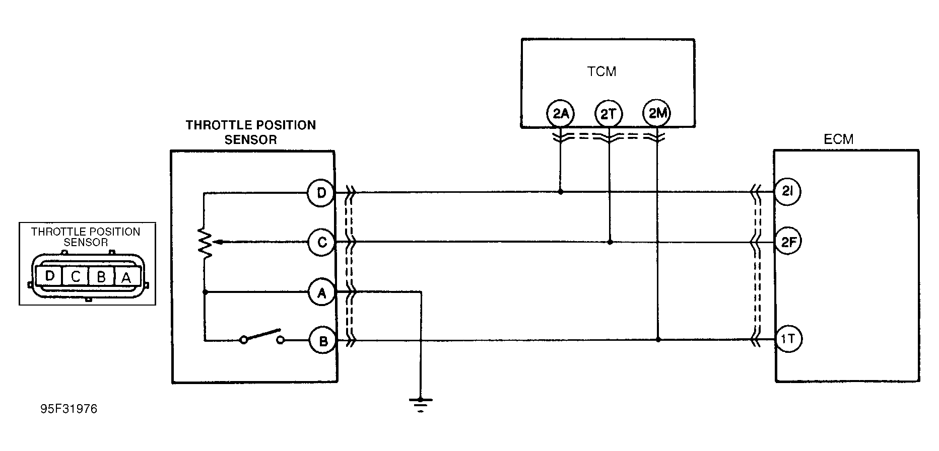
Fig 2: Trouble Code No. 12 Throttle Position Sensor Circuit Diagram
G95F31976