LEMON Manuals: Even more car manuals for everyone: 1960-2025
Home >> Ford >> 1996 >> Explorer 2D Utility, AWD >> Repair and Diagnosis >> External Pages >> Different car >> Section 40 (Engine Controls - Tests W/Codes) >> Trouble Code Charts >> Code 17 & 24: Left/Right Closed Loop System
April 5, 2026: LEMON Manuals is launched! Read the announcement.

Code 17 & 24: Left/Right Closed Loop System

WARNING: This page is about a different car, the 1995 Mazda 929. However, it is still accessible from the selected car via links, so may be relevant.
Fig 1: Trouble Code No. 17/24 Left/Right Closed Loop System (1 Of 2)
G95D31982
Fig 2: Trouble Code No. 17/24 Left/Right Closed Loop System (2 OF 2)
G95E31983
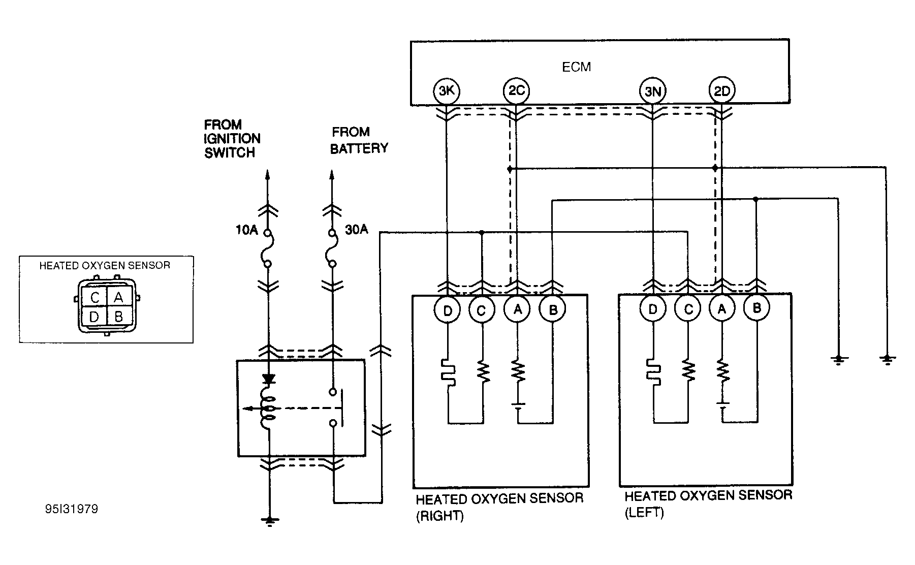
Fig 3: Trouble Code No. 17/24 Heated Oxygen Sensor Circuit Diagram
G95I31979