LEMON Manuals: Even more car manuals for everyone: 1960-2025
Home >> Ford >> 1996 >> Probe V6-153 2.5L DOHC >> Repair and Diagnosis >> Powertrain Management >> Computers and Control Systems >> Engine Control Module >> Diagrams >> Connector Views >> Block Diagrams and Connector Pin Usage >> With Manual Transaxle
April 5, 2026: LEMON Manuals is launched! Read the announcement.

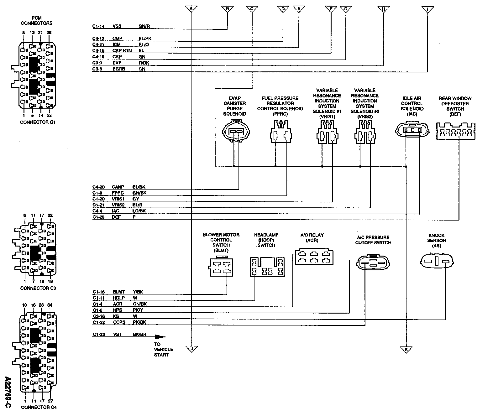
With Manual Transaxle

Electrical Schematic:




Electrical Schematic:




Electrical Schematic:




Powertrain Control Module (PCM) Connector Pin Usage:




Powertrain Control Module (PCM) Connector Pin Usage:




Powertrain Control Module (PCM) Connector Pin Usage: