LEMON Manuals: Even more car manuals for everyone: 1960-2025
Home >> Ford >> 1996 >> Taurus V6-182 3.0L FF >> Repair and Diagnosis >> Diagrams >> Connector Views >> Integrated Control Relay Module
April 5, 2026: LEMON Manuals is launched! Read the announcement.

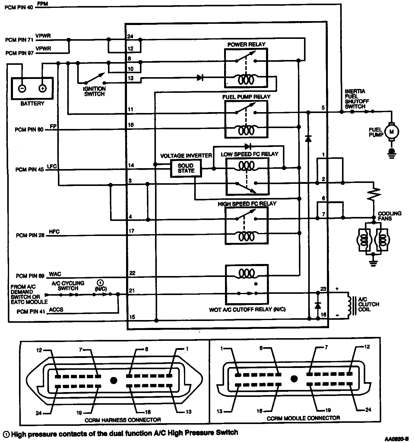
Integrated Control Relay Module