LEMON Manuals: Even more car manuals for everyone: 1960-2025
Home >> Ford >> 1997 >> Probe Base, Standard >> Repair and Diagnosis >> External Pages >> Different car >> Section 47 (Wiper System & Washer System) >> Component Testing >> Wiper Motor >> Front Motor
April 5, 2026: LEMON Manuals is launched! Read the announcement.

Front Motor

WARNING: This page is about a different car, the 1997 Mercury Tracer and 1997 Ford Escort. However, it is still accessible from the selected car via links, so may be relevant.
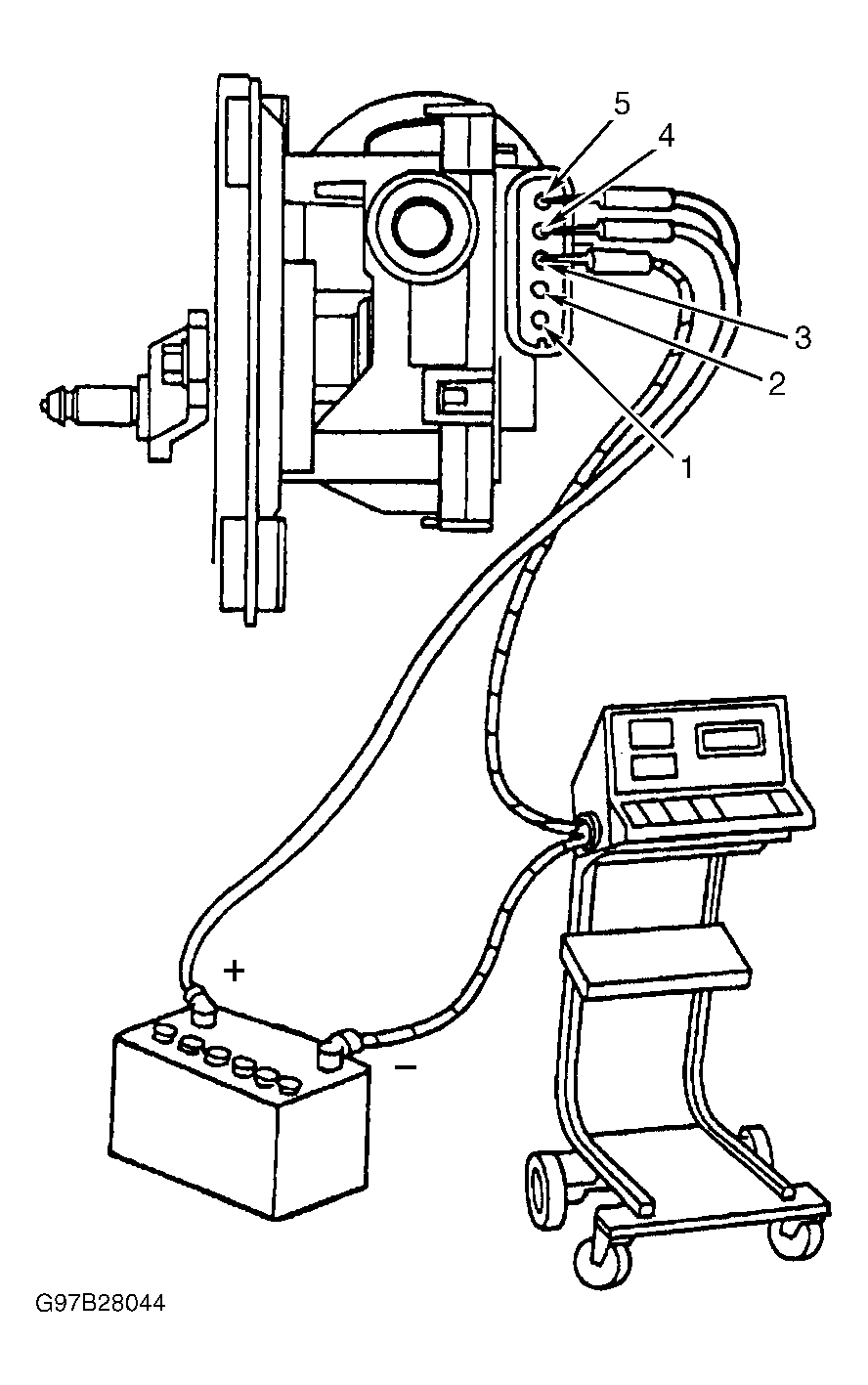
  1. Turn ignition off. Disengage wiper arm linkage and wiring harness from wiper motor. Connect Alternator, Regulator, Battery and Starter Tester (ARBST 010-00725) Green test lead to negative battery terminal. Connect Red test lead to wiper motor terminal No. 3. Connect fused jumper wire between positive battery terminal wiper motor terminal No. 4 (low speed) or terminal No. 5 (high speed). See Fig 1 .
  2. With jumper wire connected to terminal No. 4, motor should operate at low speed, drawing a maximum of 3.5 amps. With jumper wire connected to terminal No. 5, motor should operate at high speed, drawing a maximum of 5.5 amps. If motor does not operate or motor draw exceeds maximum specification, replace wiper motor.
Fig 1: Testing Wiper Motor (Front)
G97B28044Courtesy of FORD MOTOR CO.