LEMON Manuals: Even more car manuals for everyone: 1960-2025
Home >> Ford >> 1998 >> Escort L4-122 2.0L SOHC >> Repair and Diagnosis >> Diagrams >> Electrical Diagrams >> Powertrain Management >> Fuel Delivery and Air Induction >> Integrated Control Relay Module >> Constant Control Relay Module (CCRM) Internal Schematic
April 5, 2026: LEMON Manuals is launched! Read the announcement.

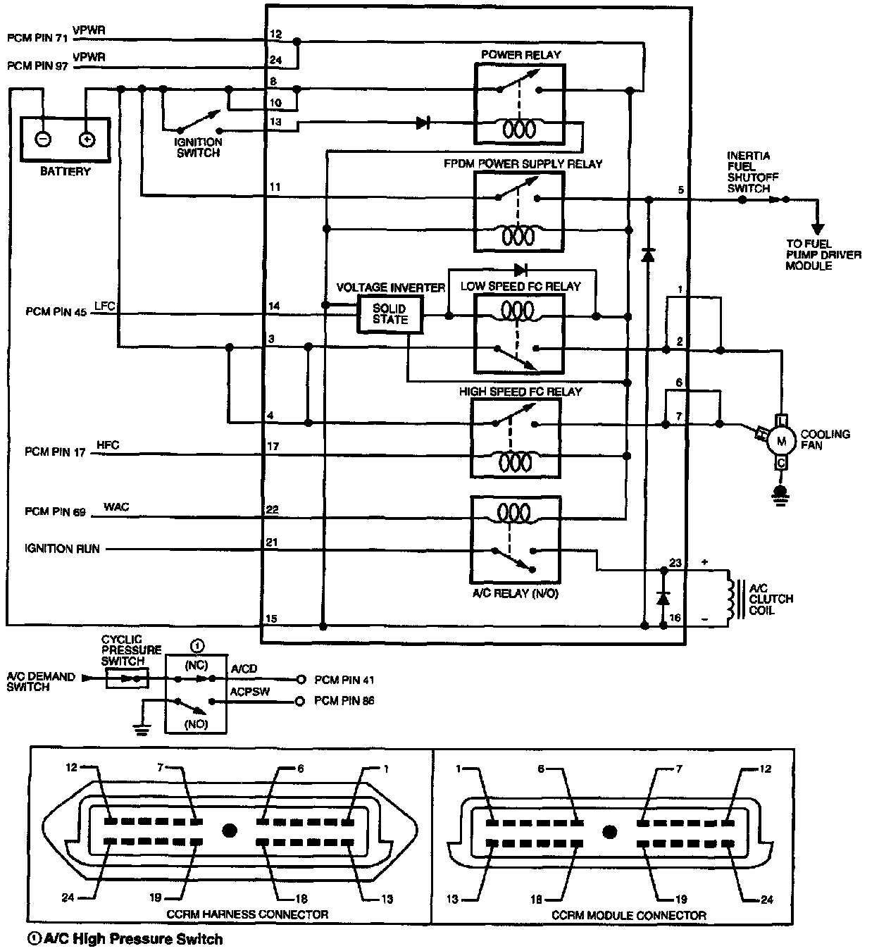
Constant Control Relay Module (CCRM) Internal Schematic