LEMON Manuals: Even more car manuals for everyone: 1960-2025
Home >> Ford >> 1998 >> Explorer 2D Utility, 4.0 X, AWD >> Repair and Diagnosis >> Body & Frame >> Windows >> Power Window System >> System Testing >> Test G: One-Touch Down Feature Does Not Operate
April 5, 2026: LEMON Manuals is launched! Read the announcement.

Test G: One-Touch Down Feature Does Not Operate

NOTE: This test is associated with DTCs B1398, B1400 and B1342.
  1. Check Ignition States  - Turn ignition off. Using NGS tester, access GEM PID IGN_GEM. Monitor GEM PID IGN_GEM PID while rotating ignition switch through START, RUN, OFF and ACC positions. If GEM PID IGN_GEM values agree with ignition switch positions, go to next step. If GEM PID IGN_GEM values do not agree with ignition switch positions, repair or replace ignition switch and retest system operation.
  2. Retrieve DTCs  - Using NGS tester, retrieve and record continuous DTCs. Clear continuous DTCs and perform GEM On-Demand Self-Test. If no DTCs are retrieved, go to next step. If DTCs B1398 and/or B1400 are retrieved, go to next step. If DTC B1342 is present, replace GEM. Clear DTCs and retest system operation.
  3. Check One-Touch Down Relay Coil Circuit  - Turn ignition switch to RUN position. Using NGS tester, access GEM active command ACCY RLY. Trigger GEM active command mode ACCY RLY on. Monitor GEM PID D_PWRLY while triggering active command ONE TOUCH on and off. If GEM PID D_PWRLY value agrees with command mode, go to step 9). If NGS tester indicates OFFO-G, go to next step. If NGS tester indicates ON-B-, go to step 7).
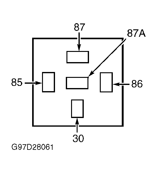
  4. Check One-Touch Down Relay  - Turn ignition off. Check one-touch down relay. See BATTERY SAVER & ONE-TOUCH DOWN RELAY  under COMPONENT TESTS. If one-touch down relay is okay, go to next step. If one-touch down relay does not test as specified, replace one-touch down relay. Clear DTCs and retest system operation.
  5. Check Light Blue/Black Wire For Open  - Turn ignition off. Remove accessory delay relay and one-touch down relay from relay module located behind center of instrument panel. Using an ohmmeter, check resistance in Light Blue/Black wire between accessory delay relay connector terminal No. 30 and one-touch down relay connector terminal No. 2. See Figure and Figure . If resistance is less than 5 ohms, go to next step. If resistance is 5 ohms or more, repair open in Light Blue/Black wire. Clear DTCs and retest system operation.
  6. Check Yellow/Red Wire For Open  - Disconnect 18-pin GEM connector C283 (located behind center of instrument panel). Using an ohmmeter, check resistance in Yellow/Red wire between one-touch down relay connector terminal No. 1 and 18-pin GEM connector C283 terminal No. 7. See Figure and Figure . If resistance is less than 5 ohms, replace GEM. Clear DTCs and retest system operation. If resistance is 5 ohms or more, repair open in Yellow/Red wire. Clear DTCs and retest system operation.
  7. Check One-Touch Down Relay  - Turn ignition off. Check one-touch down relay. See BATTERY SAVER & ONE-TOUCH DOWN RELAY  under COMPONENT TESTS. If one-touch down relay is okay, go to next step. If one-touch down relay does not test as specified, replace one-touch down relay. Clear DTCs and retest system operation.
  8. Check Yellow/Red Wire For Short To Power  - Turn ignition off. Disconnect 18-pin GEM connector C283 (located behind center of instrument panel). Turn ignition switch to RUN position. Using a voltmeter, check voltage between ground and one-touch down relay connector terminal No. 1 (Yellow/Red wire). If any voltage is present, repair short to power in Yellow/Red wire. Clear DTCs and retest system operation. If no voltage is present, replace GEM. Clear DTCs and retest system operation.
  9. Check One-Touch Down Relay  - Turn ignition off. Check one-touch down relay. See BATTERY SAVER & ONE-TOUCH DOWN RELAY  under COMPONENT TESTS. If one-touch down relay is okay, go to next step. If one-touch down relay does not test as specified, replace one-touch down relay. Clear DTCs and retest system operation.
  10. Check Voltage To Switch Side Of One-Touch Down Relay  - Turn ignition off. Remove one-touch down relay (located in relay module, behind center of instrument panel). Turn ignition switch to RUN position. Using a voltmeter, check voltage between ground and one-touch down relay connector terminal No. 2 (Light Blue/Black wire). Check voltage between ground and one-touch down relay connector terminal No. 5 (Light Blue/Black wire). If both voltage readings are more than 10 volts, go to next step. If either voltage reading is 10 volts or less, repair appropriate Light Blue/Black wire. Clear DTCs and retest system operation.
  11. Check Gray Wire For Open  - Disconnect 18-pin GEM connector C283 (located behind center of instrument panel). Disconnect driver door power window motor connector C504. See POWER WINDOW MOTOR R & I  under REMOVAL & INSTALLATION. Using an ohmmeter, check resistance between 18-pin GEM/CTM connector C283 terminal No. 10 (Gray wire) and driver door power window motor connector C504 Red wire terminal. If resistance is less than 5 ohms, go to next step. If resistance is 5 ohms or more, repair open in Gray wire. Clear DTCs and retest system operation.
  12. Check Orange/White Wire For Open  - Using an ohmmeter, check resistance between 18-pin GEM connector C283 terminal No. 2 (Orange/White wire) and driver door power window motor connector C504 Red wire terminal. If resistance is less than 5 ohms, replace GEM. Clear DTCs and retest system operation. If resistance is 5 ohms or more, repair open in Orange/White wire. Clear DTCs and retest system operation.