LEMON Manuals: Even more car manuals for everyone: 1960-2025
Home >> Ford >> 1999 >> Windstar Base, Van Passenger >> Repair and Diagnosis >> External Pages >> Different car >> Section 1769 (Speed Control) >> Diagnostic Tests >> Speed Control >> Pinpoint Tests >> Pinpoint Test C: Speed Control Switch Stuck Or Circuit Failure >> Pinpoint Test C: Speed Control Switch Stuck Or Circuit Failure
April 5, 2026: LEMON Manuals is launched! Read the announcement.

Pinpoint Test C: Speed Control Switch Stuck Or Circuit Failure

WARNING: This page is about a different car, the 2008 Ford RV Cutaway, 2008 Ford Econoline, 2008 Ford E450 Super Duty, and 2008 Ford Cutaway. However, it is still accessible from the selected car via links, so may be relevant.
CAUTION: Use the correct probe adapter(s) when making measurements. Failure to use the correct probe adapter(s) may damage the connector.
  1. D1 CHECK THE SPEED CONTROL SWITCH 
    • Key in ON position.
    • Enter the following diagnostic mode on the diagnostic tool: PCM DataLogger
    • Press each speed control switch button while monitoring the SCCS (speed control switch) PID.
    • Does the PID value agree with the switch position? 
    1. YES  : The system is operating correctly at this time. CLEAR the DTCs. TEST the system for normal operation.
    2. NO  : If only one switch does not display the proper PID value, INSTALL a new speed control switch. REFER to Speed Control Switch . CLEAR the DTCs. TEST the system for normal operation.

      Other wise Go to  C2.

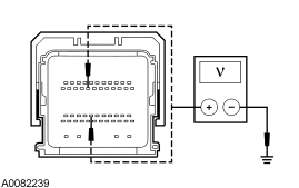
  2. C2 CHECK THE SPEED CONTROL SWITCH CIRCUITRY FOR A SHORT TO VOLTAGE 
    • Key in OFF position.
    • Disconnect: PCM C175b (Gasoline) or C1381b (Diesel)
    • Key in ON position.
    • Turn the parking lamps on.
    • Fig 1: Checking Speed Control Switch Circuitry For A Short To Voltage - Gasoline
      G03883128Courtesy of FORD MOTOR CO.
    • For gasoline vehicles, measure the voltage between the PCM C175b-19, circuit 151 (LB/BK), harness side and ground; and between the PCM C175b-30, circuit 848 (DG/OG), harness side and ground.
    • Fig 2: Checking Speed Control Switch Circuitry For A Short To Voltage - Diesel
      GF0007705Courtesy of FORD MOTOR CO.
    • For diesel vehicles, measure the voltage between the PCM C1381b-31, circuit 151 (LB/BK), harness side and ground; and between the PCM C1381b-24, circuit 848 (DG/OG), harness side and ground.
    • Is any voltage present? 
    1. YES  : TURN the parking lamps off. Go to  C3.
    2. NO  : TURN the parking lamps off. Go to  C5.
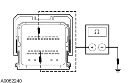
  3. C3 CHECK CIRCUITS 151 (LB/BK) AND 848 (DG/OG) FOR A SHORT TO VOLTAGE 
    • Key in OFF position.
    • Disconnect: Clockspring C218b
    • Key in ON position.
    • Turn the parking lamps on.
    • Fig 3: Checking Circuits 151 (LB/BK) & 848 (DG/OG) For A Short To Voltage - Gasoline
      G03883128Courtesy of FORD MOTOR CO.
    • For gasoline vehicles, measure the voltage between the PCM C175b-19, circuit 151 (LB/BK), harness side and ground; and between the PCM C175b-30, circuit 848 (DG/OG), harness side and ground.
    • Fig 4: Checking Circuits 151 (LB/BK) & 848 (DG/OG) For A Short To Voltage - Diesel
      GF0007705Courtesy of FORD MOTOR CO.
    • For diesel vehicles, measure the voltage between the PCM C1381b-31, circuit 151 (LB/BK), harness side and ground; and between the PCM C1381b-24, circuit 848 (DG/OG), harness side and ground.
    • Is any voltage present? 
    1. YES  : REPAIR the circuit in question. CLEAR the DTCs. REPEAT the self-test.
    2. NO  : TURN the parking lamps off. Go to  C4.
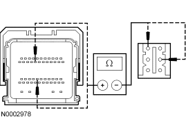
  4. C4 CHECK THE CLOCKSPRING FOR A SHORT TO VOLTAGE 
    • Key in OFF position.
    • Connect: Clockspring C218b
    • Remove the driver air bag module. Refer to SUPPLEMENTAL RESTRAINT SYSTEM article.
    • Disconnect: Upper Clockspring
    • Connect the restraint system diagnostic tool (418-F395) to the upper clockspring air bag connector.
    • WARNING: Make sure no one is in the vehicle and there is nothing blocking or placed in front of any air bag module when the battery is connected. Failure to follow these instructions may result in serious personal injury in the event of an accidental deployment.
    • Connect the battery.
    • Key in ON position.
    • Turn the parking lamps on.
    • Fig 5: Checking Clockspring For A Short To Voltage - Gasoline
      G03883128Courtesy of FORD MOTOR CO.
    • For gasoline vehicles, measure the voltage between the PCM C175b-19, circuit 151 (LB/BK), harness side and ground; and between the PCM C175b-30, circuit 848 (DG/OG), harness side and ground.
    • Fig 6: Checking Clockspring For A Short To Voltage - Diesel
      GF0007705Courtesy of FORD MOTOR CO.
    • For diesel vehicles, measure the voltage between the PCM C1381b-31, circuit 151 (LB/BK), harness side and ground; and between the PCM C1381b-24, circuit 848 (DG/OG), harness side and ground.
    • Is any voltage present? 
    1. YES  : INSTALL a new clockspring. REFER to SUPPLEMENTAL RESTRAINT SYSTEM article. CLEAR the DTCs. REPEAT the self-test.
    2. NO  : INSTALL new speed control switches. REFER to Speed Control Switch . CLEAR the DTCs. REPEAT the self-test.
  5. C5 CHECK THE SPEED CONTROL SWITCH CIRCUITRY FOR A SHORT TO GROUND 
    • Key in OFF position.
    • Fig 7: Checking Speed Control Switch Circuitry For A Short To Ground - Gasoline
      G03883131Courtesy of FORD MOTOR CO.
    • For gasoline vehicles, measure the resistance between the PCM C175b-19, circuit 151 (LB/BK), harness side and ground; and between the PCM C175b-30, circuit 848 (DG/OG), harness side and ground.
    • Fig 8: Checking Speed Control Switch Circuitry For A Short To Ground - Diesel
      GF0007706Courtesy of FORD MOTOR CO.
    • For diesel vehicles, measure the resistance between the PCM C1381b-31, circuit 151 (LB/BK), harness side and ground; and between the PCM C1381b-24, circuit 848 (DG/OG), harness side and ground.
    • Are the resistances greater than 10,000 ohms? 
    1. YES  : Go to  C7.
    2. NO  : Go to  C6.
  6. C6 CHECK THE CLOCKSPRING FOR A SHORT TO GROUND 
    • Remove the driver air bag module. Refer to SUPPLEMENTAL RESTRAINT SYSTEM article.
    • Disconnect: Upper Clockspring
    • Connect the restraint system diagnostic tool (418-F395) to the upper clockspring air bag connector.
    • Fig 9: Checking Clockspring For A Short To Ground - Gasoline
      G03883131Courtesy of FORD MOTOR CO.
    • For gasoline vehicles, measure the resistance between the PCM C175b-19, circuit 151 (LB/BK), harness side and ground; and between the PCM C175b-30, circuit 848 (DG/OG), harness side and ground.
    • Fig 10: Checking Clockspring For A Short To Ground - Diesel
      GF0007706Courtesy of FORD MOTOR CO.
    • For diesel vehicles, measure the resistance between the PCM C1381b-31, circuit 151 (LB/BK), harness side and ground; and between the PCM C1381b-24, circuit 848 (DG/OG), harness side and ground.
    • Are the resistances greater than 10,000 ohms? 
    1. YES  : INSTALL new speed control switches. REFER to Speed Control Switch . CLEAR the DTCs. REPEAT the self-test.
    2. NO  : Go to  C8.
  7. C7 CHECK CIRCUITS 151 (LB/BK) AND 848 (DG/OG) FOR A SHORT TO GROUND 
    • Disconnect: Clockspring C218b
    • Fig 11: Checking Circuits 151 (LB/BK) & 848 (DG/OG) For A Short To Ground - Gasoline
      G03883131Courtesy of FORD MOTOR CO.
    • For gasoline vehicles, measure the resistance between the PCM C175b-19, circuit 151 (LB/BK), harness side and ground; and between the PCM C175b-30, circuit 848 (DG/OG), harness side and ground.
    • Fig 12: Checking Circuits 151 (LB/BK) & 848 (DG/OG) For A Short To Ground - Diesel
      GF0007706Courtesy of FORD MOTOR CO.
    • For diesel vehicles, measure the resistance between the PCM C1381b-31, circuit 151 (LB/BK), harness side and ground; and between the PCM C1381b-24, circuit 848 (DG/OG), harness side and ground.
    • Are the resistances greater than 10,000 ohms? 
    1. YES  : INSTALL a new clockspring. REFER to SUPPLEMENTAL RESTRAINT SYSTEM article. CLEAR the DTCs. REPEAT the self-test.
    2. NO  : REPAIR the circuit in question. INSTALL the driver air bag module. REFER to SUPPLEMENTAL RESTRAINT SYSTEM article. CLEAR the DTCs. REPEAT the self-test.
  8. C8 CHECK THE SPEED CONTROL SWITCH CIRCUITRY FOR AN OPEN 
    • For gasoline vehicles, measure the resistance between the PCM C175b-19, circuit 151 (LB/BK), harness side and the PCM C175b-30, circuit 848 (DG/OG), harness side.
    • Fig 13: Checking Speed Control Switch Circuitry For An Open
      GF0007707Courtesy of FORD MOTOR CO.
    • For diesel vehicles, measure the resistance between the PCM C1381b-31, circuit 151 (LB/BK), harness side and the PCM C1381b-24, circuit 848 (DG/OG), harness side.
    • Is the resistance between 4,270 and 4,353 ohms? 
    1. YES  : Go to  C11.
    2. NO  : Go to  C9.
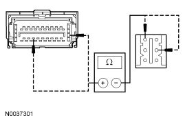
  9. C9 CHECK CIRCUITS 151 (LB/BK) AND 848 (DG/OG) FOR AN OPEN 
    • Disconnect: Clockspring C218b
    • Fig 14: Checking Circuits 151 (LB/BK) & 848 (DG/OG) For An Open - Gasoline
      GF0012561Courtesy of FORD MOTOR CO.
    • For gasoline vehicles, measure the resistance between the PCM C175b-19, circuit 151 (LB/BK), harness side and the clockspring C218b-6, circuit 151 (LB/BK), harness side; and between the PCM C175b-30, circuit 848 (DG/OG), harness side and the clockspring C218b-2, circuit 848 (DG/OG), harness side.
    • Fig 15: Checking Circuits 151 (LB/BK) & 848 (DG/OG) For An Open - Diesel
      GF0012562Courtesy of FORD MOTOR CO.
    • For diesel vehicles, measure the resistance between the PCM C1381b-31, circuit 151 (LB/BK), harness side and the clockspring C218b-6, circuit 151 (LB/BK), harness side; and between the PCM C1381b-24, circuit 848 (DG/OG), harness side and the clockspring C218b-2, circuit 848 (DG/OG), harness side.
    • Is the resistance less than 5 ohms? 
    1. YES  : Go to  C10.
    2. NO  : REPAIR the circuit in question. CLEAR the DTCs. REPEAT the self-test.
  10. C10 CHECK THE CLOCKSPRING 
    • Remove the driver air bag module. Refer to SUPPLEMENTAL RESTRAINT SYSTEM article.
    • Disconnect: Upper Clockspring
    • Fig 16: Checking Clockspring
      GF0012563Courtesy of FORD MOTOR CO.
    • Measure the resistance between the clockspring C218b pin 6, component side and the upper clockspring pin 1, component side; and between the clockspring C218b pin 2, component side and the upper clockspring pin 2, component side.
    • Are the resistances less than 5 ohms? 
    1. YES  : INSTALL new speed control switches. REFER to Speed Control Switch . TEST the system for normal operation.
    2. NO  : INSTALL a new clockspring. REFER to SUPPLEMENTAL RESTRAINT SYSTEM article. CLEAR the DTCs. REPEAT the self-test.
  11. C11 CHECK FOR CORRECT PCM OPERATION 
    • Disconnect all the PCM connectors.
    • Check for:
      • corrosion
      • damaged pins
      • pushed-out pins
    • Connect all the PCM connectors and make sure they are seated correctly.
    • Operate the system and verify the concern is still present.
    • Is the concern still present? 
    1. YES  : INSTALL a new PCM. REFER to ELECTRONIC ENGINE CONTROLS - GASOLINE ENGINES article or ELECTRONIC ENGINE CONTROLS - DIESEL ENGINE article. TEST the system for normal operation.
    2. NO  : The system is operating correctly at this time. The concern may have been caused by a loose or corroded connector. CLEAR the DTCs. REPEAT the self-test.