LEMON Manuals: Even more car manuals for everyone: 1960-2025
Home >> Ford >> 2000 >> Contour SVT >> Repair and Diagnosis >> External Pages >> Different car >> Section 1263 (Engine - 3.9) >> In-Vehicle Repair >> Engine Front Cover >> Notes
April 5, 2026: LEMON Manuals is launched! Read the announcement.

Engine Front Cover: Notes

WARNING: This page is about a different car, the 2005 Lincoln LS. However, it is still accessible from the selected car via links, so may be relevant.
ENGINE FRONT COVER MATERIAL SPECIFICATION

Item Specification
Metal Surface Cleaner ZC-21 WSE-M5B392-A
Silicone Gasket and Sealant TA-30 or equivalent WSE-M4G323-A4
SAE 5W-20 Premium Synthetic Blend Motor Oil XO-5W20-QSP WSS-M2C930-A
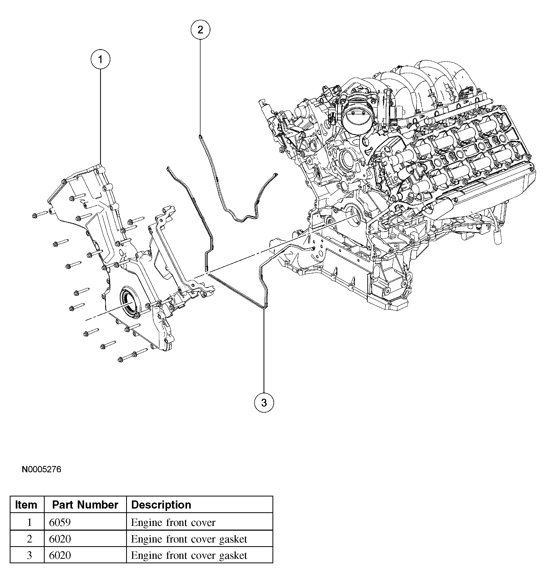
Fig 1: Identifying Components Of Engine Front Cover
G03996320Courtesy of FORD MOTOR CO.