LEMON Manuals: Even more car manuals for everyone: 1960-2025
Home >> Ford >> 2000 >> Contour SVT >> Repair and Diagnosis >> External Pages >> Different car >> Section 1384 (HVAC Control System - General Information & Diagnostics) >> Diagnosis And Testing >> Climate Control System >> Vacuum Schematic - Electronic Automatic Temperature Control >> Notes
April 5, 2026: LEMON Manuals is launched! Read the announcement.

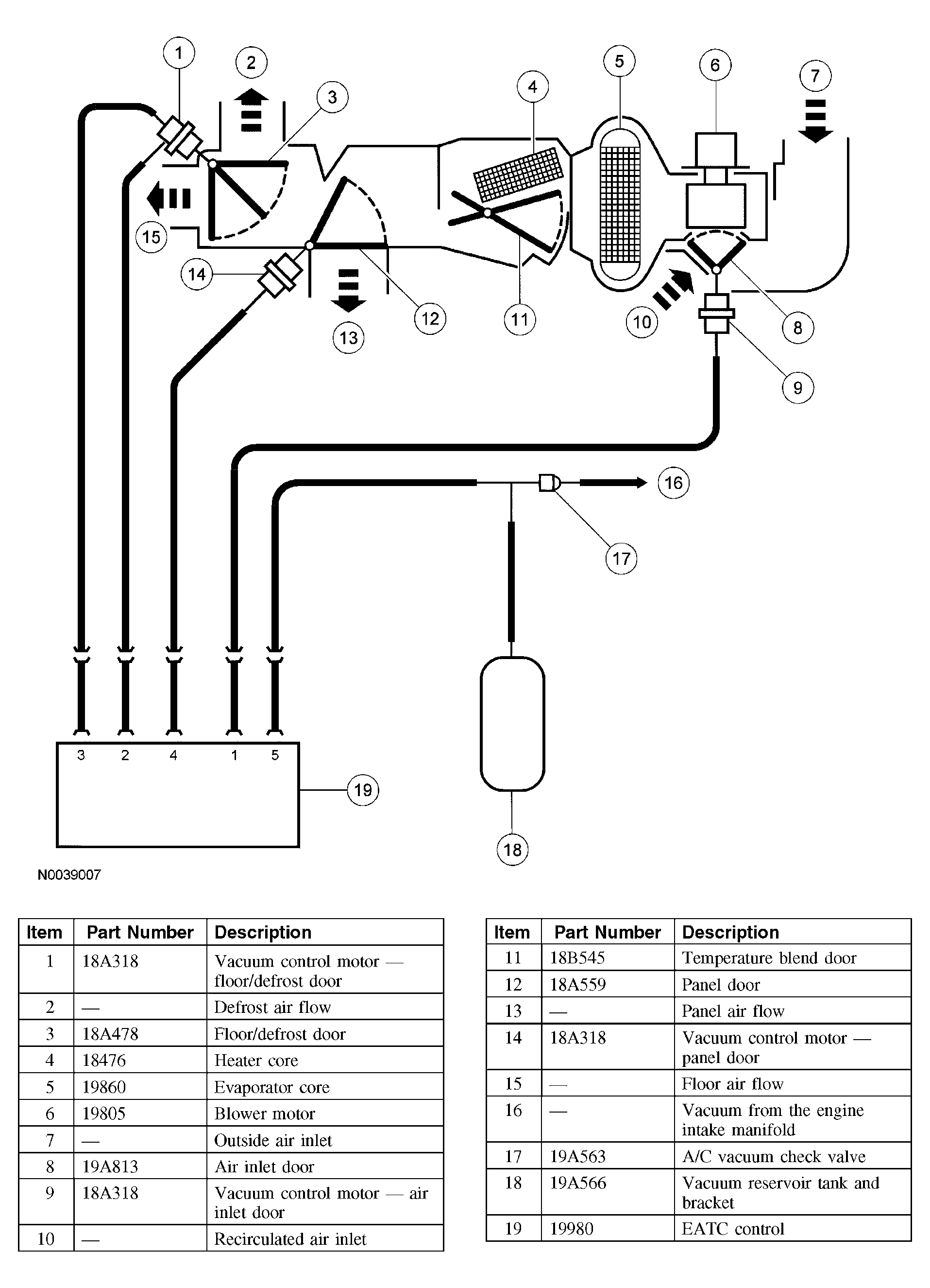
Vacuum Schematic - Electronic Automatic Temperature Control: Notes

WARNING: This page is about a different car, the 2006 Mercury Grand Marquis and 2006 Ford Crown Victoria. However, it is still accessible from the selected car via links, so may be relevant.
Fig 1: Vacuum Schematic Diagram - Electronic Automatic Temperature Control
G04584992Courtesy of FORD MOTOR CO.