LEMON Manuals: Even more car manuals for everyone: 1960-2025
Home >> Ford >> 2000 >> Contour SVT >> Repair and Diagnosis >> External Pages >> Different car >> Section 1425 (Component Testing) >> Component Testing >> Lumbar adjust switch, left front >> Schematic
April 5, 2026: LEMON Manuals is launched! Read the announcement.

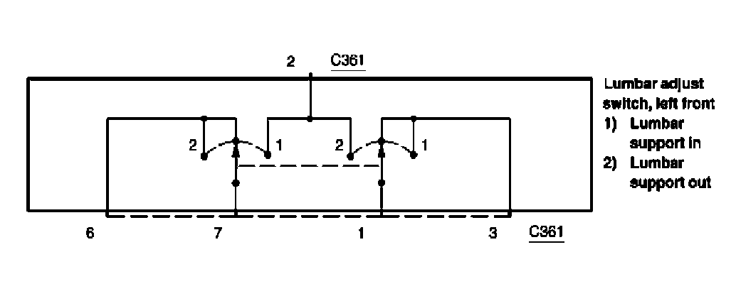
Lumbar adjust switch, left front: Schematic

WARNING: This page is about a different car, the 2006 Lincoln Town Car. However, it is still accessible from the selected car via links, so may be relevant.
Fig 1: Lumbar Adjust Switch, Left Front - Schematic Diagram
G04598233Courtesy of FORD MOTOR CO.