LEMON Manuals: Even more car manuals for everyone: 1960-2025
Home >> Ford >> 2000 >> Focus Sony Limited Edition >> Repair and Diagnosis >> External Pages >> Different car >> Section 609 (Electronic Feature) >> Diagnosis And Testing >> Navigation System >> Symptom Chart >> Pinpoint Test K: DTC B2633 Driver - Front Microphone Circuit Failure >> Overview
April 5, 2026: LEMON Manuals is launched! Read the announcement.

Pinpoint Test K: DTC B2633 Driver - Front Microphone Circuit Failure: Overview

WARNING: This page is about a different car, the 2004 Lincoln LS. However, it is still accessible from the selected car via links, so may be relevant.

Test Step 

  1. K1 CHECK VOICE SIGNAL FROM THE MICROPHONE 
    • Key in OFF position.
    • Disconnect: Navigation System Module C4209.
    • Key in ON position.
    • Measure the voltage between the navigation system module C4209-7, circuit 8-MC8 (WH/RD), harness side and between the navigation system module C4209-19, 9-MC8 (BN/RD), harness side while speaking loudly into the rear view mirror microphone.
      Fig 1: Checking Voice Signal From Microphone
      G03203350Courtesy of FORD MOTOR CO.
    • Is any AC voltage indicated? 

    Result / Action to Take 

    1. Yes  : GO to  K6.
    2. No  : GO to K2.
  2. K2 CHECK CIRCUIT 75-AD15 (YE/BU) FOR VOLTAGE 
    • Key in OFF position.
    • Disconnect: Rear View Mirror C911.
    • Key in ON position.
    • Measure the voltage between the rear view mirror C911-13, circuit 75-AD15 (YE/BU), harness side and ground.
      Fig 2: Checking Circuit 75-AD15 (YE/BU) For Voltage
      G03203351Courtesy of FORD MOTOR CO.
    • Is the voltage greater than 10 volts? 
    1. Yes  : GO to K3.
    2. No  : REPAIR the circuit. CLEAR the DTCs. REPEAT the self-test.
  3. K3 CHECK CIRCUIT 31-AD15 (BK) FOR AN OPEN 
    • Key in OFF position.
    • Measure the resistance between the rear view mirror C911-2, circuit 31-AD15 (BK/OG), harness side and ground.
      Fig 3: Measuring Resistance Between Rear View Mirror C911-2 Circuit 31-AD15 (BK/OG) Harness Side And Ground
      G03203352Courtesy of FORD MOTOR CO.
    • Is the resistance less than 5 ohms? 
    1. Yes  : GO to K4.
    2. No  : REPAIR the circuit. CLEAR the DTCs. REPEAT the self-test.
  4. K4 CHECK CIRCUITS 8-MC8 (WH/RD) AND 9-MC8 (BN/RD) FOR AN OPEN AND A SHORT TO GROUND 
    • Measure the resistances between the navigation system module C4209 pins harness side and the rear view mirror C911 pins harness side; and between the navigation system module C4209 pins harness side and ground as follows:
      NAVIGATION SYSTEM MODULE C4209 PINS CHART

      Navigation System Module Pin Rear View Mirror Pin Circuit
      C4209-7 C911-9, 8-MC8 (WH/RD)
      C4209-19 C911-10 9-MC8 (BN/RD)
      Fig 4: Checking Circuits 8-MC8 (WH/RD) And 9-MC8 (BN/RD) For Open And Short To Ground
      G03203353Courtesy of FORD MOTOR CO.
    • Are the resistances less than 5 ohms between the navigation system module and the rear view mirror; and are the resistances greater than 10,000 ohms between the navigation system module and ground? 
    1. Yes  : GO to K5.
    2. No  : REPAIR the circuit in question. CLEAR the DTCs. REPEAT the self-test.
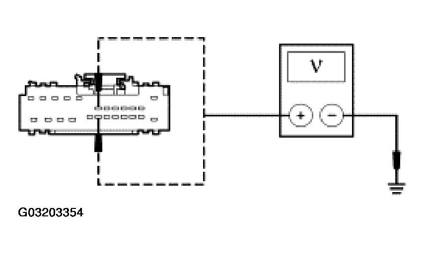
  5. K5 CHECK CIRCUITS 8-MC8 (WH/RD) AND 9-MC8 (BN/RD) FOR A SHORT TO VOLTAGE 
    • Key in ON position.
    • Measure the voltage between the navigation system module C4209-7, circuit 8-MC8 (WH/RD), harness side and ground; and between the navigation system module C4209-19, 9-MC8 (BN/RD), harness side and ground.
      Fig 5: Checking Circuits 8-MC8 (WH/RD) And 9-MC8 (BN/RD) For Short To Voltage
      G03203354Courtesy of FORD MOTOR CO.
    • Is any voltage indicated? 
    1. Yes  : REPAIR the circuit in question. CLEAR the DTCs. REPEAT the self-test.
    2. No  : INSTALL a new rear view mirror. REFER to EXTERIOR TRIM . CLEAR the DTCs. REPEAT the self-test.
  6. K6 CHECK FOR CORRECT NAVIGATION SYSTEM MODULE OPERATION 
    • Disconnect all navigation system module connectors.
    • Check for:
      • corrosion
      • pushed-out pins
    • Connect all navigation system module connectors and make sure they seat correctly.
    • Operate the system and verify the concern is still present.
    • Is the concern still present? 
    1. Yes  : INSTALL a new navigation system module. REFER to NAVIGATION SYSTEM MODULE . TEST the system for normal operation.
    2. No  : The system is operating correctly at this time. Concern may have been caused by a loose or corroded connector. CLEAR the DTCs. REPEAT the self-test.