LEMON Manuals: Even more car manuals for everyone: 1960-2025
Home >> Ford >> 2000 >> Focus ZX3, Standard >> Repair and Diagnosis >> External Pages >> Different car >> Section 1597 (Seating) >> Diagnosis And Testing >> Seats >> Pinpoint Test B: No Communication With The Driver Door Module (DDM) >> Pinpoint Test B: No Communication With The Driver Door Module (DDM)
April 5, 2026: LEMON Manuals is launched! Read the announcement.

Pinpoint Test B: No Communication With The Driver Door Module (DDM)

WARNING: This page is about a different car, the 2005 Lincoln LS. However, it is still accessible from the selected car via links, so may be relevant.
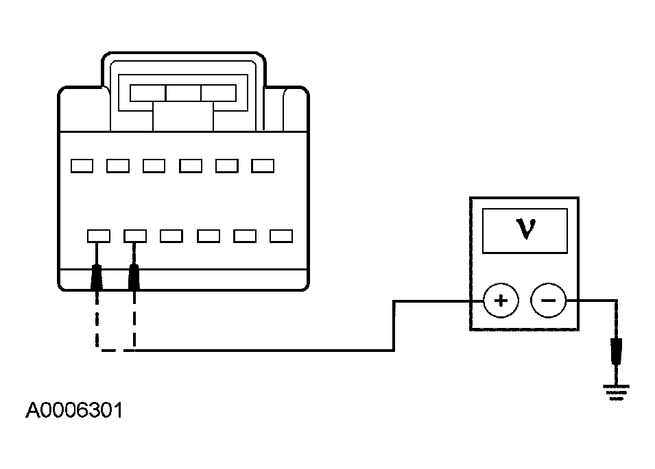
  1. B1 CHECK CIRCUITS 29-AJ80 (OG) AND 29S-AJ86 (OG/BU) FOR VOLTAGE 
    • Key in OFF position.
    • Disconnect: DDM C501a.
    • Key in ON position.
    • Measure the voltage between DDM C501a-11, circuit 29-AJ80 (OG), harness side and ground; and between DDM C501a-12, circuit 29S-AJ86 (OG/BU), harness side and ground.
      Fig 1: Checking Circuits 29-AJ80 (OG) And 29S-AJ86 (OG/BU) For Voltage
      G03999373Courtesy of FORD MOTOR CO.
    • Is the voltage greater than 10 volts?
    • Yes  : GO to  B2.
    • No  : REPAIR the circuit in question. Test the system for normal operation.
  2. B2 CHECK CIRCUITS 31-AJ80B (BK/OG) AND 91-AJ80 (BN/BU) FOR OPENS 
    • Key in OFF position.
    • Measure the resistance between DDM C501a-7, circuit 91-AJ80 (BN/BU), harness side and ground; and between DDM C501a-8, circuit 31-AJ80B (BK/OG), harness side and ground.
      Fig 2: Checking Circuits 31-AJ80B (BK/OG) And 91-AJ80 (BN/BU) For Opens
      G03999374Courtesy of FORD MOTOR CO.
    • Is the resistance less than 5 ohms?