LEMON Manuals: Even more car manuals for everyone: 1960-2025
Home >> Ford >> 2000 >> Mustang Base, 2D Convertible, Automatic >> Repair and Diagnosis >> External Pages >> Different car >> Section 334 (Entertainment System) >> Diagnosis And Testing >> Entertainment System >> Symptom Chart >> Connector Circuit Reference >> Navigation Audio Unit C2253d
April 5, 2026: LEMON Manuals is launched! Read the announcement.

Navigation Audio Unit C2253d

WARNING: This page is about a different car, the 2004 Lincoln LS. However, it is still accessible from the selected car via links, so may be relevant.
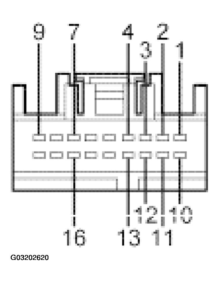
Fig 1: Identifying Navigation Audio Unit C2253D Connector Pinouts
G03202620Courtesy of FORD MOTOR CO.
NAVIGATION AUDIO UNIT C2253D CONNECTOR PINOUTS REFERENCE

Pin Number(s) Circuit Designation/Description Normal Condition/Measurement
1 8-MD10A (WH/BK) LF speaker output Less than 5 ohms between the audio unit and the speaker and greater than 10,000 ohms between the audio unit and ground.
2 8-MD17A (WH/RD) RF speaker output Less than 5 ohms between the audio unit and the speaker and greater than 10,000 ohms between the audio unit and ground.
3 8-MD11A (WH/VT) LR speaker output Less than 5 ohms between the audio unit and the speaker and greater than 10,000 ohms between the audio unit and ground.
4 8-MD18A (WH) RR speaker output Less than 5 ohms between the audio unit and the speaker and greater than 10,000 ohms between the audio unit and ground.
7 1-MD19 (WH/RD) subwoofer audio output Less than 5 ohms between the audio unit and the subwoofer amplifier. Greater than 10,000 ohms between the audio unit and ground.
9 7-MD27 (YE/VT) subwoofer enable/clip detection Less than 5 ohms between the audio unit and the subwoofer amplifier. Greater than 10,000 ohms between the audio unit and ground.
10 10-MD10A (GY/BK) LF speaker return Less than 5 ohms between the audio unit and the speaker and greater than 10,000 ohms between the audio unit and ground.
11 10-MD17A(GY/RD) RF speaker return Less than 5 ohms between the audio unit and the speaker and greater than 10,000 ohms between the audio unit and ground.
12 10-MD11A(GY/WH) LR speaker return Less than 5 ohms between the audio unit and the speaker and greater than 10,000 ohms between the audio unit and ground.
13 10-MD18A (GY) RR speaker return Less than 5 ohms between the audio unit and the speaker and greater than 10,000 ohms between the audio unit and ground.
16 2-MD19 (GY/RD) subwoofer audio return Less than 5 ohms between the audio unit and the subwoofer amplifier. Greater than 10,000 ohms between the audio unit and ground.