LEMON Manuals: Even more car manuals for everyone: 1960-2025
Home >> Ford >> 2000 >> Mustang Base, 2D Convertible, Automatic >> Repair and Diagnosis >> External Pages >> Different car >> Section 334 (Entertainment System) >> Diagnosis And Testing >> Entertainment System >> Symptom Chart >> PINPOINT TEST G: The Subwoofer is Inoperative-- Navigation Audio Unit Only >> Pinpoint Test G: The Subwoofer Is Inoperative- Navigation Audio Unit Only
April 5, 2026: LEMON Manuals is launched! Read the announcement.

Pinpoint Test G: The Subwoofer Is Inoperative- Navigation Audio Unit Only

WARNING: This page is about a different car, the 2004 Lincoln LS. However, it is still accessible from the selected car via links, so may be relevant.
  1. G1 CHECK THE SUBWOOFER OPERATION 
    • Key in ON position.
    • Turn the audio unit on.
    • Check the operation of the subwoofer speakers.
    • Are both subwoofer speakers inoperative? 
    1. Yes  : GO to G2.
    2. No  : GO to  G9.
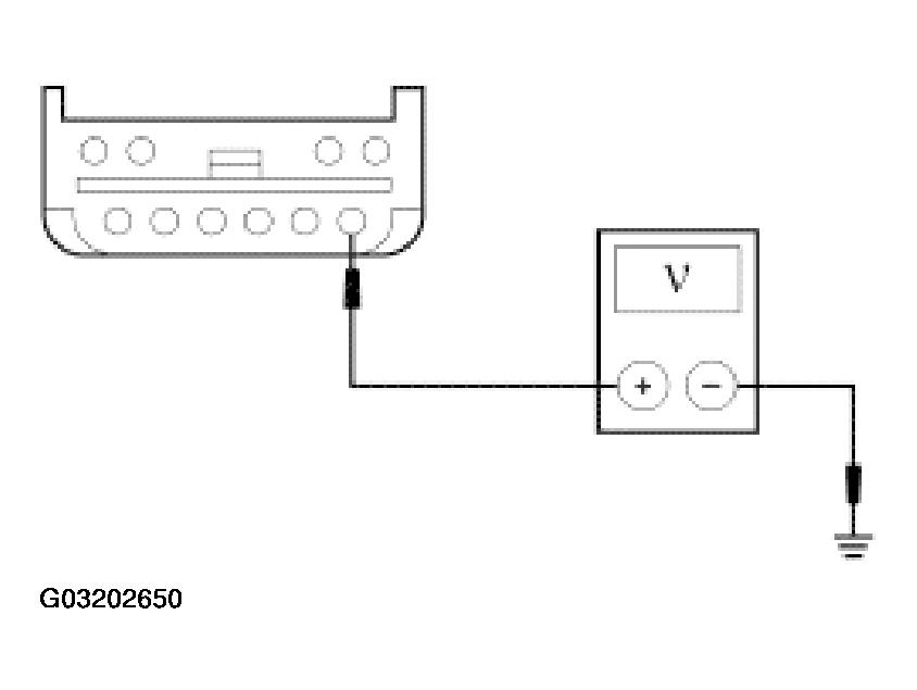
  2. G2 CHECK CIRCUIT 7-MD 19 (YE/RD) FOR POWER 
    • Key in OFF position.
    • Disconnect: Subwoofer Amplifier C466a.
    • Key in ON position.
    • Turn the audio unit on.
    • Measure the voltage between the subwoofer amplifier C466a-1, circuit 7-MD19 (YE/RD), harness side and ground.
      Fig 1: Checking Circuit 7-MD 19 (YE/RD) For Power
      G03202650Courtesy of FORD MOTOR CO.
    • Is any voltage present? 
    1. Yes  : GO to G3.
    2. No  : GO to  G8.
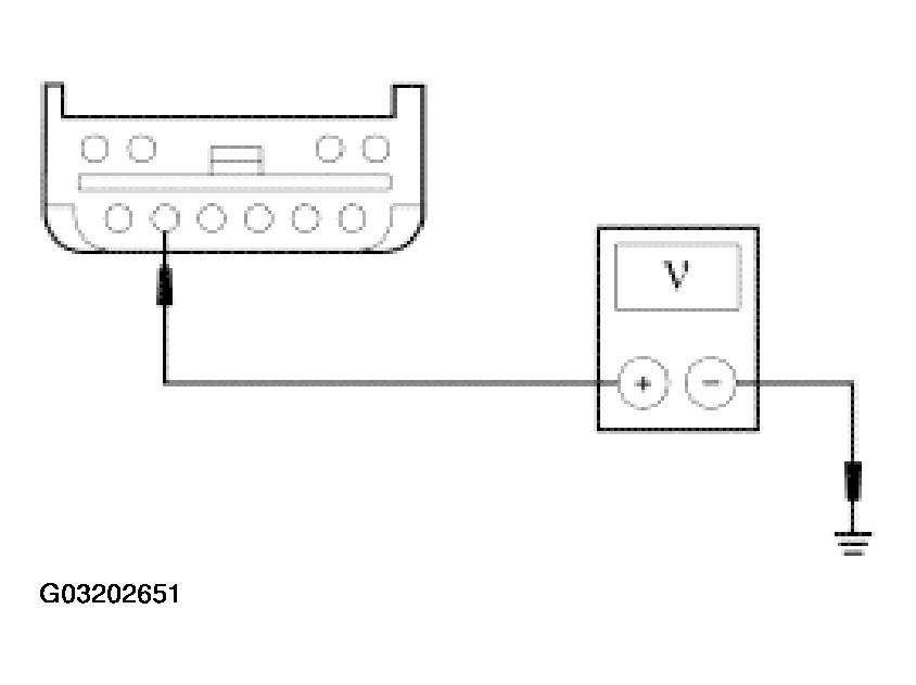
  3. G3 CHECK CIRCUIT 30-MD19A (RD/BU) FOR VOLTAGE 
    • Measure the voltage between the subwoofer amplifier C466a-5, circuit 30-MD19A (RD/BU), harness side and ground.
      Fig 2: Measuring Voltage Between Subwoofer Amplifier C466A-5, Circuit 30-MD19A (RD/BU), Harness Side And Ground
      G03202651Courtesy of FORD MOTOR CO.
    • Is the voltage greater than 10 volts? 
    1. Yes  : GO to G4.
    2. No  : REPAIR the circuit. TEST the system for normal operation.
  4. G4 CHECK GROUND CIRCUIT 31-MD19A (BK/BU) FOR AN OPEN 
    • Key in OFF position.
    • Measure the resistance between the subwoofer amplifier C466a-2, circuit 31-MD19A (BK/BU), harness side and ground.
      Fig 3: Measuring Resistance Between Subwoofer Amplifier C466A-2, Circuit 31-MD19A (BK/BU), Harness Side And Ground
      G03202652Courtesy of FORD MOTOR CO.
    • Is the resistance less than 5 ohms? 
    1. Yes  : GO to G5.
    2. No  : REPAIR the circuit. TEST the system for normal operation.
  5. G5 CHECK FOR AN AUDIO SIGNAL OUTPUT TO THE AMPLIFIER 
    • Measure the voltage between the subwoofer amplifier C466a-7, circuit 1-MD19 (WH/RD), harness side and the subwoofer amplifier C466a-8, circuit 2-MD19 (GY/RD), harness side.
      Fig 4: Checking For An Audio Signal Output To Amplifier
      G03202653Courtesy of FORD MOTOR CO.
    • Is there a fluctuating AC voltage? 
    1. Yes  : REMOVE the subwoofer amplifier and SEND it to an authorized audio system repair facility. REFER to SUBWOOFER AMPLIFIER . TEST the system for normal operation.
    2. No  : GO to G6.
  6. G6 CHECK CIRCUIT 1-MD19 (WH/RD) 
    • Disconnect: Audio Unit C2253d.
    • Measure the resistance between the subwoofer amplifier C466a-7, circuit 1-MD19 (WH/RD), harness side and the audio unit C2253d-7, circuit 1-MD19 (WH/RD), harness side; and between the subwoofer amplifier C466a-7, circuit 1-MD19 (WH/RD), harness side and ground.
      Fig 5: Checking Circuit 1-MD19 (WH/RD)
      G03202654Courtesy of FORD MOTOR CO.
    • Is the resistance less than 5 ohms between the subwoofer amplifier and the audio unit, and greater than 10,000 ohms between the subwoofer amplifier and ground? 
    1. Yes  : GO to G7.
    2. No  : REPAIR the circuit. TEST the system for normal operation.
  7. G7 CHECK CIRCUIT 2-MD19 (GY/RD) 
    • Measure the resistance between the subwoofer amplifier C466a-8, circuit 2-MD19 (GY/RD), harness side and the audio unit C2253d-16, circuit 2-MD19 (GY/RD), harness side; and between the subwoofer amplifier C466a-8, circuit 2-MD19 (GY/RD), harness side and ground.
      Fig 6: Checking Circuit 2-MD19 (GY/RD)
      G03202655Courtesy of FORD MOTOR CO.
    • Is the resistance less than 5 ohms between the subwoofer amplifier and the audio unit, and greater than 10,000 ohms between the subwoofer amplifier and ground? 
    1. Yes  : REMOVE the audio unit and SEND it to an authorized audio system repair facility. REFER to AUDIO UNIT . TEST the system for normal operation.
    2. No  : REPAIR the circuit. TEST the system for normal operation.
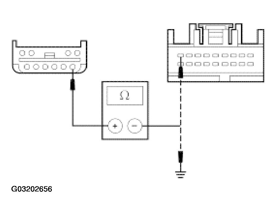
  8. G8 CHECK THE ENABLE CIRCUIT FOR AN OPEN 
    • Key in OFF position.
    • Disconnect: Audio Unit C2253d.
    • Disconnect: Audio Amplifier C4208a.
    • Measure the resistance between the subwoofer amplifier C466a-1, circuit 7-MD19 (YE/RD), harness side and the navigation audio unit C2253d-9, circuit 7-MD27 (YE/VT), harness side. Measure the resistance between the subwoofer amplifier C466a-1, circuit 7-MD19 (YE/RD), harness side and ground.
      Fig 7: Checking Enable Circuit For An Open
      G03202656Courtesy of FORD MOTOR CO.
    • Is the resistance less than 5 ohms subwoofer amplifier and the audio unit and greater than 10,000 ohms between the subwoofer amplifier and ground? 
    1. Yes  : REMOVE the subwoofer amplifier REFER to SUBWOOFER AMPLIFIER . SEND it to an authorized audio system repair facility. TEST the system for normal operation.
    2. No  : REPAIR circuit 7-MD19 (YE/RD) or 7-MD27 (YE/VT). TEST the system for normal operation.
  9. G9 CHECK FOR AN AUDIO SIGNAL OUTPUT TO THE INOPERATIVE SUBWOOFER SPEAKER 
    • Disconnect: Inoperative Subwoofer Speaker.
    • Key in ON position.
    • For the LH subwoofer speaker, measure the voltage between the subwoofer speaker C4068-1, circuit 8-MD22 (WH/GN), harness side and C4068-2, circuit 10-MD22 (GY/OG), harness side.
      Fig 8: Measuring Voltage Between C4068-1, Circuit 8-Md22 (WH/GN), Harness Side And C4068-2, Circuit 10-Md22 (GY/OG), Harness Side
      G03202657Courtesy of FORD MOTOR CO.
    • For the RH subwoofer speaker, measure the voltage between the subwoofer speaker C4069-1, circuit 8-MD21 (WH/BU), component side and C4069-2, circuit 10-MD21 (GY/VT), component side.
      Fig 9: Measuring Voltage (RH Subwoofer Speaker)
      G03202658Courtesy of FORD MOTOR CO.
    • Is there a fluctuating AC voltage? 
    1. Yes  : INSTALL a new subwoofer speaker. TEST the system for normal operation.
    2. No  : GO to G10.
  10. G10 CHECK AUDIO SIGNAL CIRCUITS FOR OPENS AND SHORTS TO GROUND 
    • Disconnect: Subwoofer Amplifier C466b.
    • Measure the resistance between the inoperative subwoofer speaker and the subwoofer amplifier, and between the subwoofer amplifier and ground as follows:
      SUBWOOFER SPEAKER PIN REFERENCE

      Speaker Subwoofer Speaker Pin Subwoofer Amplifier Pin Circuit
      LH C4068 1 3 8-MD22 (WH/GN)
      LH C4068 2 4 10-MD22 (GY/OG)
      RH C4069 1 1 8-MD21 (WH/BU)
      RH C4069 2 2 10-MD21 (GY/VT)
    • Is the resistance between the inoperative subwoofer speaker and the subwoofer amplifier less than 5 ohms, and greater than 10,000 ohms between the subwoofer amplifier and ground? 
    1. Yes  : REMOVE the subwoofer amplifier and send it to an authorized audio repair facility. REFER to SUBWOOFER AMPLIFIER . TEST the system for normal operation.
    2. No  : REPAIR the circuit. TEST the system for normal operation.