LEMON Manuals: Even more car manuals for everyone: 1960-2025
Home >> Ford >> 2000 >> Mustang V6-3.8L VIN 4 >> Repair and Diagnosis >> Diagrams >> Exploded Views >> Engine >> Engine Component View
April 5, 2026: LEMON Manuals is launched! Read the announcement.

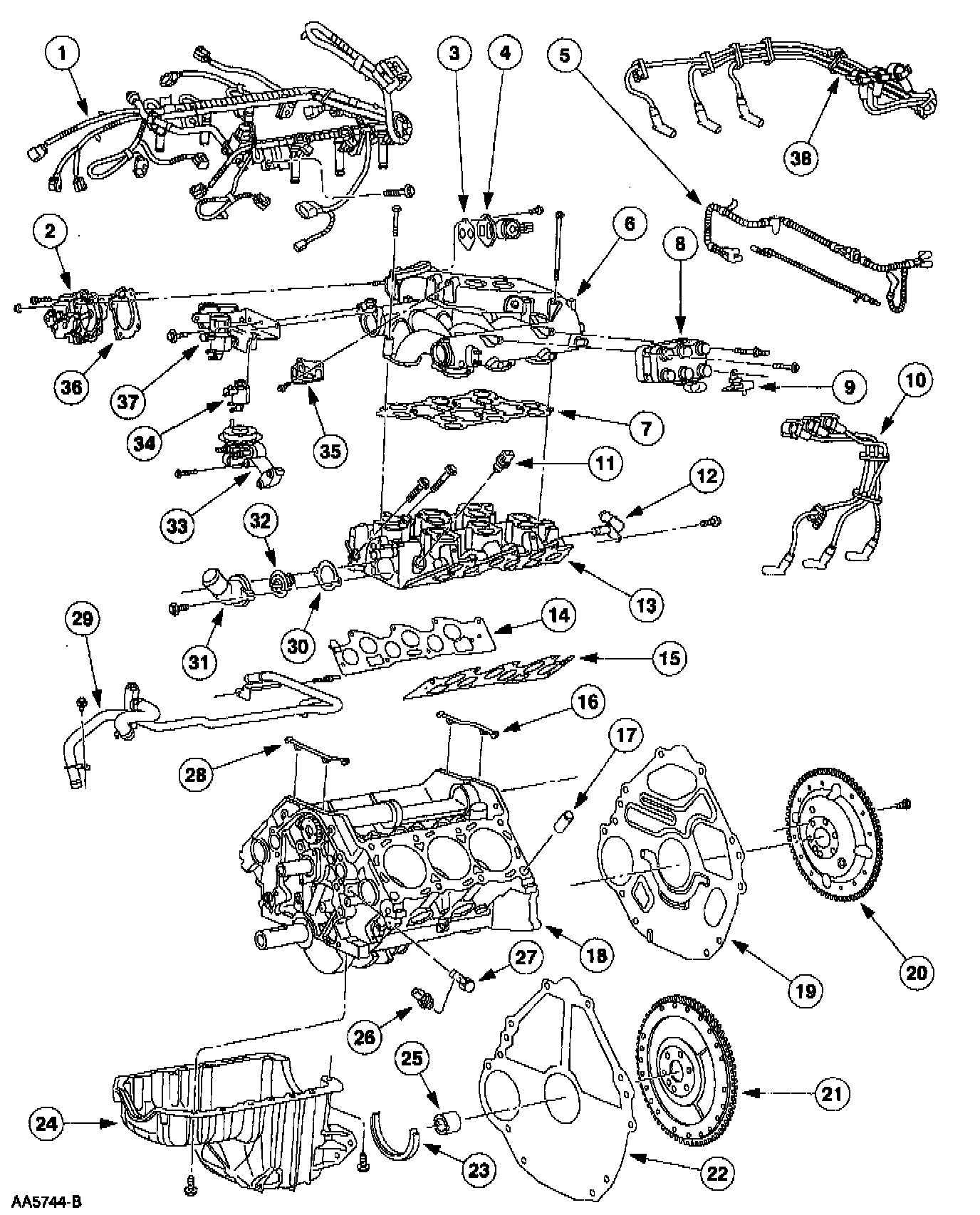
Engine Component View





1 of 2





2 of 2