LEMON Manuals: Even more car manuals for everyone: 1960-2025
Home >> Ford >> 2000 >> ZX2 Automatic >> Repair and Diagnosis >> External Pages >> Different car >> Section 260 (Steering Column Switches) >> Removal And Installation >> Steering Column Multifunction Switch >> Notes
April 5, 2026: LEMON Manuals is launched! Read the announcement.

Steering Column Multifunction Switch: Notes

WARNING: This page is about a different car, the 2005 Lincoln LS. However, it is still accessible from the selected car via links, so may be relevant.
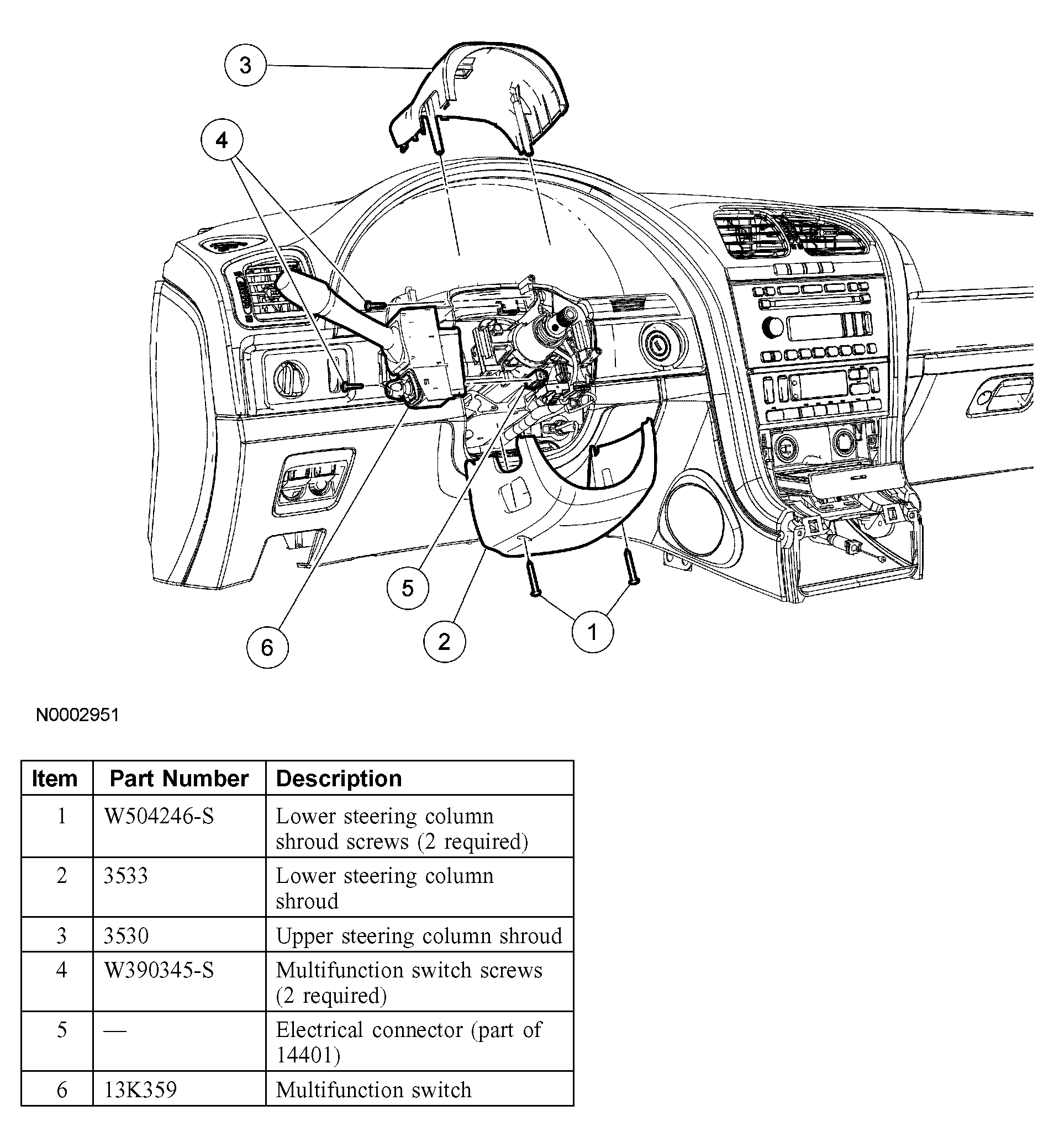
Fig 1: Identifying Steering Column Multifunction Switch Components
G03995683Courtesy of FORD MOTOR CO.