LEMON Manuals: Even more car manuals for everyone: 1960-2025
Home >> Ford >> 2000 >> ZX2 Automatic >> Repair and Diagnosis >> External Pages >> Different car >> Section 422 (Component Testing) >> Component Testing >> Seat adjust switch >> Schematic
April 5, 2026: LEMON Manuals is launched! Read the announcement.

Seat adjust switch: Schematic

WARNING: This page is about a different car, the 2006 Ford F550 Super Duty, 2006 Ford F450 Super Duty, and 2006 Ford Cab & Chassis. However, it is still accessible from the selected car via links, so may be relevant.
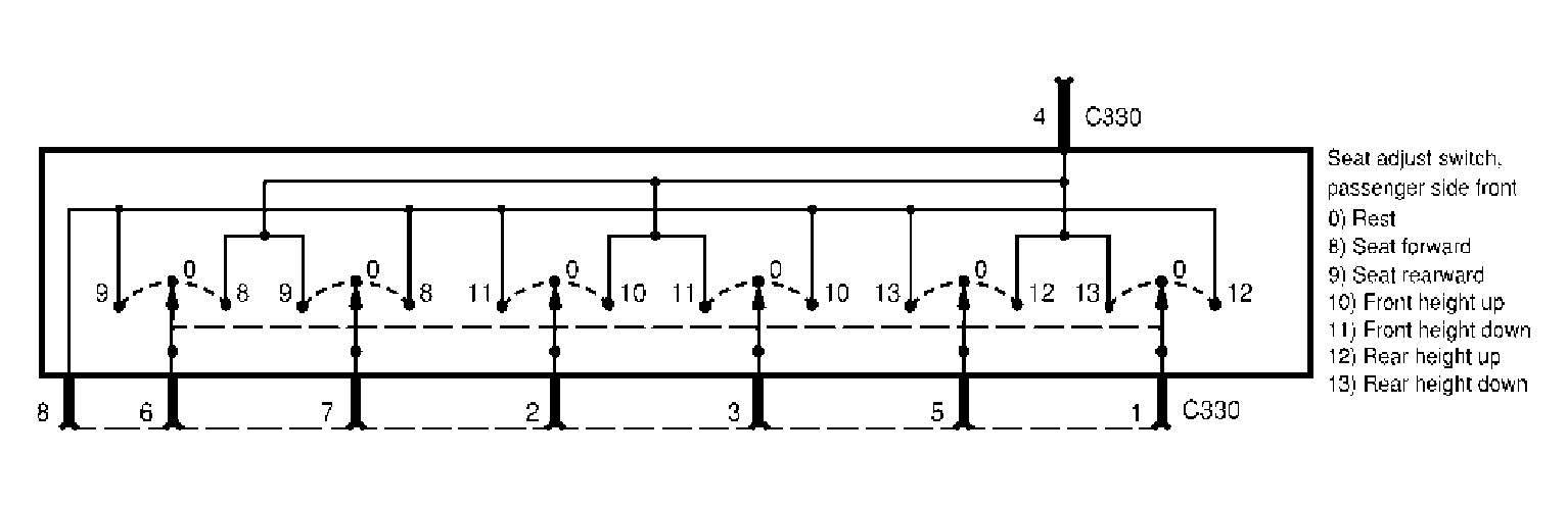
Fig 1: Seat Adjust Switch Schematic
G04598984Courtesy of FORD MOTOR CO.


Fig 1: Seat Adjust Switch - Schematic
G04598986Courtesy of FORD MOTOR CO.