LEMON Manuals: Even more car manuals for everyone: 1960-2025
Home >> Ford >> 2000 >> ZX2 Standard >> Repair and Diagnosis >> External Pages >> Different car >> Section 1514 (Component Testing) >> Component Testing >> Door lock switch >> Schematic
April 5, 2026: LEMON Manuals is launched! Read the announcement.

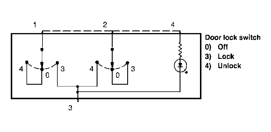
Door lock switch: Schematic

WARNING: This page is about a different car, the 2006 Mercury Montego, 2006 Ford Freestyle, and 2006 Ford Five Hundred. However, it is still accessible from the selected car via links, so may be relevant.
Fig 1: Door Lock Switch - Schematic Diagram
G04597584Courtesy of FORD MOTOR CO.