LEMON Manuals: Even more car manuals for everyone: 1960-2025
Home >> Ford >> 2000 >> ZX2 Standard >> Repair and Diagnosis >> External Pages >> Different car >> Section 2060 (Cruise Control System (F-250-F550)) >> Diagnostic Tests >> Speed Control >> Pinpoint Tests >> Pinpoint Test D: Speed Control Switch Stuck or Circuit Failure >> Pinpoint Test D: Speed Control Switch Stuck Or Circuit Failure
April 5, 2026: LEMON Manuals is launched! Read the announcement.

Pinpoint Test D: Speed Control Switch Stuck Or Circuit Failure

WARNING: This page is about a different car, the 2007 Ford Pickup, 2007 Ford F550 Super Duty, 2007 Ford F450 Super Duty, and 2007 Ford Cab & Chassis. However, it is still accessible from the selected car via links, so may be relevant.
  1. D1 CHECK THE SPEED CONTROL SWITCH 
    • Key in ON position.
    • Enter the following diagnostic mode on the diagnostic tool: PCM PID Speed Control Switch
    • Press each speed control switch button while monitoring the SCCS (speed control switch) PID.
    • Does the PID display OFF continuously? 
    1. YES  : Go to  D5.
    2. NO  : Go to  D2.
  2. D2 CHECK THE SPEED CONTROL SWITCH CIRCUITRY FOR A SHORT TO VOLTAGE 
    • Key in ON position.
    • Turn the parking lamps on.
    • For gasoline vehicles, measure the voltage between the PCM C175b-19, circuit 151 (LB/BK), harness side and ground; and between the PCM C175b-30, circuit 133 (BK), harness side and ground.
    • Fig 1: Measuring Voltage Between PCM Connector And Ground
      G03883128Courtesy of FORD MOTOR CO.
    • For diesel vehicles, measure the voltage between the PCM C1381a-31, circuit 151 (LB/BK), harness side and ground; and between the PCM C1381a-24, circuit 133 (BK), harness side and ground.
    • Fig 2: Measuring Voltage Between PCM Connector And Ground
      GF0007705Courtesy of FORD MOTOR CO.
    • Is any voltage present? 
    1. YES  : TURN the parking lamps off. Go to  D3.
    2. NO  : TURN the parking lamps off. Go to  D8.
  3. D3 CHECK CIRCUITS 151 (LB/BK) AND 133 (BK) FOR A SHORT TO VOLTAGE 
    • Key in OFF position.
    • Disconnect: Clockspring C218a
    • Key in ON position.
    • Turn the parking lamps on.
    • For gasoline vehicles, measure the voltage between the PCM C175b-19, circuit 151 (LB/BK), harness side and ground; and between the PCM C175b-30, circuit 133 (BK), harness side and ground.
    • Fig 3: Measuring Voltage Between PCM Connector And Ground
      G03883128Courtesy of FORD MOTOR CO.
    • For diesel vehicles, measure the voltage between the PCM C1381a-31, circuit 151 (LB/BK), harness side and ground; and between the PCM C1381a-24, circuit 133 (BK), harness side and ground.
    • Fig 4: Measuring Voltage Between PCM Connector And Ground
      GF0007705Courtesy of FORD MOTOR CO.
    • Is any voltage present? 
    1. YES  : REPAIR the circuit in question. CLEAR the DTCs. REPEAT the self-test.
    2. NO  : TURN the parking lamps off. Go to  D4.
  4. D4 CHECK THE CLOCKSPRING FOR A SHORT TO VOLTAGE 
    • Key in OFF position.
    • Connect: Clockspring C218a
    • Remove the driver air bag module. Refer to SUPPLEMENTAL RESTRAINT SYSTEM article.
    • Connect the restraint system diagnostic tool (418-F088) to the upper clockspring air bag connector.
    • Disconnect: Upper Clockspring
    • WARNING: Make sure there is no one inside the vehicle and that there is nothing blocking or set in front of any air bag module when the battery is connected. Failure to follow these instructions may result in personal injury.
    • Connect the battery.
    • Key in ON position.
    • Turn the parking lamps on.
    • For gasoline vehicles, measure the voltage between the PCM C175b-19, circuit 151 (LB/BK), harness side and ground; and between the PCM C175b-30, circuit 133 (BK), harness side and ground.
    • Fig 5: Measuring Voltage Between PCM Connector And Ground
      G03883128Courtesy of FORD MOTOR CO.
    • For diesel vehicles, measure the voltage between the PCM C1381a-31, circuit 151 (LB/BK), harness side and ground; and between the PCM C1381a-24, circuit 133 (BK), harness side and ground.
    • Fig 6: Measuring Voltage Between PCM Connector And Ground
      GF0007705Courtesy of FORD MOTOR CO.
    • Is any voltage present? 
    1. YES  : INSTALL a new clockspring. CLEAR the DTCs. REPEAT the self-test.
    2. NO  : INSTALL a new speed control switch(es) harness. REFER to Speed Control Switch  in this article. CLEAR the DTCs. REPEAT the self-test.
  5. D5 CHECK THE SPEED CONTROL SWITCH CIRCUITRY FOR A SHORT TO GROUND 
    • Key in OFF position.
    • For gasoline vehicles, measure the resistance between the PCM C175b-19, circuit 151 (LB/BK), harness side and ground; and between the PCM C175b-30, circuit 133 (BK), harness side and ground.
    • Fig 7: Measuring Resistance Between PCM Connector And Ground
      G03883131Courtesy of FORD MOTOR CO.
    • For diesel vehicles, measure the resistance between the PCM C1381a-31, circuit 151 (LB/BK), harness side and ground; and between the PCM C1381a-24, circuit 133 (BK), harness side and ground.
    • Fig 8: Measuring Resistance Between PCM Connector And Ground
      GF0007706Courtesy of FORD MOTOR CO.
    • Are the resistances greater than 10,000 ohms? 
    1. YES  : Go to  D9.
    2. NO  : Go to  D6.
  6. D6 CHECK THE CLOCKSPRING FOR A SHORT TO GROUND 
    • Remove the driver air bag module. Refer to SUPPLEMENTAL RESTRAINT SYSTEM article.
    • Disconnect: Upper Clockspring
    • For gasoline vehicles, measure the resistance between the PCM C175b-19, circuit 151 (LB/BK), harness side and ground; and between the PCM C175b-30, circuit 133 (BK), harness side and ground.
    • Fig 9: Measuring Resistance Between PCM Connector And Ground
      G03883131Courtesy of FORD MOTOR CO.
    • Measure the resistance between the PCM C1381a-31, circuit 151 (LB/BK), harness side and ground; and between the PCM C1381a-24, circuit 133 (BK), harness side and ground.
    • Fig 10: Measuring Resistance Between PCM Connector And Ground
      GF0007706Courtesy of FORD MOTOR CO.
    • Are the resistances greater than 10,000 ohms? 
    1. YES  : INSTALL a new speed control switch(es) harness. REFER to Speed Control Switch  in this article. INSTALL the driver air bag module. REFER to SUPPLEMENTAL RESTRAINT SYSTEM article. CLEAR the DTCs. REPEAT the self-test.
    2. NO  : Go to  D7.
  7. D7 CHECK CIRCUITS 151 (LB/BK) AND 133 (BK) FOR A SHORT TO GROUND 
    • Disconnect: Clockspring C218a
    • For gasoline vehicles, measure the resistance between the PCM C175b-19, harness side and ground; and between the PCM C175b-30, circuit 133 (BK), harness side and ground.
    • Fig 11: Measuring Resistance Between PCM Connector And Ground
      G03883131Courtesy of FORD MOTOR CO.
    • For diesel vehicles, measure the resistance between the PCM C1381a-31, harness side and ground; and between the PCM C1381a-24, circuit 133 (BK), harness side and ground.
    • Fig 12: Measuring Resistance Between PCM Connector And Ground
      GF0007706Courtesy of FORD MOTOR CO.
    • Are the resistances greater than 10,000 ohms? 
    1. YES  : INSTALL a new clockspring. REFER to SUPPLEMENTAL RESTRAINT SYSTEM article. CLEAR the DTCs. REPEAT the self-test.
    2. NO  : REPAIR the circuit in question. INSTALL the driver air bag module. REFER to SUPPLEMENTAL RESTRAINT SYSTEM article. CLEAR the DTCs. REPEAT the self-test.
  8. D8 CHECK THE SPEED CONTROL SWITCH CIRCUITRY FOR AN OPEN 
    • For gasoline vehicles, measure the resistance between the PCM C175b-19, circuit 151 (LB/BK), harness side and the PCM C175b-30, circuit 133 (BK), harness side.
    • For diesel vehicles, measure the resistance between the PCM C1381a-31, circuit 151 (LB/BK), harness side and the PCM C1381a-24, circuit 133 (BK), harness side.
    • Fig 13: Checking Speed Control Switch Circuitry For An Open
      GF0007707Courtesy of FORD MOTOR CO.
    • Is the resistance between 4,100 and 4,550 ohms? 
    1. YES  : Go to  D14.
    2. NO  : Go to  D11.
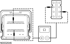
  9. D9 CHECK THE SPEED CONTROL SWITCH CIRCUITRY FOR A SHORT 
    • For gasoline vehicles, measure the resistance between the PCM C175b-19, circuit 151 (LB/BK), harness side and the PCM C175b-30, circuit 133 (BK), harness side.
    • For diesel vehicles, measure the resistance between the PCM C1381a-31, circuit 151 (LB/BK), harness side and the PCM C1381a-24, circuit 133 (BK), harness side.
    • Fig 14: Checking Speed Control Switch
      GF0007707Courtesy of FORD MOTOR CO.
    • Is the resistance less than 120 ohms? 
    1. YES  : Go to  D10.
    2. NO  : Go to  D14.
  10. D10 CHECK THE CLOCKSPRING FOR A SHORT 
    • Disconnect the steering wheel speed control switches.
    • For gasoline vehicles, measure the resistance between the PCM C175b-19, circuit 151 (LB/BK), harness side and the PCM C175b-30, circuit 133 (BK), harness side.
    • For diesel vehicles, measure the resistance between the PCM C1381a-31, circuit 151 (LB/BK), harness side and the PCM C1381a-24, circuit 133 (BK), harness side.
    • Fig 15: Check The Clockspring For A Short
      GF0007707Courtesy of FORD MOTOR CO.
    • Is the resistance less than 120 ohms? 
    1. YES  : INSTALL a new clockspring. REFER to SUPPLEMENTAL RESTRAINT SYSTEM article. CLEAR the DTCs. REPEAT the self-test.
    2. NO  : INSTALL a new speed control switch(es) harness. REFER to Speed Control Switch  in this article. CLEAR the DTCs. REPEAT the self-test.
  11. D11 CHECK CIRCUITS 151 (LB/BK) AND 133 (BK) FOR AN OPEN 
    • Disconnect: Clockspring C218a
    • For gasoline vehicles, measure the resistance between the PCM C175b-19, circuit 151 (LB/BK), harness side and the clockspring C218a-7, circuit 151 (LB/BK), harness side; and between the PCM C175b-30, circuit 133 (BK), harness side and the clockspring C218a-2, circuit 133 (BK), harness side.
    • Fig 16: Checking Circuits 151 (LB/BK) And 133 (BK) For An Open (1 Of 2)
      GF0007708Courtesy of FORD MOTOR CO.
    • For diesel vehicles, measure the resistance between the PCM C1381a-31, circuit 151 (LB/BK), harness side and the clockspring C218a-7, circuit 151 (LB/BK), harness side; and between the PCM C1381a-24, circuit 133 (BK), harness side and the clockspring C218a-2, circuit 133 (BK), harness side.
    • Fig 17: Checking Circuits 151 (LB/BK) And 133 (BK) For An Open (2 Of 2)
      GF0007709Courtesy of FORD MOTOR CO.
    • Are the resistances less than 5 ohms? 
    1. YES  : If not equipped with steering wheel audio controls, go to  D12.

      If equipped with steering wheel audio controls, go to  D13.

    2. NO  : REPAIR the circuit in question. CLEAR the DTCs. REPEAT the self-test.
  12. D12 CHECK THE CLOCKSPRING FOR AN OPEN (WITHOUT AUDIO CONTROLS) 
    • Remove the driver air bag. Refer to SUPPLEMENTAL RESTRAINT SYSTEM article.
    • Disconnect: Upper Clockspring
    • Measure the resistance between the clockspring C218a-7, component side and the upper clockspring connector pin 1, component side; and between the clockspring C218a-2, component side and the upper clockspring connector pin 2, component side.
    • Fig 18: Checking Clockspring
      GF0007710Courtesy of FORD MOTOR CO.
    • Are the resistances less than 5 ohms? 
    1. YES  : INSTALL a new speed control switch(es) harness. REFER to Speed Control Switch  in this article. CLEAR the DTCs. REPEAT the self-test.
    2. NO  : INSTALL a new clockspring. REFER to SUPPLEMENTAL RESTRAINT SYSTEM article. CLEAR the DTCs. REPEAT the self-test.
  13. D13 CHECK THE CLOCKSPRING FOR AN OPEN (WITH AUDIO CONTROLS) 
    • Remove the driver air bag. Refer to SUPPLEMENTAL RESTRAINT SYSTEM article.
    • Disconnect: Upper Clockspring
    • Measure the resistance between the clockspring C218a-7, component side and the upper clockspring connector pin 1, component side; and between the clockspring C218a-2, component side and the upper clockspring connector pin 3, component side.
    • Fig 19: Checking Clockspring For An Open
      GF0007711Courtesy of FORD MOTOR CO.
    • Are the resistances less than 5 ohms? 
    1. YES  : INSTALL a new speed control switch(es) harness. REFER to Speed Control Switch  in this article. CLEAR the DTCs. REPEAT the self-test.
    2. NO  : INSTALL a new clockspring. REFER to SUPPLEMENTAL RESTRAINT SYSTEM article. CLEAR the DTCs. REPEAT the self-test.
  14. D14 CHECK FOR CORRECT PCM OPERATION 
    • Disconnect all the PCM connectors.
    • Check for:
      • corrosion
      • pushed-out pins
    • Connect all the PCM connectors and make sure they are seated correctly.
    • Operate the system and verify the concern is still present.
    • Is the concern still present? 
    1. YES  : INSTALL a new PCM. REFER to ELECTRONIC ENGINE CONTROLS - GASOLINE ENGINES article. INSTALL the driver air bag. REFER to SUPPLEMENTAL RESTRAINT SYSTEM article.
    2. NO  : The system is operating correctly at this time. The concern may have been caused by a loose or corroded connector. INSTALL the driver air bag. REFER to SUPPLEMENTAL RESTRAINT SYSTEM article. CLEAR the DTCs. REPEAT the self-test.