LEMON Manuals: Even more car manuals for everyone: 1960-2025
Home >> Ford >> 2001 >> Escape 2.0 B, FWD >> Repair and Diagnosis >> External Pages >> Different car >> Section 1680 (Component Testing) >> Introduction >> Master window adjust switch >> Schematic
April 5, 2026: LEMON Manuals is launched! Read the announcement.

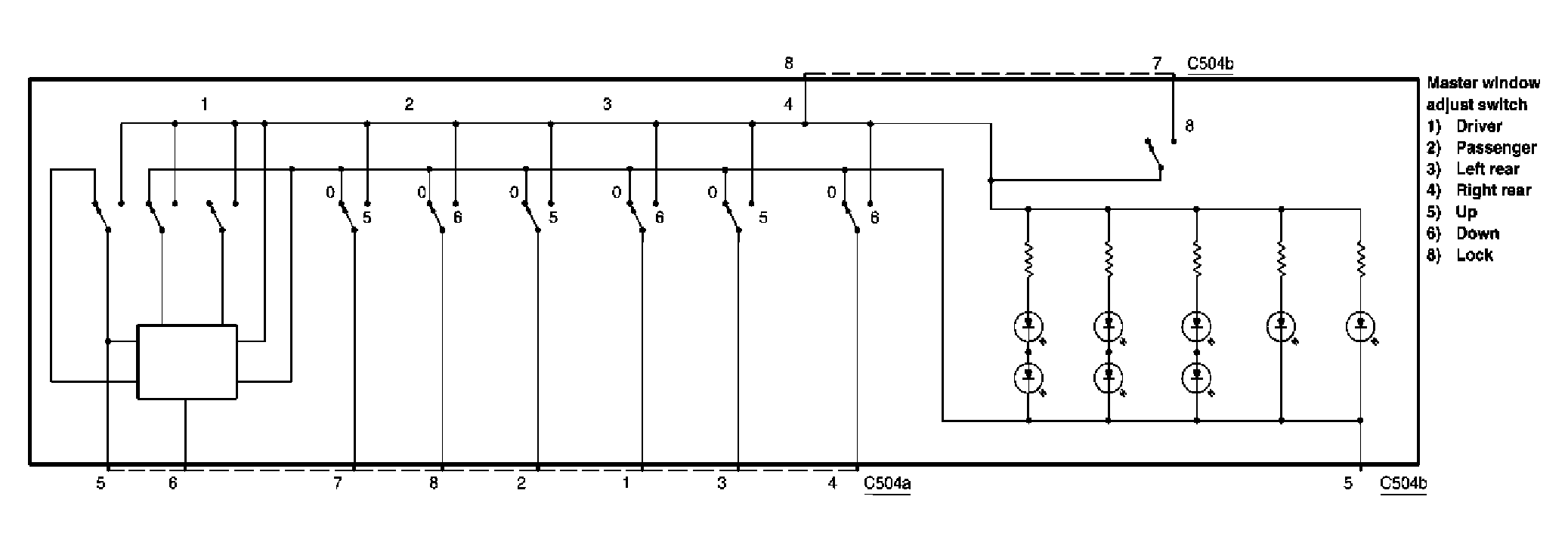
Master window adjust switch: Schematic

WARNING: This page is about a different car, the 2005 Lincoln Town Car. However, it is still accessible from the selected car via links, so may be relevant.
Fig 1: Master Window Adjust Switch - Schematic
G04013179Courtesy of FORD MOTOR CO.