LEMON Manuals: Even more car manuals for everyone: 1960-2025
Home >> Ford >> 2001 >> Excursion 2WD V8-5.4L SOHC VIN L >> Repair and Diagnosis >> Specifications >> Mechanical Specifications >> Engine >> System Specifications >> Torque >> Cylinder Head Assembly >> Torque Specifications
April 5, 2026: LEMON Manuals is launched! Read the announcement.

Torque Specifications

Cylinder Head(s)

CAUTION: The cylinder head bolts must be replaced with new bolts. They are tighten-to-yield designed and cannot be reused.

NOTE: Make sure to tighten the bolts in sequence in three stages.





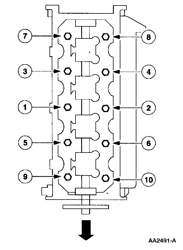
Tighten the LH bolts in the sequence shown.
^ Stage 1: Tighten to 37 - 43 Nm (27 - 32 ft. lbs.).
^ Stage 2: Tighten an additional 85 - 95 degrees.
^ Stage 3: Tighten an additional 85 - 95 degrees.





Tighten the RH bolts in the sequence shown.
^ Stage 1: Tighten to 37 - 43 Nm (27 - 32 ft. lbs.).
^ Stage 2: Tighten an additional 85 - 95 degrees.
^ Stage 3: Tighten an additional 85 - 95 degrees.

Camshaft Bearing Cap Bolts





Tighten the bolts in the sequence shown to 10 Nm (89 lb/in).

Camshaft Sprocket
Position the sprocket(s).
Install the bolt.
- M10 Bolt:
Stage 1: Tighten to 40 Nm (30 ft. lbs.).
Stage 2: Tighten an additional 90 degrees.
- M12 Bolt: Tighten to 120 Nm (90 ft. lbs.).

Intake Manifold

NOTE: The thermostat bolts are tightened in sequence with the intake manifold bolts. Do not tighten the thermostat housing bolts during thermostat installation.

Install the water thermostat.





Tighten the bolts in two stages, in the sequence shown.
1 Stage 1: Tighten to 2 Nm (18 inch lbs.).
2 Stage 2: Tighten to 20 - 30 Nm (15 - 22 ft. lbs.).





LH Exhaust Manifold
Tighten fasteners to 23-27 Nm (17-19 lb/ft).





RH Exhaust Manifold
Tighten fasteners to 23-27 Nm (17-19 lb/ft).