LEMON Manuals: Even more car manuals for everyone: 1960-2025
Home >> Ford >> 2001 >> Ranger 4WD L4-2.3L VIN D >> Repair and Diagnosis >> Heating and Air Conditioning >> Control Assembly >> Testing and Inspection >> Component Tests
April 5, 2026: LEMON Manuals is launched! Read the announcement.

Component Tests

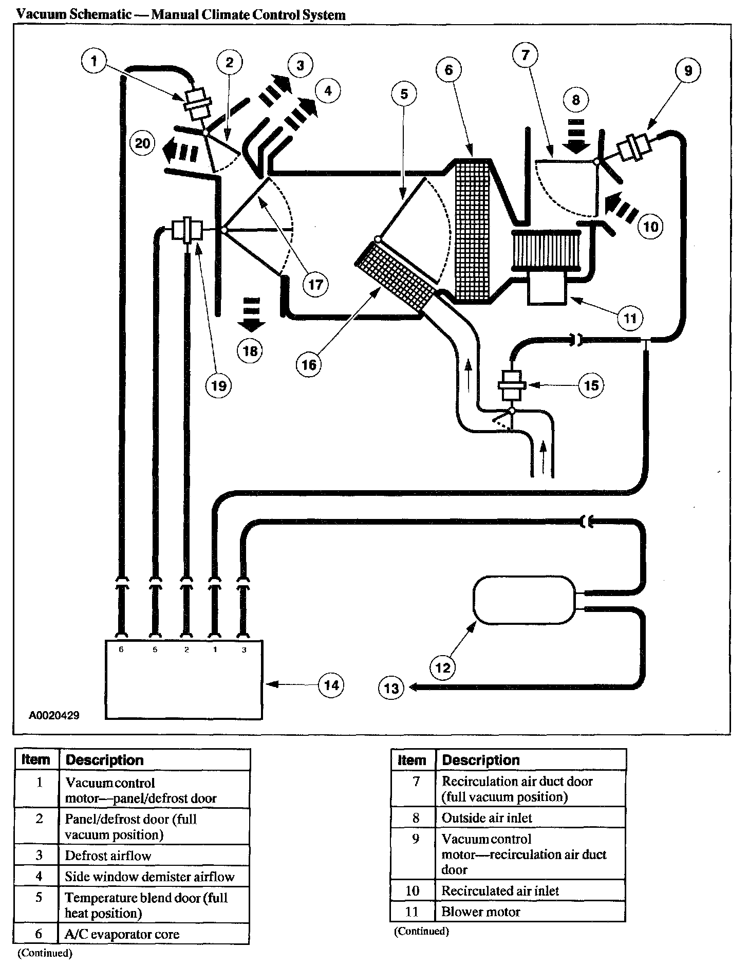
Vacuum Schematic - Manual Climate Control System, Part 1:






Vacuum Schematic - Manual Climate Control System, Part 2:






Vacuum Connector End View - Manual A/C:






Vacuum Application Chart - Manual A/C: