LEMON Manuals: Even more car manuals for everyone: 1960-2025
Home >> Ford >> 2001 >> Taurus SEL >> Repair and Diagnosis >> External Pages >> Different car >> Section 696 (MULTIFUNCTION Electronic Modules System) >> Diagnosis And Testing >> Driver Seat Module (DSM) >> Pinpoint Tests >> Pinpoint Test B: No Communication with the Driver Seat Module (DSM) >> Pinpoint Test B: No Communication With The Driver Seat Module (DSM)
April 5, 2026: LEMON Manuals is launched! Read the announcement.

Pinpoint Test B: No Communication With The Driver Seat Module (DSM)

WARNING: This page is about a different car, the 2006 Mercury Montego, 2006 Ford Freestyle, and 2006 Ford Five Hundred. However, it is still accessible from the selected car via links, so may be relevant.
CAUTION: Use the correct probe adaptor(s) when making measurements. Failure to use the correct probe adaptor(s) may damage the connector.
  1. B1 CHECK THE DSM VOLTAGE SUPPLY CIRCUITS FOR AN OPEN 
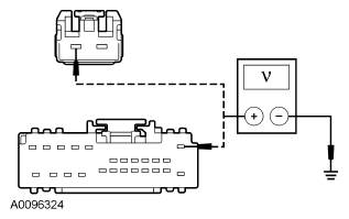
    • Key in OFF position.
    • Disconnect: DSM C341a.
    • Disconnect: DSM C341c.
    • Measure the voltage between the DSM C341a-2, circuit 566 (DG), harness side and ground; and between the DSM C341c-1, circuit 956 (OG/LG), harness side and ground.
      Fig 1: Checking DSM Voltage Supply Circuits
      G04658468Courtesy of FORD MOTOR CO.
    • Are the voltages greater than 10 volts? 

    Yes:  GO to  B2.

    No:  VERIFY the battery junction box (BJB) fuse 32 (30A) and smart junction box (SJB) fuse 10 (7.5) are OK. If OK, REPAIR the circuit in question. CLEAR the DTCs. REPEAT the self-test.

  2. B2 CHECK THE DSM GROUND CIRCUIT FOR AN OPEN 
    • Measure the resistance between the DSM C341a-1, circuit 1205 (BK), harness side and ground; and between the DSM C341c-13, circuit 1203 (BK/LB), harness side and ground.
      Fig 2: Checking DSM Ground Circuit For Open
      G04658469Courtesy of FORD MOTOR CO.
    • Are the resistances less than 5 ohms? 

    Yes:  REFER to COMMUNICATIONS NETWORK to continue communication diagnosis.

    No:  REPAIR the circuit. CLEAR the DTCs. REPEAT the self-test.