LEMON Manuals: Even more car manuals for everyone: 1960-2025
Home >> Ford >> 2001 >> Windstar Base >> Repair and Diagnosis >> External Pages >> Different car >> Section 2134 (Exterior Lighting System) >> Diagnosis And Testing >> Headlamps >> Pinpoint Tests >> Pinpoint Test F: The Flash-To-Pass Feature Is Inoperative >> Pinpoint Test F: The Flash-To-Pass Feature Is Inoperative
April 5, 2026: LEMON Manuals is launched! Read the announcement.

Pinpoint Test F: The Flash-To-Pass Feature Is Inoperative

WARNING: This page is about a different car, the 2011 Mercury Milan, 2011 Lincoln MKZ, and 2011 Ford Fusion. However, it is still accessible from the selected car via links, so may be relevant.
NOTE: Use the correct probe adapter(s) when making measurements. Failure to use the correct probe adapter(s) may damage the connector.
  1. F1 VERIFY THE HIGH BEAM HEADLAMP OPERATION 
    • Ignition ON.
    • Place the headlamp switch in the HEADLAMPS ON position.
    • Place the multifunction switch in the HIGH BEAM position while observing the headlamps.
    • Do the high beam headlamps illuminate? 
    1. Yes  : GO to F2.
    2. No  : GO to PINPOINT TEST A .
  2. F2 CHECK THE MULTIFUNCTION SWITCH 
    • Ignition OFF.
    • Disconnect: Multifunction Switch C202.
    • Connect a fused jumper wire between the multifunction switch C202-4, circuit CLF27 (GN/BN), harness side and the multifunction switch C202-8, circuit GD116 (BK/VT), harness side.
      Fig 1: Connecting Fused Jumper Wire Between Multifunction Switch C202-4, Circuit CLF27 (GN/BN) And Multifunction Switch C202-8, Circuit GD116 (BK/VT)
      G06065227Courtesy of FORD MOTOR CO.
    • Do the high beams illuminate? 
    1. Yes  : REMOVE the jumper wire. INSTALL a new multifunction switch. REFER to STEERING COLUMN SWITCHES article. TEST the system for normal operation.
    2. No  : REMOVE the jumper wire. GO to F3.
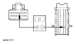
  3. F3 CHECK THE FLASH-TO-PASS REQUEST INPUT CIRCUIT FOR AN OPEN 
    • Disconnect: SJB C2280b.
    • Measure the resistance between the multifunction switch C202-4, circuit CLF27 (GN/BN), harness side and the SJB C2280b-43, circuit CLF27 (GN/BN), harness side.
      Fig 2: Measuring Resistance Between Multifunction Switch C202-4, Circuit CLF27 (GN/BN) And SJB C2280b-43, Circuit CLF27 (GN/BN)
      G06075634Courtesy of FORD MOTOR CO.
    • Is the resistance less than 5 ohms? 
    1. Yes  : GO to F4.
    2. No  : REPAIR circuit CLF27 (GN/BN) for an open. TEST the system for normal operation.
  4. F4 CHECK FOR CORRECT SJB OPERATION 
    • Disconnect all the SJB connectors.
    • Check for:
      • corrosion
      • damaged pins
      • pushed-out pins
    • Connect all the SJB connectors and make sure they seat correctly.
    • Operate the system and verify the concern is still present.
    • Is the concern still present? 
    1. Yes  : INSTALL a new SJB. REFER to MULTIFUNCTION ELECTRONIC MODULES -- FUSION, MILAN & MKZ article. TEST the system for normal operation.
    2. No  : The system is operating correctly at this time. The concern may have been caused by a loose or corroded connector.