LEMON Manuals: Even more car manuals for everyone: 1960-2025
Home >> Ford >> 2001 >> Windstar Base >> Repair and Diagnosis >> External Pages >> Different car >> Section 784 (Entertainment System - General Information) >> Diagnosis And Testing >> Audio System >> Pinpoint Test G: The Subwoofer is Inoperative - Navigation >> Pinpoint Test G: The Subwoofer Is Inoperative - Navigation
April 5, 2026: LEMON Manuals is launched! Read the announcement.

Pinpoint Test G: The Subwoofer Is Inoperative - Navigation

WARNING: This page is about a different car, the 2005 Lincoln LS. However, it is still accessible from the selected car via links, so may be relevant.
  1. G1 CHECK THE SUBWOOFER OPERATION 
    • Key in ON position.
    • Operate the audio unit in radio tuner mode.
    • Check the operation of the subwoofer speakers.
    • Are both subwoofer speakers inoperative? 
    • Yes  : GO to  G2.
    • No  : GO to  G8.
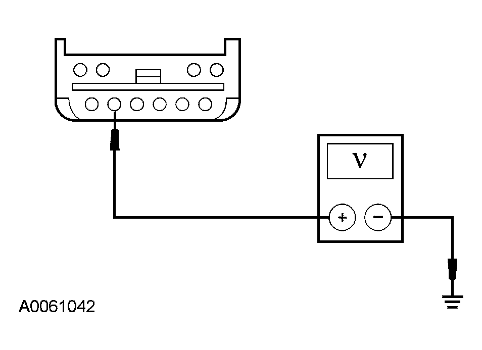
  2. G2 CHECK CIRCUIT 7-MD19 (YE/RD) FOR VOLTAGE 
    • Key in OFF position.
    • Disconnect: Subwoofer Amplifier C466a.
    • Key in ON position.
    • Operate the audio unit in radio tuner mode.
    • Measure the voltage between the subwoofer amplifier C466a-1, circuit 7-MD19 (YE/RD), harness side and ground.
      Fig 1: Measuring Voltage Between Subwoofer Amplifier C466A-1, Circuit 7-MD19 (YE/RD) And Ground
      G03998496Courtesy of FORD MOTOR CO.
    • Is the voltage approximately 5 volts? 
    • Yes  : GO to  G3.
    • No  : GO to  G11.
  3. G3 CHECK CIRCUIT 30-MD19A (RD/BU) FOR VOLTAGE 
    • Measure the voltage between the subwoofer amplifier C466a-5, circuit 30-MD19A (RD/BU), harness side and ground.
      Fig 2: Measuring Voltage Between Subwoofer Amplifier C466A-5, Circuit 30-MD19A (RD/BU) And Ground
      G03998497Courtesy of FORD MOTOR CO.
    • Is the voltage greater than 10 volts? 
    • Yes  : GO to  G4.
    • No  : REPAIR the circuit. CLEAR the DTCs. REPEAT the self-test.
  4. G4 CHECK CIRCUIT 31-MD19 (BK/BU) FOR AN OPEN 
    • Key in OFF position.
    • Measure the resistance between the subwoofer amplifier C466a-2, circuit 31-MD19 (BK/BU), harness side and ground.
      Fig 3: Measuring Resistance Between Subwoofer Amplifier C466A-2, Circuit 31-MD19 (BK/BU) And Ground
      G03998498Courtesy of FORD MOTOR CO.
    • Is the resistance less than 5 ohms? 
    • Yes  : GO to  G5.
    • No  : REPAIR the circuit. CLEAR the DTCs. REPEAT the self-test.
  5. G5 CHECK FOR A SUBWOOFER AUDIO SIGNAL 
    • Key in ON position.
    • Operate the audio unit in radio tuner mode.
    • Measure the voltage between the subwoofer amplifier C466a-7, circuit 1-MD19 (WH/RD), harness side and the subwoofer amplifier C466a-8, circuit 2-MD19 (GY/RD), harness side.
      Fig 4: Measuring Voltage Between Subwoofer Amplifier C466A-7, Circuit 1-MD19 (WH/RD), Harness Side And Subwoofer Amplifier C466a-8, Circuit 2-MD19 (GY/RD), Harness Side
      G03902777Courtesy of FORD MOTOR CO.
    • Is there a fluctuating AC voltage? 
    • Yes  : REMOVE the subwoofer amplifier. REFER to AUDIO UNIT . SEND it to an authorized audio system repair facility. CLEAR the DTCs. REPEAT the self-test.
    • No  : GO to  G6.
  6. G6 CHECK THE AUDIO SIGNAL CIRCUITS TO THE SUBWOOFER AMPLIFIER FOR AN OPEN OR SHORT TO GROUND 
    • Key in OFF position.
    • Disconnect: Audio Unit C2253d.
    • Measure the resistance between the subwoofer amplifier, harness side and the audio unit, harness side; and between the subwoofer amplifier, harness side and ground as follows:
      Subwoofer Amplifier Connector-Pin Audio Unit Connector-Pin Circuit
      C466a-7 C2253d-7 1-MD19 (WH/RD)
      C466a-8 C2253d-16 2-MD19 (GY/RD)
    • Is the resistance less than 5 ohms between the subwoofer amplifier and the audio unit, and greater than 10,000 ohms between the subwoofer amplifier and ground? 
    • Yes  : GO to  G7.
    • No  : REPAIR the circuit. CLEAR the DTCs. REPEAT the self-test.
  7. G7 CHECK THE AUDIO SIGNAL CIRCUITS TO THE SUBWOOFER AMPLIFIER FOR A SHORT TO VOLTAGE 
    • Key in ON position.
    • Measure the voltage between the subwoofer amplifier C466a-7, circuit 1-MD19 (WH/RD), harness side and ground; and between the subwoofer amplifier C466a-8, circuit 2-MD19 (GY/RD), harness side and ground.
      Fig 5: Measuring Voltage Between Subwoofer Amplifier C466a-7, Circuit 1-MD19 (WH/RD), Harness Side And Ground; And Between Subwoofer Amplifier C466a-8, Circuit 2-MD19 And Ground
      G03998500Courtesy of FORD MOTOR CO.
    • Is any voltage present? 
    • Yes  : REPAIR the circuit. CLEAR the DTCs. REPEAT the self-test.
    • No  : SEND the audio unit to an authorized audio system repair facility. CLEAR the DTCs. REPEAT the self-test.
  8. G8 CHECK THE AUDIO SIGNAL CIRCUITS TO THE SUBWOOFER SPEAKER 
    • Key in OFF position.
    • Disconnect: Suspect Subwoofer Speaker.
    • Key in ON position.
    • Operate the audio unit in radio tuner mode.
    • Measure the AC voltage between the RH subwoofer speaker C4069-1, circuit 8-MD21 (WH/BU), harness side and the RH subwoofer speaker C4069-2, circuit 10-MD21 (GY/VT), harness side; or between the LH subwoofer speaker C4068-1, circuit 8-MD22 (WH/GN), harness side and the LH subwoofer speaker C4068-2, circuit 10-MD22 (GY/OG), harness side.
      Fig 6: Measuring AC Voltage Between The RH Subwoofer Speaker C4069-1, Circuit 8-MD21And RH Subwoofer Speaker C4069-2, Circuit 10-MD21
      G03902771Courtesy of FORD MOTOR CO.
    • Is there a fluctuating AC voltage? 
    • Yes  : INSTALL a new subwoofer speaker. REFER to SPEAKERS . TEST the system for normal operation.
    • No  : GO to  G9.
  9. G9 CHECK THE AUDIO SIGNAL CIRCUITS TO THE SUBWOOFER SPEAKER FOR AN OPEN OR SHORT TO GROUND 
    • Key in OFF position.
    • Disconnect: Subwoofer Amplifier C466b.
    • Measure the resistance between the subwoofer amplifier, harness side and the suspect subwoofer speaker, harness side; and between the subwoofer amplifier, harness side and ground as follows:
      Suspect Subwoofer Speaker Subwoofer Amplifier Connector-Pin Subwoofer Speaker Connector-Pin Circuit
      LH C466b-3 C4068-1 8-MD22 (WH/GN)
      LH C466b-4 C4068-2 10-MD22 (GY/OG)
      RH C466b-1 C4069-1 8-MD21 (WH/BU)
      RH C466b-2 C4069-2 10-MD21 (GY/VT)
    • Is the resistance less than 5 ohms between the subwoofer amplifier and the speaker, and greater than 10,000 ohms between the subwoofer amplifier and ground? 
    • Yes  : GO to  G10.
    • No  : REPAIR the circuit in question. TEST the system for normal operation.
  10. G10 CHECK THE AUDIO SIGNAL CIRCUITS TO THE SUBWOOFER SPEAKER FOR A SHORT TO VOLTAGE 
    • Key in ON position.
    • Measure the voltage between the subwoofer amplifier, harness side and ground as follows:
      Suspect Subwoofer Speaker Subwoofer Speaker Connector-Pin/ Circuit Subwoofer Speaker Connector-Pin/ Circuit
      LH C466b-3 8-MD22 (WH/GN) C466b-4 10-MD22 (GY/OG)
      RH C466b-1 8-MD21 (WH/BU) C466b-2 10-MD21 (GY/VT)
    • Is any voltage present? 
    • Yes  : REPAIR the circuit in question. TEST the system for normal operation.
    • No  : REMOVE the subwoofer amplifier. REFER to AUDIO UNIT . SEND it to an authorized audio system repair facility. TEST the system for normal operation.
  11. G11 CHECK CIRCUIT 7-MD19 (YE/RD) FOR AN OPEN OR SHORT TO GROUND 
    • Key in OFF position.
    • Disconnect: Audio Unit C2253d.
    • Measure the resistance between the subwoofer amplifier C4066a-1, circuit 7-MD19 (YE/RD), harness side and the audio unit C2253d-18, circuit 7-MD19 (YE/RD), harness side; and between the subwoofer amplifier C4066a-1, circuit 7-MD19 (YE/RD), harness side and ground.
      Fig 7: Measuring Resistance Between Subwoofer Amplifier C4066A-1, Circuit 7-MD19 And Audio Unit C2253d-18, Circuit 7-MD19; And Between Subwoofer Amplifier C4066a-1, Circuit 7-MD19 And Ground
      G03998509Courtesy of FORD MOTOR CO.
    • Is the resistance less than 5 ohms between the subwoofer amplifier and the audio unit, and greater than 10,000 ohms between the audio unit and ground? 
    • Yes  : SEND the audio unit to an authorized audio system repair facility. TEST the system for normal operation after the repair.
    • No  : REPAIR the circuit. CLEAR the DTCs. REPEAT the self-test.