LEMON Manuals: Even more car manuals for everyone: 1960-2025
Home >> Ford >> 2002 >> F 150 2WD Pickup V8-4.6L >> Repair and Diagnosis >> Diagrams >> Exploded Views >> Engine >> Engine Induction System
April 5, 2026: LEMON Manuals is launched! Read the announcement.

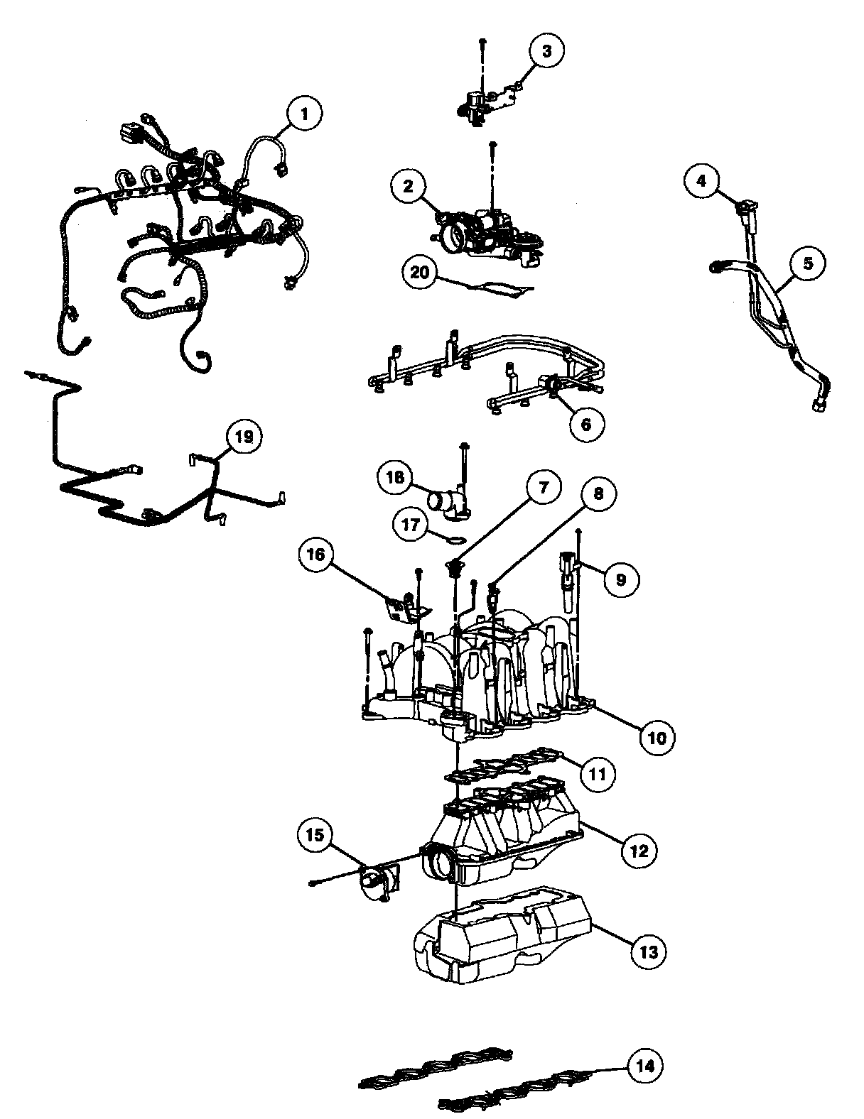
Engine Induction System

Engine Induction System Components





Part 1 of 2





Part 2 of 2