LEMON Manuals: Even more car manuals for everyone: 1960-2025
Home >> Ford >> 2002 >> Focus SVT >> Repair and Diagnosis >> External Pages >> Different car >> Section 619 (Engine 6.8L) >> Assembly >> Engine >> Assembly
April 5, 2026: LEMON Manuals is launched! Read the announcement.

Section 619 (Engine 6.8L): Assembly: Engine: Assembly

WARNING: This page is about a different car, the 2004 Ford RV Cutaway, 2004 Ford Econoline, 2004 Ford E450 Super Duty, and 2004 Ford Cutaway. However, it is still accessible from the selected car via links, so may be relevant.
  1. Record the main bearing code found on the front of the engine block.
    Fig 1: Recording Main Bearing Code Found On Front Of Engine Block
    G01537473Courtesy of FORD MOTOR CO.
  2. Record the main bearing code found on the back of the crankshaft.
    Fig 2: Recording Main Bearing Code Found On Back Of Crankshaft
    G01537474Courtesy of FORD MOTOR CO.
  3. Using the data recorded earlier and the Bearing Select Fit Chart, Standard Bearings chart, determine the required bearing grade for each main bearing.
    • Read the first letter of the engine block main bearing code and the first letter of the crankshaft main bearing code.
    • Read down the column below the engine block main bearing code letter, and across the row next to the crankshaft main bearing code letter, until the two intersect. This is the required bearing grade for the number one crankshaft main bearing.
    • As an example, if the engine block code letter is "F" and the crankshaft code letter is "D," the correct bearing grade for this main bearing is a "2."
    • Repeat this process for the remaining four main bearings.
    Fig 3: Identifying Standard Bearing Select Fit Chart
    G01537475Courtesy of FORD MOTOR CO.
  4. If oversize bearings are being used, use the procedure in the previous step and the Bearing Select Fit Chart, Oversize Bearings chart to determine the required bearing grade for each main bearing.
    Fig 4: Identifying Oversize Bearing Select Fit Chart
    G01537476Courtesy of FORD MOTOR CO.
  5. NOTE: Before assembling the cylinder block, all sealing surfaces must be free of chips, dirt, paint and foreign material. Also, make sure the coolant and oil passages are clear.
    Fig 5: Installing Crankshaft Upper Main Bearings Into Cylinder Block
    G01537477Courtesy of FORD MOTOR CO.
  6. Install the crankshaft upper main bearings into the cylinder block and lubricate them with clean engine oil.
  7. Install the crankshaft into the cylinder block and onto the upper crankshaft main bearings.
    Fig 6: Installing Crankshaft Into Cylinder Block
    G01537478Courtesy of FORD MOTOR CO.
  8. NOTE: If equipped, the oil groove on the thrust washer must face toward the front of the engine (against the crankshaft surface).
    Fig 7: Installing Rear Upper Crankshaft Thrust Washer At Back Of No. 6 Main Boss
    G01537479Courtesy of FORD MOTOR CO.
  9. Push the crankshaft rearward and install the rear upper crankshaft thrust washer at the back of the No. 6 main boss.
  10. NOTE: If equipped, the oil groove on the thrust washer must face toward the front of the engine (against the crankshaft surface).
    Fig 8: Installing Front Upper Crankshaft Thrust Washer At Front Of Main Boss
    G01537480Courtesy of FORD MOTOR CO.
  11. Push the crankshaft forward and install the front upper crankshaft thrust washer at the front of the No. 6 main boss.
  12. NOTE: To aid in assembly, apply petroleum jelly to the back of the crankshaft thrust washer.
    NOTE: If equipped, the oil groove on the thrust washer must face toward the front of the engine (against the crankshaft surface).
    Fig 9: Installing Lower Crankshaft Thrust Washer To Back Side
    G01537481Courtesy of FORD MOTOR CO.
  13. Install the lower crankshaft thrust washer to the back side of the No. 6 main bearing cap, with oil grooves facing the crankshaft surface, and install the No. 6 rear main bearing cap.
  14. Install the No. 1 through No. 5 crankshaft lower main bearings into the main bearing caps. Locate the main bearing caps on the cylinder block and, keeping the cap as square as possible, alternately draw the cap down evenly using the cap fasteners.
  15. Install the bolts.
    Fig 10: Installing Crankshaft Main Bearing Cap Bolts
    G02764158Courtesy of FORD MOTOR CO.
  16. Install the 10 dowel pins so that the flat sides face the crankshaft. Install the cross-mounted bolts.
    Fig 11: Installing Cross-Mounted Bolts
    G01537484Courtesy of FORD MOTOR CO.
  17. Tighten fasteners 1 through 12 in two stages, in the sequence shown.
    • Stage 1: Tighten to 40 Nm (30 lb-ft).
    • Stage 2: Tighten an additional 90 degrees.
    Fig 12: Main Bearing Cap Bolt Tightening Sequence (1 Of 2)
    G02764160Courtesy of FORD MOTOR CO.
  18. Tighten fasteners 13 through 24 in two stages, in the sequence shown.
    • Stage 1: Tighten to 30 Nm (22 lb-ft).
    • Stage 2: Tighten an additional 90 degrees.
    Fig 13: Main Bearing Cap Bolt Tightening Sequence (2 Of 2)
    G02764161Courtesy of FORD MOTOR CO.
  19. Using the special tools, install the piston and connecting rod assembly.
    Fig 14: Installing Piston And Connecting Rod Assembly
    G02764162Courtesy of FORD MOTOR CO.
  20. CAUTION: Do not scratch the cylinder walls or crankshaft journals with the connecting rod.
  21. Once the connecting rod is seated on the crankshaft journal, remove the connecting rod guide tools.
  22. CAUTION: The rod cap installation must keep the same orientation as marked during disassembly.
    NOTE: The connecting rod caps are of the "cracked" design and must mate with the connecting rod ends. Excessive bearing clearance will result if not mated correctly.
  23. Install the connecting rod bearings, position the connecting rod cap and loosely install the two new bolts.
  24. NOTE: Be sure to tighten the bolts in two stages.
    Fig 15: Connecting Rod Bearing Bolt Tightening Sequence
    G02764163Courtesy of FORD MOTOR CO.
  25. Tighten the connecting rod bolts in the sequence shown.
    • Stage 1: Tighten to 43 Nm (32 lb-ft).
    • Stage 2: Tighten an additional 105 degrees.
  26. Rotate the crankshaft and repeat the procedure to position each connecting rod at bottom dead center until all bolts are tightened to specification.
  27. Install the oil filter adapter.
    Fig 16: Installing Oil Filter Adapter
    G02764164Courtesy of FORD MOTOR CO.
  28. Install the front engine support insulators.
  29. Position the oil pump and install the bolts loosely. Tighten the bolts in the sequence shown.
    Fig 17: Oil Pump Bolt Tightening Sequence
    G01537491Courtesy of FORD MOTOR CO.
  30. Rotate the crankshaft to position the keyway at 12 o'clock.
    Fig 18: Rotating Crankshaft To Position Keyway At 12 O'Clock
    G01537492Courtesy of FORD MOTOR CO.
  31. NOTE: Do not turn the crankshaft until instructed to do so.
    Fig 19: Installing Head Gasket Over Dowel Pins
    G01537493Courtesy of FORD MOTOR CO.
  32. Install the head gasket over the dowel pins.
  33. Install the special tool.
    Fig 20: Installing Special Tool
    G01537494Courtesy of FORD MOTOR CO.
  34. NOTE: LH shown; RH similar.
    Fig 21: Installing Cylinder Head On Head Gasket
    G01537495Courtesy of FORD MOTOR CO.
  35. Install the cylinder head on the head gasket and loosely install the bolts.
  36. Remove the special tool.
    Fig 22: Removing Special Tool
    G02764170Courtesy of FORD MOTOR CO.
  37. NOTE: Be sure to tighten the bolts in three stages.
    Fig 23: Cylinder Head Bolt Tightening Sequence
    G01537496Courtesy of FORD MOTOR CO.
  38. Tighten the bolts in the sequence shown.
    • Stage 1: Tighten to 40 Nm (30 lb-ft).
    • Stage 2: Tighten an additional 90 degrees.
    • Stage 3: Tighten an additional 90 degrees.
  39. Position the oil level indicator and install the nut attaching the oil level indicator tube to the front of the engine.
    Fig 24: Installing Nut Attaching Oil Level Indicator Tube To Front Of Engine
    G02764172Courtesy of FORD MOTOR CO.
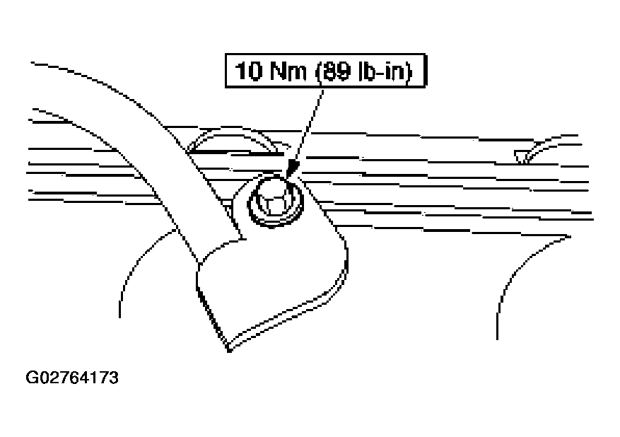
  40. Install the bolt attaching the oil level indicator tube to the rear of the engine.
    Fig 25: Installing Bolt Attaching Oil Level Indicator Tube To Rear Of Engine
    G02764173Courtesy of FORD MOTOR CO.
  41. Install the left and right exhaust manifold gaskets and exhaust manifolds. Loosely install the nuts. Tighten the nuts in the sequence shown.
    Fig 26: Installing Left And Right Exhaust Manifold Gaskets
    G02764174Courtesy of FORD MOTOR CO.
  42. CAUTION: Timing chain procedures must be followed exactly or damage to valves and pistons will result.
    Fig 27: Compressing Tensioner Plunger
    G02764175Courtesy of FORD MOTOR CO.
  43. Compress the tensioner plunger, using a vise.
  44. Install a retaining clip on the tensioner to hold the plunger in during installation.
    Fig 28: Installing Retaining Clip On Tensioner To Hold Plunger
    G01537499Courtesy of FORD MOTOR CO.
  45. Remove the tensioner from the vise.
  46. NOTE: There are 61 links in each timing chain.
    Fig 29: Marking Two Links On One End And One Link On The Other End To Use As Timing Marks
    G01537500Courtesy of FORD MOTOR CO.
  47. If the copper links are not visible, mark two links on one end and one link on the other end to use as timing marks.
  48. Install the timing chain guides.
    Fig 30: Installing Timing Chain Guides
    G01537501Courtesy of FORD MOTOR CO.
  49. Rotate the LH camshaft sprocket until the timing mark is approximately at 12 o'clock.

    Rotate the RH camshaft until the timing mark is approximately at 11 o'clock.

    Fig 31: Aligning Camshaft Sprockets
    G02764179Courtesy of FORD MOTOR CO.
  50. CAUTION: Unless otherwise instructed, at no time when the timing chain is removed and the cylinder heads are installed is the crankshaft or camshaft to be rotated. Severe piston and valve damage will occur.
    CAUTION: Rotate the crankshaft counterclockwise only. Do not rotate past the position shown or severe piston or valve damage can occur.
    Fig 32: Positioning Crankshaft With Special Tool
    G01537503Courtesy of FORD MOTOR CO.
  51. Position the crankshaft with the special tool.
  52. Remove the special tool.
  53. Install the crankshaft sprocket, making sure the flange faces forward.
    Fig 33: Installing Crankshaft Sprocket Making Sure Flange Faces Forward
    G02764181Courtesy of FORD MOTOR CO.
  54. Install the lower end of the LH (inner) timing chain, aligning the timing marks.
    Fig 34: Installing Lower End Of LH (Inner) Timing Chain, Aligning Timing Marks
    G02764182Courtesy of FORD MOTOR CO.
  55. NOTE: Make sure the upper half of the timing chain is below the tensioner guide dowel.
    NOTE: If necessary, adjust the camshaft sprocket slightly to obtain timing mark alignment.
    Fig 35: Positioning Timing Chain On LH Camshaft Sprocket
    G02764183Courtesy of FORD MOTOR CO.
  56. Position the timing chain on the LH camshaft sprocket with the two copper (marked) chain links and the camshaft sprocket timing mark aligned.
  57. NOTE: Make sure the copper (marked) chain link and crankshaft sprocket timing mark are aligned.
    NOTE: The lower half of the timing chain must be positioned above the dowel.
    Fig 36: Positioning RH (Outer) Timing Chain On Crankshaft Sprocket
    G02764184Courtesy of FORD MOTOR CO.
  58. Position the RH (outer) timing chain on the crankshaft sprocket.
  59. NOTE: If necessary, adjust the camshaft sprocket slightly to obtain timing mark alignment.
    Fig 37: Positioning RH Timing Chain On Camshaft Sprocket
    G01537508Courtesy of FORD MOTOR CO.
  60. Position the RH timing chain on the camshaft sprocket. Make sure the two copper (marked) links align with the camshaft sprocket timing mark.
  61. As a post-check, verify timing mark alignment.
    Fig 38: Verifying Timing Mark Alignment
    G01537509Courtesy of FORD MOTOR CO.
  62. NOTE: The LH timing chain tensioner arm has a bump near the dowel hole for identification.
    Fig 39: Installing LH Timing Chain Tensioner
    G02764187Courtesy of FORD MOTOR CO.
  63. Position the LH timing chain tensioner arm on the dowel pin and install the LH timing chain tensioner.
  64. Remove the retaining clip from the LH timing chain tensioner.
    Fig 40: Removing Retaining Clip From LH Timing Chain Tensioner
    G02764188Courtesy of FORD MOTOR CO.
  65. Position the RH timing chain tensioner arm on the dowel pin and install the RH timing chain tensioner.
    Fig 41: Installing RH Timing Chain Tensioner
    G02764189Courtesy of FORD MOTOR CO.
  66. Remove the retaining clip from the RH timing chain tensioner.
    Fig 42: Removing Retaining Clip From RH Timing Chain Tensioner
    G02764190Courtesy of FORD MOTOR CO.
  67. Lubricate the balance shaft journals with clean engine oil.
  68. Using the index mark on the balance shaft, mark the corresponding teeth on the gear with chalk.
    Fig 43: Identifying Index Mark On Balance Shaft
    G01537512Courtesy of FORD MOTOR CO.
  69. Position the balance shaft on the journals.
    Fig 44: Positioning Balance Shaft On Journals
    G01537513Courtesy of FORD MOTOR CO.
  70. Align the chalk mark on the balance shaft with the camshaft timing mark as shown.
    Fig 45: Aligning Chalk Mark On Balance Shaft With Camshaft Timing Mark
    G01537514Courtesy of FORD MOTOR CO.
  71. Install the bearing caps in their original locations and install the bolts. Tighten the bolts in the sequence shown.
    Fig 46: Installing Bearing Caps In Their Original Locations
    G01537515Courtesy of FORD MOTOR CO.
  72. Position the piston of the cylinder being serviced at the bottom of the stroke and the camshaft lobe at base circle.
  73. Install the special tool between the valve spring coils to prevent valve stem seal damage.
    Fig 47: Installing Special Tool Between Valve Spring Coils To Prevent Valve Stem Seal Damage
    G01537516Courtesy of FORD MOTOR CO.
  74. NOTE: Lubricate the camshaft roller followers, using clean engine oil.
    Fig 48: Installing Camshaft Roller Follower
    G01537517Courtesy of FORD MOTOR CO.
  75. Install the camshaft roller followers.
    1. Install the special tool.
    2. Compress the valve spring.
    3. Install the camshaft roller followers in their original locations.
  76. Position the crankshaft sensor ring.
    Fig 49: Positioning Crankshaft Sensor Ring
    G01537519Courtesy of FORD MOTOR CO.
  77. NOTE: If not secured within four minutes, the sealant must be removed and the sealing area cleaned. To clean the sealing area, use silicone gasket remover and metal surface prep. Follow the directions on the packaging. Failure to follow this procedure can cause future oil leakage.
    Fig 50: Applying A Bead Of Silicone Gasket And Sealant Along Cylinder Head-To-Block
    G01537520Courtesy of FORD MOTOR CO.
  78. Apply a bead of silicone gasket and sealant along the cylinder head-to-block surface and the oil pan-to-cylinder block surface as specified.
  79. Install a new engine front cover gasket onto the engine front cover, then position the engine front cover on the front cover to cylinder block dowel.
    Fig 51: Installing A New Engine Front Cover Gasket Onto Engine Front Cover
    G01537521Courtesy of FORD MOTOR CO.
  80. Tighten the engine front cover fasteners in sequence in two stages.
    • Stage 1: Tighten fasteners 1 through 7 to 25 Nm (18 lb-ft).
    • Stage 2: Tighten fasteners 6 through 15 to 48 Nm (35 lb-ft).
    Fig 52: Engine Front Cover Fastener Tightening Sequence
    G02764200Courtesy of FORD MOTOR CO.
  81. Install the belt idler pulley and tighten the bolt.
    Fig 53: Installing Belt Idler Pulley
    G02764201Courtesy of FORD MOTOR CO.
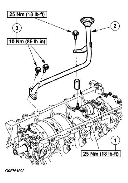
  82. NOTE: Clean and inspect the mating surfaces and install a new O-ring. Lubricate with clean engine oil.
    Fig 54: Inserting Oil Pump Screen Pickup Tube Into Oil Pump
    G02764202Courtesy of FORD MOTOR CO.
  83. Position the oil pump screen and pickup tube.
    1. Install and tighten the spacer.
    2. Insert the oil pump screen pickup tube into the oil pump and position the support bracket over the spacer.
    3. Install and tighten the bolts.
  84. CAUTION: Do not use metal scrapers, wire brushes, power abrasive discs or other abrasive means to clean the sealing surfaces. These tools cause scratches and gouges, which make leak paths. Use a plastic scraping tool to remove all traces of old sealant.
  85. Inspect the oil pan. Clean the mating surface for the oil pan with silicone gasket remover and metal surface prep. Follow the directions on the packaging.
  86. NOTE: If not secured within four minutes, the sealant must be removed and the sealing area cleaned. To clean the sealing area, use silicone gasket remover and metal surface prep. Follow the directions on the packaging. Failure to follow this procedure can cause future oil leakage.
    Fig 55: Applying Silicone Gasket And Sealant At Rear Oil Seal Retainer-To-Cylinder Block Sealing
    G02764203Courtesy of FORD MOTOR CO.
  87. Apply silicone gasket and sealant at the rear oil seal retainer-to-cylinder block sealing surface.
  88. NOTE: If not secured within four minutes, the sealant must be removed and the sealing area cleaned. To clean the sealing area, use silicone gasket remover and metal surface prep. Follow the directions on the packaging. Failure to follow this procedure can cause future oil leakage.
    Fig 56: Applying Silicone Gasket And Sealant At Engine Front Cover-To-Cylinder Block Sealing
    G02764204Courtesy of FORD MOTOR CO.
  89. Apply silicone gasket and sealant at the engine front cover-to-cylinder block sealing surface.
  90. NOTE: Be sure to tighten the bolts in three stages.
    Fig 57: Oil Pan Bolt Tightening Sequence
    G01537524Courtesy of FORD MOTOR CO.
  91. Install the oil pan. Tighten the bolts in the sequence shown.
    • Stage 1: Tighten to 2 Nm (18 lb-in).
    • Stage 2: Tighten to 20 Nm (15 lb-ft).
    • Stage 3: Tighten an additional 90 degrees.
  92. Install the oil drain plug.
  93. CAUTION: Do not rotate the water pump housing once the water pump has been positioned in the cylinder block. Damage to the O-ring seal will occur.
    Fig 58: Installing Water Pump
    G01537525Courtesy of FORD MOTOR CO.
  94. Install the water pump.
    1. Lubricate the new O-ring seal, using engine coolant, and install the O-ring seal onto the water pump.
    2. Position the water pump into the cylinder block.
    3. Install the water pump retaining bolts.
  95. Lubricate the engine front cover and the crankshaft front seal inner lip with clean engine oil.
    Fig 59: Lubricating Engine Front Cover And Crankshaft Front Seal Inner Lip With Clean Engine Oil
    G02764207Courtesy of FORD MOTOR CO.
  96. Using the special tool, install the crankshaft front seal.
    Fig 60: Installing Crankshaft Front Seal
    G01537527Courtesy of FORD MOTOR CO.
  97. NOTE: If not secured within four minutes, the sealant must be removed and the sealing area cleaned. To clean the sealing area, use silicone gasket remover and metal surface prep. Follow the directions on the packaging. Failure to follow this procedure can cause future oil leakage.
    Fig 61: Applying Silicone Gasket And Sealant To Woodruff Key Slot On Crankshaft Pulley
    G01537528Courtesy of FORD MOTOR CO.
  98. Apply silicone gasket and sealant to the Woodruff key slot on the crankshaft pulley.
  99. Using the special tool, install the crankshaft pulley.
    Fig 62: Installing Crankshaft Pulley
    G01537529Courtesy of FORD MOTOR CO.
  100. Tighten the crankshaft pulley bolt in four stages.
    • Stage 1: Tighten to 90 Nm (66 lb-ft).
    • Stage 2: Loosen 360 degrees.
    • Stage 3: Tighten to 50 Nm (37 lb-ft).
    • Stage 4: Tighten an additional 90 degrees.
    Fig 63: Tightening Crankshaft Pulley Bolt
    G01537530Courtesy of FORD MOTOR CO.
  101. Position the water pump pulley on the water pump and install the bolts.
    Fig 64: Tightening Water Pump Pulley Bolts
    G02764212Courtesy of FORD MOTOR CO.
  102. NOTE: If not secured within four minutes, the sealant must be removed and the sealing area cleaned. To clean the sealing area, use silicone gasket remover and metal surface prep. Follow the directions on the packaging. Failure to follow this procedure can cause future oil leakage.
    Fig 65: Applying Silicone Gasket And Sealant In Two Places Where Engine Front Cover Meets The Cylinder Head
    G01537532Courtesy of FORD MOTOR CO.
  103. Apply silicone gasket and sealant in two places where the engine front cover meets the cylinder head.
  104. Position the valve covers.
  105. Tighten the bolts in the sequence shown.
    Fig 66: Valve Cover Bolt Tightening Sequence
    G01537533Courtesy of FORD MOTOR CO.
  106. Install the engine control sensor wiring harness. Connect all of the harness routing clips and connector retainers.
  107. Connect the LH radio frequency interference capacitor and cylinder head temperature (CHT) sensor electrical connectors.
    Fig 67: Installing Engine Control Sensor Wiring Harness
    G02764215Courtesy of FORD MOTOR CO.
  108. Connect the camshaft position (CMP) sensor electrical connector.
    Fig 68: Connecting Camshaft Position (CMP) Sensor Electrical Connector
    G02764216Courtesy of FORD MOTOR CO.
  109. Connect the RH radio frequency interference capacitor electrical connector.
    Fig 69: Connecting RH Radio Frequency Interference Capacitor Electrical Connector
    G02764217Courtesy of FORD MOTOR CO.
  110. Connect the knock sensor electrical connector, if equipped.
    Fig 70: Connecting Knock Sensor Electrical Connector
    G02764218Courtesy of FORD MOTOR CO.
  111. Connect the crankshaft position (CKP) sensor electrical connector.
    Fig 71: Connecting Crankshaft Position (CKP) Sensor Electrical Connector
    G02764219Courtesy of FORD MOTOR CO.
  112. Connect the oil pressure switch electrical connector.
    Fig 72: Connecting Oil Pressure Switch Electrical Connector
    G02764220Courtesy of FORD MOTOR CO.
  113. Attach the special tool.
    Fig 73: Attaching Special Tool
    G02764221Courtesy of FORD MOTOR CO.
  114. Remove the engine from the engine stand.
  115. CAUTION: Do not use metal scrapers, wire brushes, power abrasive discs or other abrasive means to clean the aluminum retainer plate. These tools cause scratches and gouges, which make leak paths. Use a plastic scraping tool to remove all traces of old sealant.
  116. Inspect the rear seal retainer plate. Clean the mating surface for the rear seal retainer plate with silicone gasket remover and metal surface prep. Follow the directions on the packaging.
  117. NOTE: If not secured within four minutes, the sealant must be removed and the sealing area cleaned. To clean the sealing area, use silicone gasket remover and metal surface prep. Follow the directions on the packaging. Failure to follow this procedure can cause future oil leakage.
    Fig 74: Applying Bead Silicone Gasket And Sealant Around Rear Oil Seal Retainer Sealing Surface
    G02764222Courtesy of FORD MOTOR CO.
  118. Apply a 4 mm (0.16 in) bead of silicone gasket and sealant around the rear oil seal retainer sealing surface.
  119. Install the retainer plate. Tighten the bolts in two stages.
    • Stage 1: Tighten the retainer plate bolts to 10 Nm (89 lb-in), in the sequence shown.
    • Stage 2: Tighten the oil pan bolts to 20 Nm (15 lb-ft), then tighten an additional 90 degrees.
    Fig 75: Retainer Plate Bolt Tightening Sequence
    G01537535Courtesy of FORD MOTOR CO.
  120. NOTE: Lubricate the inner lip of the crankshaft rear seal with clean engine oil.
    Fig 76: Installing A New Crankshaft Rear Seal
    G02764224Courtesy of FORD MOTOR CO.
  121. Using the special tools, install a new crankshaft rear seal.
  122. Using the special tools, install the crankshaft rear oil slinger.
    Fig 77: Installing Crankshaft Rear Oil Slinger
    G02764225Courtesy of FORD MOTOR CO.
  123. Install the flexplate.
    Fig 78: Installing Flexplate
    G01537537Courtesy of FORD MOTOR CO.