LEMON Manuals: Even more car manuals for everyone: 1960-2025
Home >> Ford >> 2002 >> Focus ZTS, Automatic >> Repair and Diagnosis >> External Pages >> Different car >> Section 1466 (MULTIFUNCTION Electronic Modules System) >> Diagnosis And Testing >> Smart Junction Box (SJB) >> Pinpoint Test A: No Communication With The Smart Junction Box (SJB) >> Pinpoint Test A: No Communication With The Smart Junction Box (SJB)
April 5, 2026: LEMON Manuals is launched! Read the announcement.

Pinpoint Test A: No Communication With The Smart Junction Box (SJB)

WARNING: This page is about a different car, the 2006 Mercury Mariner and 2006 Ford Escape. However, it is still accessible from the selected car via links, so may be relevant.
CAUTION: Use the correct probe adaptor(s) when making measurements. Failure to use the correct probe adaptor(s) may damage the connector.
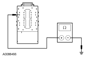
  1. A1 CHECK THE SJB GROUND CIRCUIT 
    • Key in OFF position.
    • Disconnect: SJB C2280a.
    • Measure the resistance between the SJB C2280a-21, circuit 570 (BK/WH), harness side and ground.
      Fig 1: Checking SJB Ground Circuit
      G04622172Courtesy of FORD MOTOR CO.
    • Is the resistance less than 5 ohms? 

    Yes  : GO to A2.

    No  : REPAIR the circuit. CLEAR the DTCs. REPEAT the self-test. CARRY OUT the data link diagnostics test.

  2. A2 CHECK THE SJB POWER SUPPLY CIRCUIT 785 (BK/LG) 
    • Disconnect: SJB C2280b.
    • Key in ON position.
    • For Escape Mariner, measure the voltage between the SJB C2280b-32, circuit 785 (BK/LG), harness side and ground.
      Fig 2: Checking SJB Power Supply Circuit 785 (BK/LG) (1 Of 2)
      G04622173Courtesy of FORD MOTOR CO.
    • For Escape Hybrid measure the voltage between the SJB C2280b-4, circuit 1052 (TN/BK), harness side and ground.
      Fig 3: Checking SJB Power Supply Circuit 785 (BK/LG) (2 Of 2)
      G04622174Courtesy of FORD MOTOR CO.
    • Is the voltage greater than 10 volts? 

    Yes  : REFER to MODULE COMMUNICATIONS NETWORK to continue communication diagnosis.

    No  : VERIFY the (SJB) fuse 17 (15A) is OK. If OK, REPAIR the circuit. CLEAR the DTCs. REPEAT the self-test. CARRY OUT the data link diagnostics test.