LEMON Manuals: Even more car manuals for everyone: 1960-2025
Home >> Ford >> 2002 >> Taurus SES, 3.0 S >> Repair and Diagnosis >> External Pages >> Different car >> Section 1496 (Component Testing) >> Introduction >> Lumbar adjust switch, left front >> Schematic
April 5, 2026: LEMON Manuals is launched! Read the announcement.

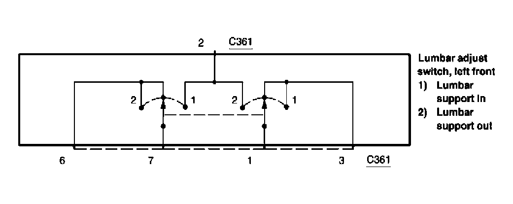
Lumbar adjust switch, left front: Schematic

WARNING: This page is about a different car, the 2005 Lincoln Town Car. However, it is still accessible from the selected car via links, so may be relevant.
Fig 1: Lumbar Adjust Switch, Left Front - Schematic
G04013193Courtesy of FORD MOTOR CO.